Ramsey
Automotive

Model #P-8606G Official Ramsey winch

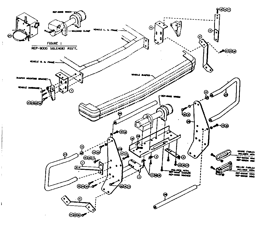
Here are the diagrams and repair parts for Ramsey P-8606G winch, as well as links to manuals and error code tables, if available.

There are a couple of ways to find the part or diagram you need:

  • Click a diagram to see the parts shown on that diagram.
  • In the search box below, enter all or part of the part number or the part’s name.

Not all parts are shown on the diagrams—those parts are labeled NI, for “not illustrated”.

We encourage you to save the model to your profile, so it’s easy to access parts and manuals for your appliance whenever you log in.

For DIY troubleshooting advice and repair guides, visit our repair help section.

Showing 10 of 29 parts

Nut#19

Unit Diagram

Nut

Part #418069

The manufacturer no longer makes this part, and there's no substitute part

CAPSCREW 3/8-16NC X 1-1/4 LG. HX. HD. C. P.#12

Unit Diagram

Capscrew 3/8-16nc x 1-1/4 lg. hx. hd. c. p.

Part #418316

The manufacturer no longer makes this part, and there's no substitute part

Wcn Mtg Ch#10

Unit Diagram

Wcn mtg ch

Part #408052

The manufacturer no longer makes this part, and there's no substitute part

Brkt Assy Lh#2

Unit Diagram

Brkt assy lh

Part #204197

The manufacturer no longer makes this part, and there's no substitute part

Brkt Lwr Rh#5

Unit Diagram

Brkt lwr rh

Part #312425

The manufacturer no longer makes this part, and there's no substitute part

Grommet#28

Unit Diagram

Grommet

Part #472017

The manufacturer no longer makes this part, and there's no substitute part

Cap Screw#11

Unit Diagram

Cap screw

Part #414049

The manufacturer no longer makes this part, and there's no substitute part

Brkt Lwr Lh#6

Unit Diagram

Brkt lwr lh

Part #312426

The manufacturer no longer makes this part, and there's no substitute part

Brkt Mtg Rh#7

Unit Diagram

Brkt mtg rh

Part #312427

The manufacturer no longer makes this part, and there's no substitute part

Cap Screw#14

Unit Diagram

Cap screw

Part #414469

The manufacturer no longer makes this part, and there's no substitute part