Minn Kota
Boating

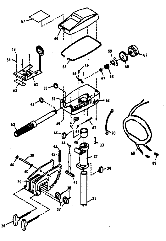
Model #4HP Official Minn Kota electric fishing motor

Here are the diagrams and repair parts for Minn Kota 4HP electric fishing motor, as well as links to manuals and error code tables, if available.

There are a couple of ways to find the part or diagram you need:

  • Click a diagram to see the parts shown on that diagram.
  • In the search box below, enter all or part of the part number or the part’s name.

Not all parts are shown on the diagrams—those parts are labeled NI, for “not illustrated”.

We encourage you to save the model to your profile, so it’s easy to access parts and manuals for your appliance whenever you log in.

For DIY troubleshooting advice and repair guides, visit our repair help section.

Showing 10 of 74 parts

E-Ring

#43

All parts Diagram

E-ring

Part #201-3000

The manufacturer no longer makes this part, and there's no substitute part

Lawn & Garden Equipment Washer

#17

All parts Diagram

Washer

Part #409-173
Replaced by #669-5213
?
Manufacturer substitution
This part replaces 409-173. Substitute parts can look different from the original.
This item is not returnable
In Stock
$2.29
Collar Nut

#48

All parts Diagram

Collar nut

Part #201-3110

The manufacturer no longer makes this part, and there's no substitute part

Cntrl Bx Scr

#49

All parts Diagram

Cntrl bx scr

Part #201-2100

The manufacturer no longer makes this part, and there's no substitute part

Brush Plate

#14

All parts Diagram

Brush plate

Part #410-400

The manufacturer no longer makes this part, and there's no substitute part

Br Plt Screw

#12

All parts Diagram

Br plt screw

Part #409-340

The manufacturer no longer makes this part, and there's no substitute part

Screw

#75

All parts Diagram

Screw

Part #207-2140

The manufacturer no longer makes this part, and there's no substitute part

Adaptor Disk

#60

All parts Diagram

Adaptor disk

Part #236-2820

The manufacturer no longer makes this part, and there's no substitute part

Stop Washer

#57

All parts Diagram

Stop washer

Part #236-1700

The manufacturer no longer makes this part, and there's no substitute part

O-Ring

#23

All parts Diagram

O-ring

Part #409-462

The manufacturer no longer makes this part, and there's no substitute part