Eureka
Upright Vacuum

Model #7610AT Official Eureka upright vacuum

Here are the diagrams and repair parts for Eureka 7610AT upright vacuum, as well as links to manuals and error code tables, if available.

There are a couple of ways to find the part or diagram you need:

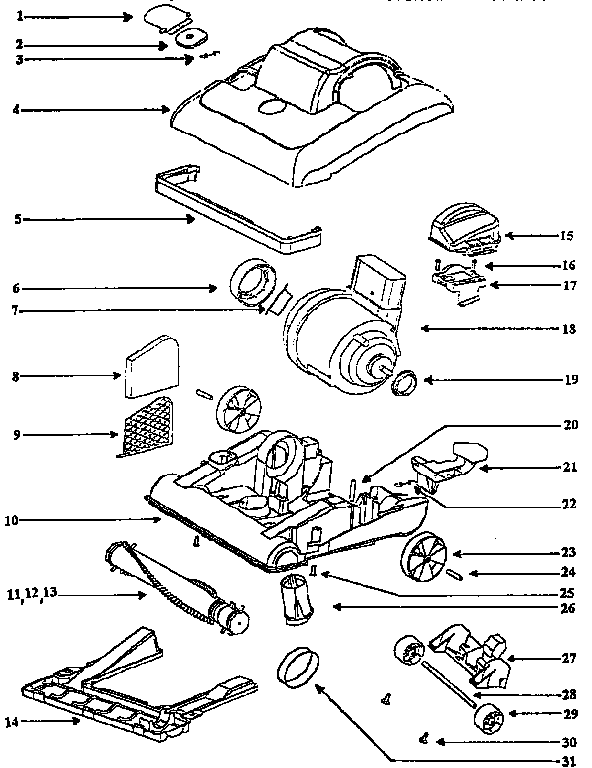
  • Click a diagram to see the parts shown on that diagram.
  • In the search box below, enter all or part of the part number or the part’s name.

Not all parts are shown on the diagrams—those parts are labeled NI, for “not illustrated”.

We encourage you to save the model to your profile, so it’s easy to access parts and manuals for your appliance whenever you log in.

For DIY troubleshooting advice and repair guides, visit our repair help section.

Showing 10 of 62 parts

Lock Washer#17

Field assembly Diagram

Lock washer

Part #60106

The manufacturer no longer makes this part, and there's no substitute part

Vacuum Screw, 10-pack#8

Handle Diagram

Vacuum screw, 10-pack

Part #53238-13

The manufacturer no longer makes this part, and there's no substitute part

Vacuum Screw, 10-pack#4

Field assembly Diagram

Vacuum screw, 10-pack

Part #53238-18

The manufacturer no longer makes this part, and there's no substitute part

Gasket Set

See All Related Diagrams

Gasket set

Part #57949-1

The manufacturer no longer makes this part, and there's no substitute part

Mount-lg#6

Nozzle and motor assembly Diagram

Mount-lg

Part #27815A

The manufacturer no longer makes this part, and there's no substitute part

Screw#30

Nozzle and motor assembly Diagram

Screw

Part #60160

The manufacturer no longer makes this part, and there's no substitute part

Nut#5

Handle Diagram

Nut

Part #53213-5

The manufacturer no longer makes this part, and there's no substitute part

Axle#28

Nozzle and motor assembly Diagram

Axle

Part #57567-1

The manufacturer no longer makes this part, and there's no substitute part

Hardware P#7

Bag housing Diagram

Hardware p

Part #59015

The manufacturer no longer makes this part, and there's no substitute part

Spring Axle

See All Related Diagrams

Spring axle

Part #53076-2

The manufacturer no longer makes this part, and there's no substitute part

Symptoms common to all vacuum cleaners

Choose a symptom to see related vacuum cleaner repairs.

Main causes: damaged vacuum hose, clogged motor air filter, bad suction motor
Main causes: broken drive belt, damaged brush roll, tripped brush roll motor overload, bad brush roll motor, wiring failure
Main causes: lack of power, bad power cord, drive motor failure, wiring failure
Main causes: weak suction motor, vacuum bag is full, clog in suction air path, dirty exhaust filter, leaky vacuum hose

Articles and videos common to all vacuum cleaners

Use the advice and tips in these articles and videos to get the most out of your vacuum.

January 5, 2015

10 must-have tools for appliance repair

By Lyle Weischwill

Come see which tools made our top 10 must-haves for DIY appliance repair.

December 18, 2014

Deciding between a canister or upright vacuum

By Lyle Weischwill

Undecided about canister or upright? We compare them.

July 1, 2013

Vacuum common questions

By Lyle Weischwill

Find the answers to frequently asked questions about vacuum cleaners.