Ryobi
Circular Saw

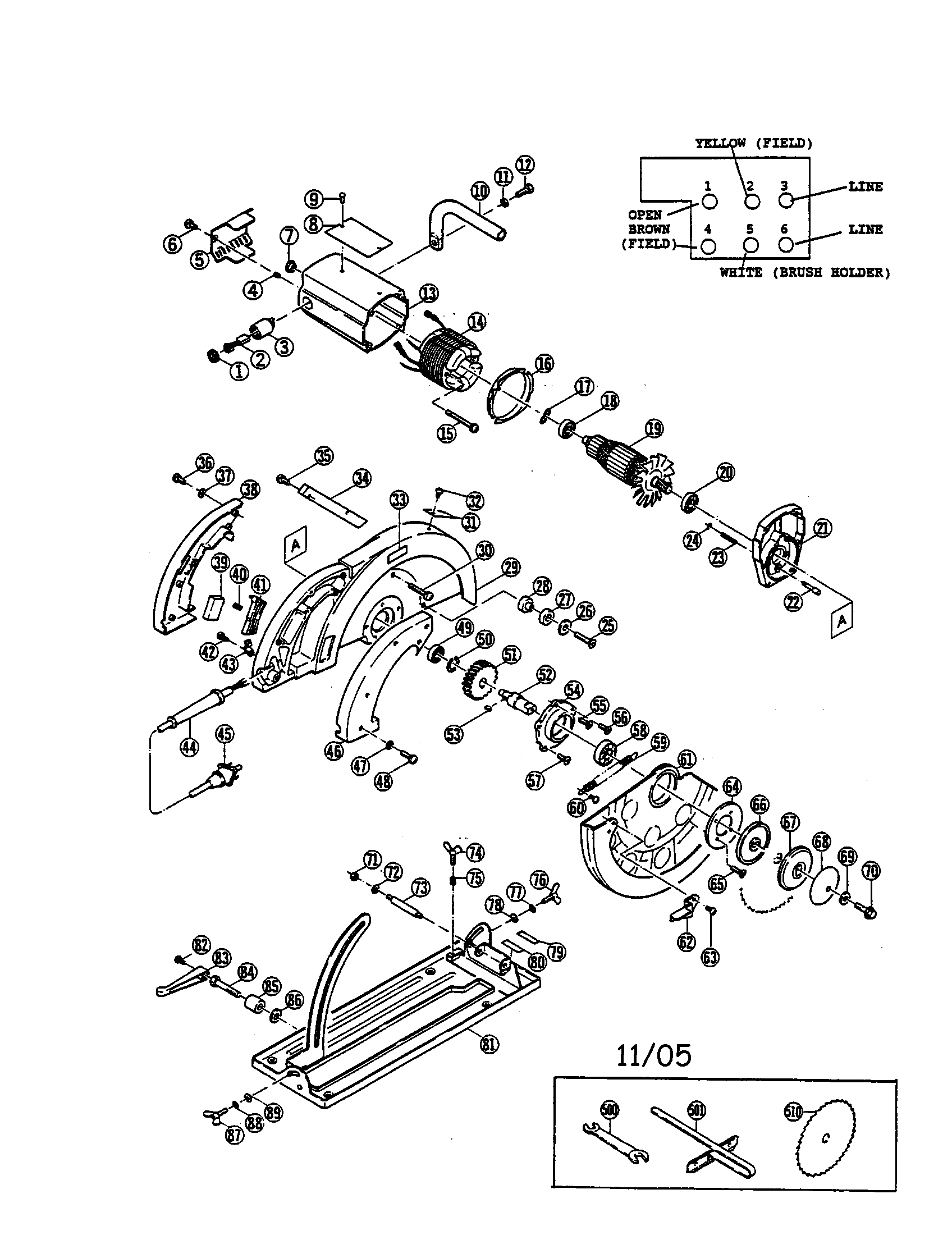
Model #W-201S Official Ryobi circular saw

Here are the diagrams and repair parts for Ryobi W-201S circular saw, as well as links to manuals and error code tables, if available.

There are a couple of ways to find the part or diagram you need:

  • Click a diagram to see the parts shown on that diagram.
  • In the search box below, enter all or part of the part number or the part’s name.

Not all parts are shown on the diagrams—those parts are labeled NI, for “not illustrated”.

We encourage you to save the model to your profile, so it’s easy to access parts and manuals for your appliance whenever you log in.

For DIY troubleshooting advice and repair guides, visit our repair help section.

Showing 10 of 90 parts

Bearing#18

Circular saw Diagram

Bearing

Part #969235005

The manufacturer no longer makes this part, and there's no substitute part

Bearing#49

Circular saw Diagram

Bearing

Part #9826201

The manufacturer no longer makes this part, and there's no substitute part

Washer#77

Circular saw Diagram

Washer

Part #9550800

The manufacturer no longer makes this part, and there's no substitute part

Bearing#20

Circular saw Diagram

Bearing

Part #1750001

The manufacturer no longer makes this part, and there's no substitute part

DISC LOCK BAR#22

Circular saw Diagram

Disc lock bar

Part #6120035

The manufacturer no longer makes this part, and there's no substitute part

Cover Plate#31

Circular saw Diagram

Cover plate

Part #6150047

The manufacturer no longer makes this part, and there's no substitute part

Lead Wire

#NI04

All parts Diagram

Lead wire

Part #6590081

The manufacturer no longer makes this part, and there's no substitute part

PHILLIPS FLAT SCREW M5 X 60 (2)#56

Circular saw Diagram

Phillips flat screw m5 x 60 (2)

Part #9140560

The manufacturer no longer makes this part, and there's no substitute part

PHILLIPS FLAT SCREW M8 X 35#25

Circular saw Diagram

Phillips flat screw m8 x 35

Part #6130213

The manufacturer no longer makes this part, and there's no substitute part

PHILLIPS PAN SCREW M4 X 6#32

Circular saw Diagram

Phillips pan screw m4 x 6

Part #9000406

The manufacturer no longer makes this part, and there's no substitute part

Articles and videos for circular saws

June 29, 2022

Top questions about Sears and Sears PartsDirect

Lyle Weischwill

Get answers to frequently asked questions about Sears and Sears PartsDirect.