GE
Gas Range

Model #JGBS62DEK2WW Official GE free standing gas range

Here are the diagrams and repair parts for GE JGBS62DEK2WW free standing gas range, as well as links to manuals and error code tables, if available.

There are a couple of ways to find the part or diagram you need:

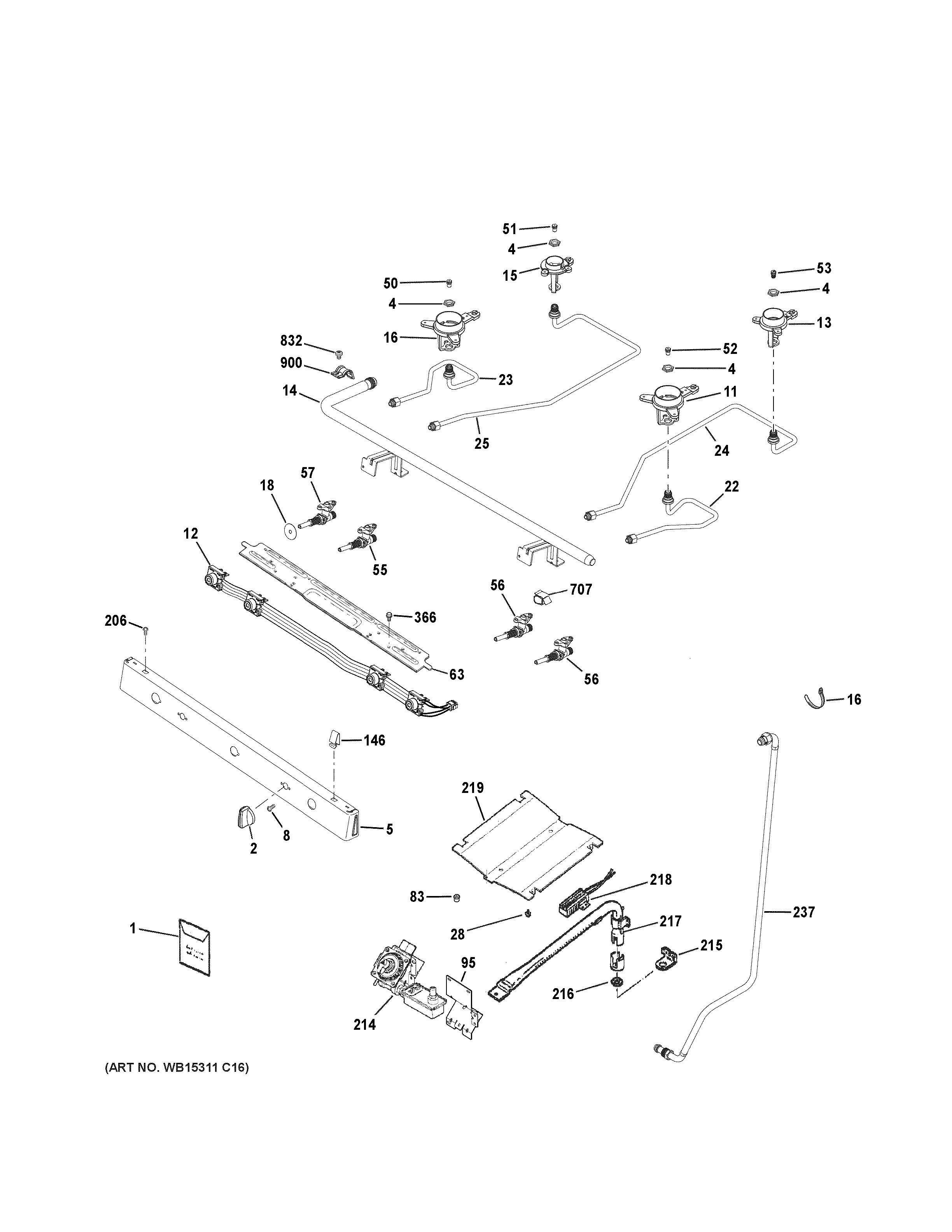
  • Click a diagram to see the parts shown on that diagram.
  • In the search box below, enter all or part of the part number or the part’s name.

Not all parts are shown on the diagrams—those parts are labeled NI, for “not illustrated”.

We encourage you to save the model to your profile, so it’s easy to access parts and manuals for your appliance whenever you log in.

For DIY troubleshooting advice and repair guides, visit our repair help section.

Error Codes

Showing 10 of 159 parts

Appliance Light Bulb, 40-watt (replaces 40A15-2PK, 60A, 60A15RVL, STD398091, WR02X12328, WX12X1510)

40a15bulb

Part #STD372401
Replaced by #40A15
?
Manufacturer substitution
This part replaces STD372401. Substitute parts can look different from the original.
BEST SELLER
In Stock
$7.52 | 
12% OFF 
Phone Price: $8.52
Range Oven Burner Igniter (replaces WB13K0021, WB13K10009, WB13K10026, WB13K12, WB13K13, WB13K14)

Bake burner ignition

Part #WB13K0021
Replaced by #WB13K21
?
Manufacturer substitution
This part replaces WB13K0021. Substitute parts can look different from the original.
BEST SELLER
In Stock
$52.94 | 
9% OFF 
Phone Price: $57.94
Range Surface Burner Grate Bumper

Range surface burner grate bumper

Part #WB02X24790
BEST SELLER
In Stock
$7.69 | 
12% OFF 
Phone Price: $8.69
Range Surface Burner Cap

Range surface burner cap

Part #WB28K10222
BEST SELLER
In Stock
$18.29 | 
10% OFF 
Phone Price: $20.29
Range Surface Burner Cap

Range surface burner cap

Part #WB29K10024
BEST SELLER
In Stock
$10.89 | 
16% OFF 
Phone Price: $12.89
Range Oven Rack

Range oven rack

Part #WB48X20249
In Stock
$68.95 | 
20% OFF 
Was: $86.19
Range Leveling Leg (replaces WB02K10379)

Range leveling leg (replaces wb02k10379)

Part #WB02K10182
This item is not returnable
In Stock
$7.69 | 
12% OFF 
Phone Price: $8.69
Range Oven Temperature Sensor
In Stock
$35.29 | 
12% OFF 
Phone Price: $40.29
Range Oven Control Board

Range oven control board

Part #WB27X29136
In Stock
$115.39 | 
8% OFF 
Phone Price: $125.39
Range Oven Door Trim, Lower (replaces WB7K384)

Range oven door trim, lower (replaces wb7k384)

Part #WB07K10250
This item is not returnable
In Stock
$21.69 | 
19% OFF 
Phone Price: $26.69

Symptoms common to all ranges

Choose a symptom to see related range repairs.

Main causes: food splatters, spilling food on the oven door, allowing liquid to drip through oven door vent when cleaning the door
Main causes: power supply failure, blown thermal fuse, bad relay control board, damaged terminal block, wiring failure
Main causes: broken oven door lock assembly, wiring failure, electronic control board problem
Main causes: faulty temperature sensor, electronic control board problem, control thermostat failure, weak burner igniter, oven door problem
Main causes: broken broiler element, weak or broken broil burner igniter, control system failure, faulty temperature sensor, wiring failure
Main causes: power supply problem, control thermostat or electronic control board failure, broken element, bad burner igniter
Main causes: bad bake element, broken burner igniter, control system failure, blown thermal fuse, faulty temperature sensor, wiring failure

Repair guides common to all ranges

These step-by-step repair guides will help you safely fix what’s broken on your range.

July 20, 2018
Lyle Weischwill
How to replace a range oven door switch

The oven door switch detects whether the oven door is closed and helps control the oven light. Replace the switch if it doesn’t control the oven light properly.

Repair difficulty
Time required
 30 minutes or less
February 20, 2015
Lyle Weischwill
How to replace a range oven door lock assembly

Oven door not locking? You can replace the lock assembly in less than 30 minutes. Here's how.

Repair difficulty
Time required
 15 minutes or less

Articles and videos common to all ranges

Use the advice and tips in these articles and videos to get the most out of your range.

December 27, 2021

How does a self-cleaning oven work?

Lyle Weischwill

Learn how the self-clean cycle works in an oven.

October 1, 2019

Coil surface element on range not heating video

Lyle Weischwill

Learn how to troubleshoot a coil surface element on your stove that won't heat.

May 23, 2018

F90 error code troubleshooting for ranges video

Wayne Archer

Troubleshoot the door lock system to find and fix the problem.