Agri-Fab
Accessory

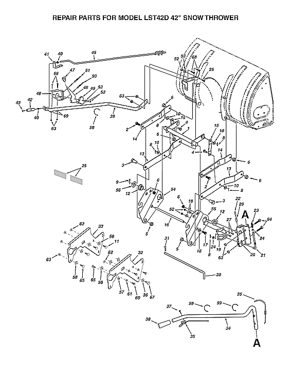
Model #LST42D Official Agri-Fab snow thrower attachment

Here are the diagrams and repair parts for Agri-Fab LST42D snow thrower attachment, as well as links to manuals and error code tables, if available.

There are a couple of ways to find the part or diagram you need:

  • Click a diagram to see the parts shown on that diagram.
  • In the search box below, enter all or part of the part number or the part’s name.

Not all parts are shown on the diagrams—those parts are labeled NI, for “not illustrated”.

We encourage you to save the model to your profile, so it’s easy to access parts and manuals for your appliance whenever you log in.

For DIY troubleshooting advice and repair guides, visit our repair help section.

Owner’s manual

Showing 10 of 170 parts

Lawn Tractor Snow Blade Attachment Skid Shoe (replaces 24279)#35

Auger housing/impeller/chute Diagram

Snowblower attachment skid shoe

Part #24279
Replaced by #24279BL1
?
Manufacturer substitution
This part replaces 24279. Substitute parts can look different from the original.
BEST SELLER
Back Order
$8.12 | 
11% OFF 
Phone Price: $9.12
Lawn Tractor Attachment Lift Trigger and Cable#35

Lift shaft & handle/side plates Diagram

In Stock
$16.81 | 
20% OFF 
MSRP: $21.00
Lawn Tractor Snowblower Attachment Auger Drive Belt, 5/8 x 114-in (replaces 47278)#27

Frame/clutch/pulley Diagram

Lawn tractor snowblower attachment auger drive belt, 5/8 x 114-in (replaces 47278)

Part #47846
BEST SELLER

Get free shipping with Automatic Reorder

In Stock
$77.72 | 
6% OFF 
MSRP: $83.00
Lawn Tractor Snowblower Attachment Mounting Plate, Left (replaces 25679)#33

Lift shaft & handle/side plates Diagram

Lawn tractor snowblower attachment mounting plate, left

Part #25679
Replaced by #25679BL1
?
Manufacturer substitution
This part replaces 25679. Substitute parts can look different from the original.
BEST SELLER
In Stock
$27.06 | 
16% OFF 
Phone Price: $32.06
Lawn Tractor Snowblower Attachment Mounting Plate, Right#32

Lift shaft & handle/side plates Diagram

Lawn tractor snowblower attachment mounting plate, right

Part #25678
Replaced by #25678BL1
?
Manufacturer substitution
This part replaces 25678. Substitute parts can look different from the original.
BEST SELLER
In Stock
$26.25 | 
16% OFF 
Phone Price: $31.25
Lawn Tractor Snowblower Attachment Bearing#32

Auger housing/impeller/chute Diagram

Ball bearing

Part #741-0309
Replaced by #42844
?
Manufacturer substitution
This part replaces 741-0309. Substitute parts can look different from the original.
BEST SELLER
In Stock
$26.89 | 
16% OFF 
Phone Price: $31.89
Lawn Tractor Snowblower Attachment Drive Belt, 1/2 x 55-in#26

Frame/clutch/pulley Diagram

Lawn tractor snowblower attachment drive belt, 1/2 x 55-in

Part #46989
BEST SELLER

Get free shipping with Automatic Reorder

Back Order
$36.50 | 
12% OFF 
Phone Price: $41.50
Lawn Tractor Snowblower Attachment Bolt#19

Auger housing/impeller/chute Diagram

Snowblower shear bolt

Part #710-0890A
Replaced by #42849
?
Manufacturer substitution
This part replaces 710-0890A. Substitute parts can look different from the original.
BEST SELLER
This item is not returnable
In Stock
$3.69 | 
21% OFF 
Phone Price: $4.69
Lawn Tractor Snowblower Attachment Auger Shaft#14

Frame/clutch/pulley Diagram

Shaft

Part #738-0680
Replaced by #27582
?
Manufacturer substitution
This part replaces 738-0680. Substitute parts can look different from the original.
BEST SELLER
In Stock
$23.19 | 
18% OFF 
Phone Price: $28.19
Lawn Tractor Snowblower Attachment Hanger Bracket, Left#41

Auger housing/impeller/chute Diagram

Lawn tractor snowblower attachment hanger bracket, left

Part #65367
Replaced by #6-274
?
Manufacturer substitution
This part replaces 65367. Substitute parts can look different from the original.
BEST SELLER
In Stock
$18.74