Proform
Treadmill

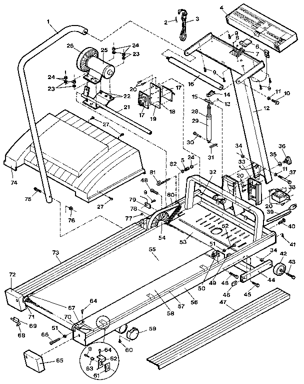
Model #PF626010 Official Proform proform 626 exp treadmill

Here are the diagrams and repair parts for Proform PF626010 proform 626 exp treadmill, as well as links to manuals and error code tables, if available.

There are a couple of ways to find the part or diagram you need:

  • Click a diagram to see the parts shown on that diagram.
  • In the search box below, enter all or part of the part number or the part’s name.

Not all parts are shown on the diagrams—those parts are labeled NI, for “not illustrated”.

We encourage you to save the model to your profile, so it’s easy to access parts and manuals for your appliance whenever you log in.

For DIY troubleshooting advice and repair guides, visit our repair help section.

Showing 10 of 90 parts

Treadmill Power Cord#39

Unit parts Diagram

Treadmill power cord

Part #031229
BEST SELLER
In Stock
$11.39 | 
15% OFF 
Phone Price: $13.39
Exercise Equipment Reed Switch#79

Unit parts Diagram

Rsw,762 cm 2

Part #101743
Replaced by #124434
?
Manufacturer substitution
This part replaces 101743. Substitute parts can look different from the original.
This item is not returnable
In Stock
$8.79 | 
10% OFF 
Phone Price: $9.79
Exercise Equipment Screw#66

Unit parts Diagram

Exercise equipment screw

Part #105444
This item is not returnable
In Stock
$2.16
Exercise Equipment Magnet#77

Unit parts Diagram

Mag,rnd,for

Part #033066
Replaced by #113842
?
Manufacturer substitution
This part replaces 033066. Substitute parts can look different from the original.
This item is not returnable
In Stock
$2.16
Nut,hex Nyl#24

Unit parts Diagram

Nut,hex nyl

Part #012082

The manufacturer no longer makes this part, and there's no substitute part

Treadmill Walking Belt Alignment Tool Holder#69

Unit parts Diagram

Treadmill walking belt alignment tool holder

Part #016028
This item is not returnable
In Stock
$2.16
Exercise Equipment Flat Washer#51

Unit parts Diagram

Exercise equipment flat washer

Part #014127
This item is not returnable
In Stock
$2.16
Exercise Equipment Screw#60

Unit parts Diagram

Exercise equipment screw

Part #013162
This item is not returnable
In Stock
$2.16
Treadmill Line Filter#38

Unit parts Diagram

Choke,5.5mh

Part #031238
Replaced by #130993
?
Manufacturer substitution
This part replaces 031238. Substitute parts can look different from the original.
In Stock
$34.19 | 
13% OFF 
Phone Price: $39.19
Exercise Equipment Screw#27

Unit parts Diagram

Exercise equipment screw

Part #104621
This item is not returnable
In Stock
$2.16

Symptoms for treadmills

Choose a symptom to see related treadmill repairs.

Main causes: faulty sensors, wiring failure, bad control console
Main causes: no power, bad power cord, tripped or faulty overload switch, bad power switch, wiring failure, bad motor control board
Main causes: missing safety key, bad control console, wiring failure, faulty motor control board, bad drive motor
Main causes: bad control console, wiring failure, bad motor control board
Main causes: damaged walking belt, improper belt tension, lack of belt lubricant, bad drive motor
Main causes: damaged walking belt, improper belt tension, bad roller bearing
Main causes: rear roller out of alignment, damaged walking belt, bad roller

Repair guides for treadmills

These step-by-step repair guides will help you safely fix what’s broken on your treadmill.

June 1, 2015
By Lyle Weischwill
How to replace a treadmill motor controller

Your treadmill motor won't run with a defective motor controller. Replace the motor controller if it doesn't operate the motor correctly.

Repair difficulty
Time required
 15 minutes or less
How to replace a treadmill walking belt

A worn walking belt will begin to slow down during use. If your treadmill walking belt is worn out, replace it using these steps.

Repair difficulty
Time required
 45 minutes or less
June 1, 2015
By Lyle Weischwill
How to replace a treadmill drive motor

A defective drive motor won't run when activated by the motor controller. Replace the treadmill drive motor if it doesn't run.

Repair difficulty
Time required
 15 minutes or less

Articles and videos common to all fitness & exercise

Use the advice and tips in these articles and videos to get the most out of your treadmill.

June 29, 2022

Top questions about Sears and Sears PartsDirect

By Lyle Weischwill

Get answers to frequently asked questions about Sears and Sears PartsDirect.