Eureka
Upright Vacuum

Model #4476BT-1 Official Eureka vacuum

Here are the diagrams and repair parts for Eureka 4476BT-1 vacuum, as well as links to manuals and error code tables, if available.

There are a couple of ways to find the part or diagram you need:

  • Click a diagram to see the parts shown on that diagram.
  • In the search box below, enter all or part of the part number or the part’s name.

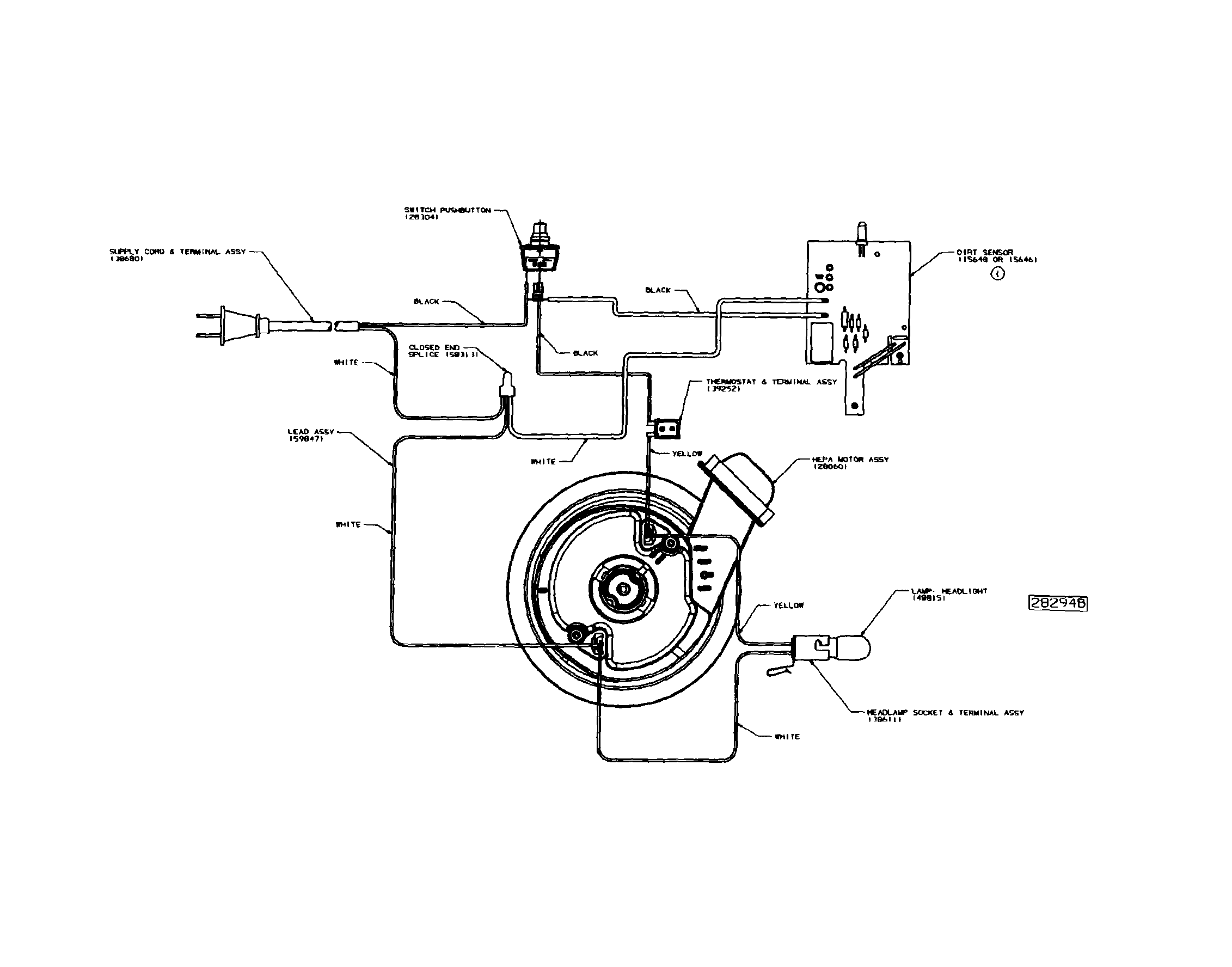
Not all parts are shown on the diagrams—those parts are labeled NI, for “not illustrated”.

We encourage you to save the model to your profile, so it’s easy to access parts and manuals for your appliance whenever you log in.

For DIY troubleshooting advice and repair guides, visit our repair help section.

Showing 10 of 66 parts

Vacuum Light Bulb#9

Motor cover Diagram

Vacuum light bulb

Part #48815

The manufacturer no longer makes this part, and there's no substitute part

Vacuum Spring#7

Base Diagram

Vacuum spring

Part #54943

The manufacturer no longer makes this part, and there's no substitute part

Vacuum On/Off Switch#22

Motor cover Diagram

Vacuum on/off switch

Part #28304A

The manufacturer no longer makes this part, and there's no substitute part

Brush-flr#8

Hose Diagram

Brush-flr

Part #61037

The manufacturer no longer makes this part, and there's no substitute part

Gasket#4

Motor cover Diagram

Gasket

Part #38613

The manufacturer no longer makes this part, and there's no substitute part

Thermostat#25

Motor cover Diagram

Thermostat

Part #39252-2

The manufacturer no longer makes this part, and there's no substitute part

Wand#3

Hose Diagram

Wand

Part #58728B

The manufacturer no longer makes this part, and there's no substitute part

Rear Axle#3

Base Diagram

Rear axle

Part #38590A

The manufacturer no longer makes this part, and there's no substitute part

Adapter#27

Motor cover Diagram

Adapter

Part #59361A

The manufacturer no longer makes this part, and there's no substitute part

Cuff Hose#13

Base Diagram

Cuff hose

Part #28288B-119N

The manufacturer no longer makes this part, and there's no substitute part

Symptoms common to all vacuum cleaners

Choose a symptom to see related vacuum cleaner repairs.

Main causes: damaged vacuum hose, clogged motor air filter, bad suction motor
Main causes: broken drive belt, damaged brush roll, tripped brush roll motor overload, bad brush roll motor, wiring failure
Main causes: lack of power, bad power cord, drive motor failure, wiring failure
Main causes: weak suction motor, vacuum bag is full, clog in suction air path, dirty exhaust filter, leaky vacuum hose

Articles and videos common to all vacuum cleaners

Use the advice and tips in these articles and videos to get the most out of your vacuum.

June 29, 2022

Top questions about Sears and Sears PartsDirect

Lyle Weischwill

Get answers to frequently asked questions about Sears and Sears PartsDirect.

January 5, 2015

10 must-have tools for appliance repair

Lyle Weischwill

Come see which tools made our top 10 must-haves for DIY appliance repair.

July 1, 2013

Vacuum common questions

Lyle Weischwill

Find the answers to frequently asked questions about vacuum cleaners.