Kenmore
Canister Vacuum

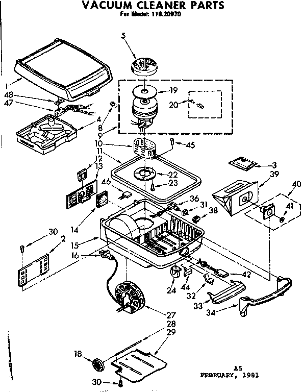
Model #11620970 Official Kenmore vacuum cleaner parts

Here are the diagrams and repair parts for Kenmore 11620970 vacuum cleaner parts, as well as links to manuals and error code tables, if available.

There are a couple of ways to find the part or diagram you need:

  • Click a diagram to see the parts shown on that diagram.
  • In the search box below, enter all or part of the part number or the part’s name.

Not all parts are shown on the diagrams—those parts are labeled NI, for “not illustrated”.

We encourage you to save the model to your profile, so it’s easy to access parts and manuals for your appliance whenever you log in.

For DIY troubleshooting advice and repair guides, visit our repair help section.

    Showing 10 of 57 parts

    Vacuum Floor Brush#14

    Attachment parts Diagram

    Brush

    Part #741122
    Replaced by #5268
    ?
    Manufacturer substitution
    This part replaces 741122. Substitute parts can look different from the original.
    BEST SELLER
    In Stock
    $16.19 | 
    11% OFF 
    Phone Price: $18.19
    Screw#30

    Base assembly Diagram

    Screw

    Part #681405

    The manufacturer no longer makes this part, and there's no substitute part

    Vacuum Twist-On Wire Connector#8

    Base assembly Diagram

    Nut

    Part #596564
    Replaced by #KS4154460
    ?
    Manufacturer substitution
    This part replaces 596564. Substitute parts can look different from the original.
    This item is not returnable
    In Stock
    $2.49
    Screw#1

    Attachment parts Diagram

    Screw

    Part #595294

    The manufacturer no longer makes this part, and there's no substitute part

    Cover#16

    Attachment parts Diagram

    Cover

    Part #741096

    The manufacturer no longer makes this part, and there's no substitute part

    Screw#45

    Base assembly Diagram

    Screw

    Part #681491

    The manufacturer no longer makes this part, and there's no substitute part

    Screw#23

    Base assembly Diagram

    Screw

    Part #681554

    The manufacturer no longer makes this part, and there's no substitute part

    Wheel#18

    Base assembly Diagram

    Wheel

    Part #703889

    The manufacturer no longer makes this part, and there's no substitute part

    Cable#16

    Base assembly Diagram

    Cable

    Part #703887

    The manufacturer no longer makes this part, and there's no substitute part

    Vacuum Crevice Tool (White)#26

    Attachment parts Diagram

    Vacuum crevice tool (white)

    Part #722375

    The manufacturer no longer makes this part, and there's no substitute part

    Symptoms common to all vacuum cleaners

    Choose a symptom to see related vacuum cleaner repairs.

    Main causes: damaged vacuum hose, clogged motor air filter, bad suction motor
    Main causes: broken drive belt, damaged brush roll, tripped brush roll motor overload, bad brush roll motor, wiring failure
    Main causes: lack of power, bad power cord, drive motor failure, wiring failure
    Main causes: weak suction motor, vacuum bag is full, clog in suction air path, dirty exhaust filter, leaky vacuum hose

    Repair guides for canister vacuums

    How to replace a vacuum power head ribbed drive belt

    Some canister vacuums have a ribbed drive belt that spins the brush roll on a power brush attachment. If the brush roll slips, you can replace it using these instructions.

    Repair difficulty
    Time required
     30 minutes or less
    July 1, 2013
    By Lyle Weischwill
    How to replace a vacuum suction motor

    The suction motor on a vacuum creates the draw of air at the cleaning head that picks up dirt. If the vacuum won't run, give it a new life by replacing the suction motor. These steps explain how.

    Repair difficulty
    Time required
     15 minutes or less
    July 1, 2013
    By Lyle Weischwill
    How to replace a vacuum beater bar

    Replace the brush roll if the bristles ares worn or the cylinder is damaged.

    Repair difficulty
    Time required
     30 minutes or less

    Articles and videos common to all vacuum cleaners

    Use the advice and tips in these articles and videos to get the most out of your vacuum.

    January 5, 2015

    10 must-have tools for appliance repair

    By Lyle Weischwill

    Come see which tools made our top 10 must-haves for DIY appliance repair.

    December 18, 2014

    Deciding between a canister or upright vacuum

    By Lyle Weischwill

    Undecided about canister or upright? We compare them.

    July 1, 2013

    Vacuum common questions

    By Lyle Weischwill

    Find the answers to frequently asked questions about vacuum cleaners.