Sears
Cycling

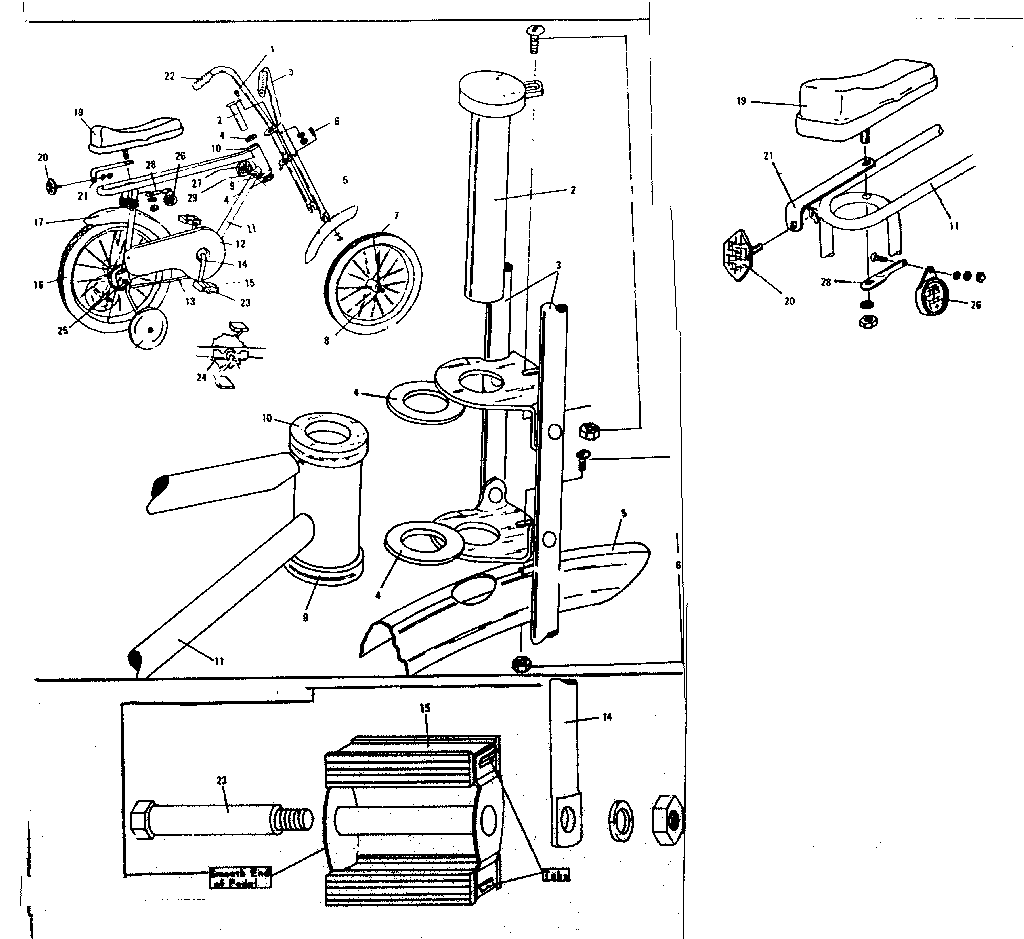
Model #512478840 Official Sears 16" sidewalk bicycle

Here are the diagrams and repair parts for Sears 512478840 16" sidewalk bicycle, as well as links to manuals and error code tables, if available.

There are a couple of ways to find the part or diagram you need:

  • Click a diagram to see the parts shown on that diagram.
  • In the search box below, enter all or part of the part number or the part’s name.

Not all parts are shown on the diagrams—those parts are labeled NI, for “not illustrated”.

We encourage you to save the model to your profile, so it’s easy to access parts and manuals for your appliance whenever you log in.

For DIY troubleshooting advice and repair guides, visit our repair help section.

Showing 10 of 31 parts

Clamp#29

Unit parts Diagram

Clamp

Part #82

The manufacturer no longer makes this part, and there's no substitute part

Clamp W/bolt#24

Unit parts Diagram

Clamp w/bolt

Part #50

The manufacturer no longer makes this part, and there's no substitute part

Front Axle#8

Unit parts Diagram

Front axle

Part #19

The manufacturer no longer makes this part, and there's no substitute part

Bolt#6

Unit parts Diagram

Bolt

Part #74

The manufacturer no longer makes this part, and there's no substitute part

Grip#22

Unit parts Diagram

Grip

Part #65

The manufacturer no longer makes this part, and there's no substitute part

Plate#28

Unit parts Diagram

Plate

Part #85

The manufacturer no longer makes this part, and there's no substitute part

Crnk/spkt#14

Unit parts Diagram

Crnk/spkt

Part #480

The manufacturer no longer makes this part, and there's no substitute part

Wheel Set#25

Unit parts Diagram

Wheel set

Part #51

The manufacturer no longer makes this part, and there's no substitute part

Chain Guard#12

Unit parts Diagram

Chain guard

Part #407

The manufacturer no longer makes this part, and there's no substitute part

Washer#4

Unit parts Diagram

Washer

Part #17

The manufacturer no longer makes this part, and there's no substitute part