WEN
Bench Grinder

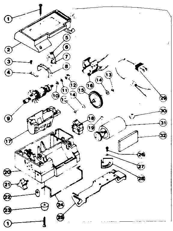
Model #2901 Official WEN wet wheel machine

Here are the diagrams and repair parts for WEN 2901 wet wheel machine, as well as links to manuals and error code tables, if available.

There are a couple of ways to find the part or diagram you need:

  • Click a diagram to see the parts shown on that diagram.
  • In the search box below, enter all or part of the part number or the part’s name.

Not all parts are shown on the diagrams—those parts are labeled NI, for “not illustrated”.

We encourage you to save the model to your profile, so it’s easy to access parts and manuals for your appliance whenever you log in.

For DIY troubleshooting advice and repair guides, visit our repair help section.

Showing 10 of 34 parts

Rubber Foot#23

Unit parts Diagram

Rubber foot

Part #2901A25

The manufacturer no longer makes this part, and there's no substitute part

Strap#4

Unit parts Diagram

Strap

Part #700B176

The manufacturer no longer makes this part, and there's no substitute part

Strap#8

Unit parts Diagram

Strap

Part #700A62

The manufacturer no longer makes this part, and there's no substitute part

Retain Leg#24

Unit parts Diagram

Retain leg

Part #2901B38

The manufacturer no longer makes this part, and there's no substitute part

Chassis#17

Unit parts Diagram

Chassis

Part #700D4

The manufacturer no longer makes this part, and there's no substitute part

Screw#3

Unit parts Diagram

Screw

Part #71A24

The manufacturer no longer makes this part, and there's no substitute part

Bearing#13

Unit parts Diagram

Bearing

Part #2901A14

The manufacturer no longer makes this part, and there's no substitute part

Knob#21

Unit parts Diagram

Knob

Part #2901B15

The manufacturer no longer makes this part, and there's no substitute part

Brush Spring#6

Unit parts Diagram

Brush spring

Part #700A183

The manufacturer no longer makes this part, and there's no substitute part

Ger/shft Asm#15

Unit parts Diagram

Ger/shft asm

Part #2901A7

The manufacturer no longer makes this part, and there's no substitute part