Craftsman
Tool Sharpener

Model #351211710 Official Craftsman sharpener

Here are the diagrams and repair parts for Craftsman 351211710 sharpener, as well as links to manuals and error code tables, if available.

There are a couple of ways to find the part or diagram you need:

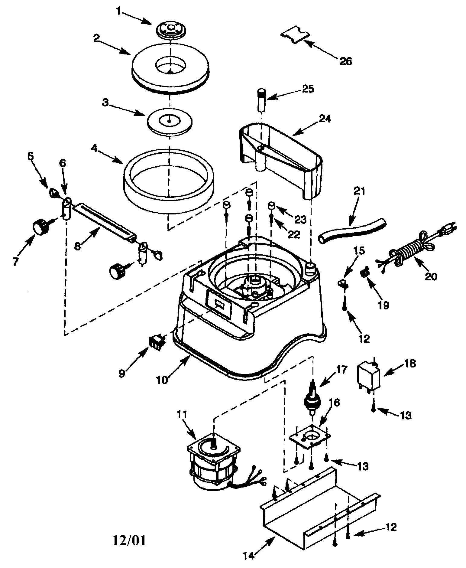
  • Click a diagram to see the parts shown on that diagram.
  • In the search box below, enter all or part of the part number or the part’s name.

Not all parts are shown on the diagrams—those parts are labeled NI, for “not illustrated”.

We encourage you to save the model to your profile, so it’s easy to access parts and manuals for your appliance whenever you log in.

For DIY troubleshooting advice and repair guides, visit our repair help section.

Showing 10 of 27 parts

Strn Rlf#19

Sharpener Diagram

Strn rlf

Part #01413.00

The manufacturer no longer makes this part, and there's no substitute part

Screw 8pk#22

Sharpener Diagram

Screw 8pk

Part #02565.00

The manufacturer no longer makes this part, and there's no substitute part

Cord Clamp#15

Sharpener Diagram

Cord clamp

Part #00620.00

The manufacturer no longer makes this part, and there's no substitute part

Line Cord#20

Sharpener Diagram

Line cord

Part #00067.00

The manufacturer no longer makes this part, and there's no substitute part

Water Res#24

Sharpener Diagram

Water res

Part #10158.00

The manufacturer no longer makes this part, and there's no substitute part

Bracket#6

Sharpener Diagram

Bracket

Part #10365.00

The manufacturer no longer makes this part, and there's no substitute part

Wheel#2

Sharpener Diagram

Wheel

Part #10361.00

The manufacturer no longer makes this part, and there's no substitute part

Wheel Nut#1

Sharpener Diagram

Wheel nut

Part #10360.00

The manufacturer no longer makes this part, and there's no substitute part

Tube#21

Sharpener Diagram

Tube

Part #10155.00

The manufacturer no longer makes this part, and there's no substitute part

Screw#13

Sharpener Diagram

Screw

Part #10372.00

The manufacturer no longer makes this part, and there's no substitute part