Craftsman
Wet/Dry Vacuum

Model #113179430 Official Craftsman 8-gallon wet/dry vacuum

Here are the diagrams and repair parts for Craftsman 113179430 8-gallon wet/dry vacuum, as well as links to manuals and error code tables, if available.

There are a couple of ways to find the part or diagram you need:

  • Click a diagram to see the parts shown on that diagram.
  • In the search box below, enter all or part of the part number or the part’s name.

Not all parts are shown on the diagrams—those parts are labeled NI, for “not illustrated”.

We encourage you to save the model to your profile, so it’s easy to access parts and manuals for your appliance whenever you log in.

For DIY troubleshooting advice and repair guides, visit our repair help section.

Owner’s manual

Showing 10 of 38 parts

Filter#2

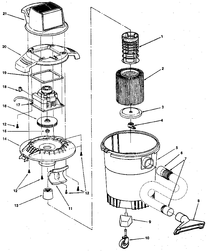
Unit Diagram

Filter

Part #9-17816

The manufacturer no longer makes this part, and there's no substitute part

Hose#7

2-1/2" diameter plastic accessories Diagram

Hose

Part #9-17818

The manufacturer no longer makes this part, and there's no substitute part

2 1/2in Hose

See All Related Diagrams

2 1/2in hose

Part #9-17820

The manufacturer no longer makes this part, and there's no substitute part

Cervce Tool#3

2-1/2" diameter plastic accessories Diagram

Cervce tool

Part #9-16902

The manufacturer no longer makes this part, and there's no substitute part

Extn Hndle

#NI

All parts Diagram

Extn hndle

Part #9-17861

The manufacturer no longer makes this part, and there's no substitute part

Car Nozzle#4

2-1/2" diameter plastic accessories Diagram

Car nozzle

Part #9-16978

The manufacturer no longer makes this part, and there's no substitute part

Car Nozzle

#NI

All parts Diagram

Car nozzle

Part #9-17868

The manufacturer no longer makes this part, and there's no substitute part

Vacuum Caster#10

Unit Diagram

Vacuum caster

Part #73137

The manufacturer no longer makes this part, and there's no substitute part

Shop Vacuum Filter Nut#4

Unit Diagram

Shop vacuum filter nut

Part #73316

The manufacturer no longer makes this part, and there's no substitute part

Hex Nut#15

Unit Diagram

Hex nut

Part #73352

The manufacturer no longer makes this part, and there's no substitute part

Symptoms common to all vacuum cleaners

Choose a symptom to see related vacuum cleaner repairs.

Main causes: damaged vacuum hose, clogged motor air filter, bad suction motor
Main causes: broken drive belt, damaged brush roll, tripped brush roll motor overload, bad brush roll motor, wiring failure
Main causes: lack of power, bad power cord, drive motor failure, wiring failure
Main causes: weak suction motor, vacuum bag is full, clog in suction air path, dirty exhaust filter, leaky vacuum hose

Articles and videos common to all vacuum cleaners

Use the advice and tips in these articles and videos to get the most out of your vacuum.

January 5, 2015

10 must-have tools for appliance repair

By Lyle Weischwill

Come see which tools made our top 10 must-haves for DIY appliance repair.

December 18, 2014

Deciding between a canister or upright vacuum

By Lyle Weischwill

Undecided about canister or upright? We compare them.

July 1, 2013

Vacuum common questions

By Lyle Weischwill

Find the answers to frequently asked questions about vacuum cleaners.