Kenmore Elite
Wall Oven/Microwave Combo

Model #79049113410 Official Kenmore Elite electric oven with microwave

Here are the diagrams and repair parts for Kenmore Elite 79049113410 electric oven with microwave, as well as links to manuals and error code tables, if available.

There are a couple of ways to find the part or diagram you need:

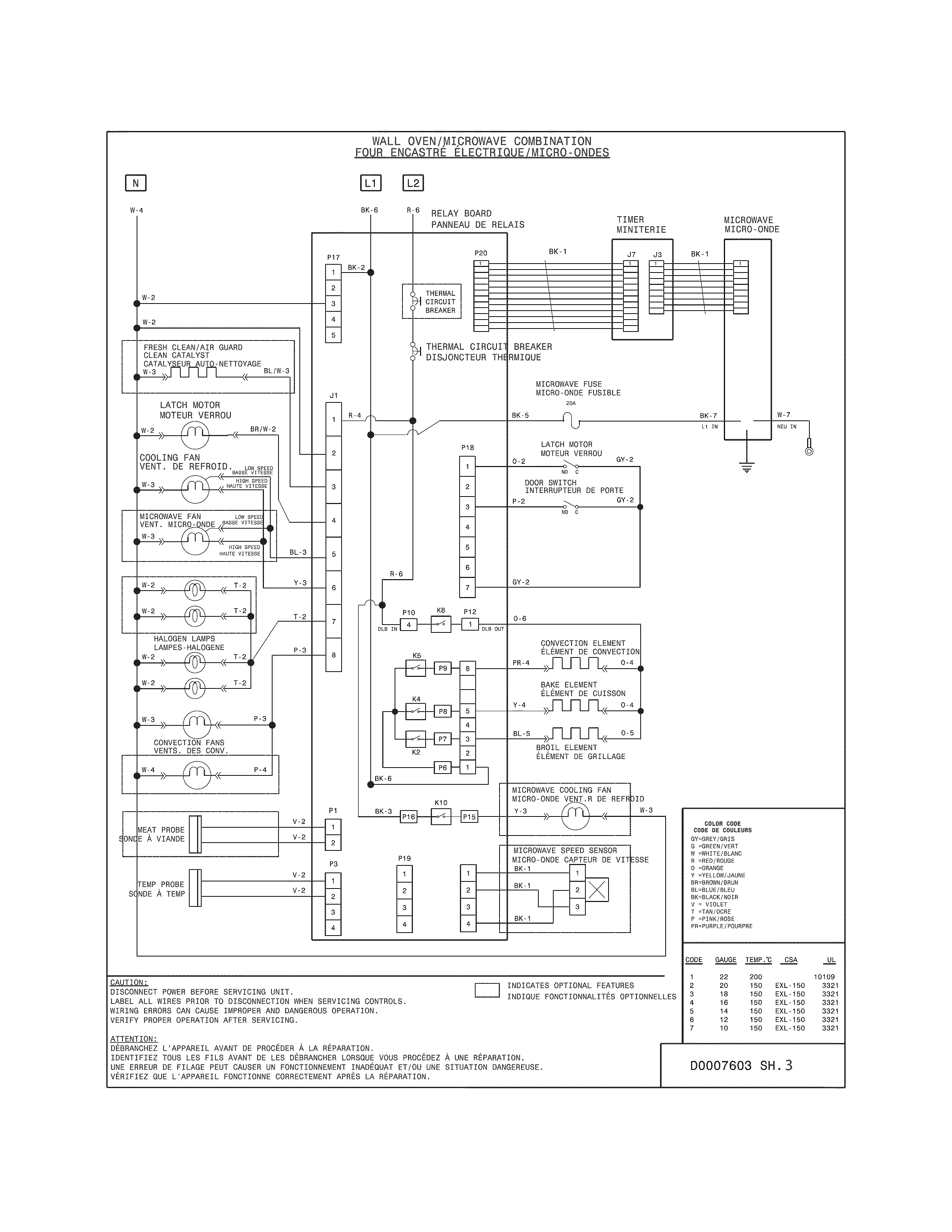
  • Click a diagram to see the parts shown on that diagram.
  • In the search box below, enter all or part of the part number or the part’s name.

Not all parts are shown on the diagrams—those parts are labeled NI, for “not illustrated”.

We encourage you to save the model to your profile, so it’s easy to access parts and manuals for your appliance whenever you log in.

For DIY troubleshooting advice and repair guides, visit our repair help section.

Installation guideOwner’s manual

Showing 10 of 247 parts

Cooking Appliance Oven Temperature Sensor#37

Lower oven Diagram

Range oven temperature sensor

Part #318562500
Replaced by #5304504897
?
Manufacturer substitution
This part replaces 318562500. Substitute parts can look different from the original.
BEST SELLER
In Stock
$28.23 | 
15% OFF 
Phone Price: $33.23
Range High-Limit Thermostat (replaces 318578501)#119

Lower oven Diagram

In Stock
$36.37 | 
12% OFF 
Phone Price: $41.37
Range Oven Meat Probe Sensor#53

Lower oven Diagram

Range oven meat probe sensor

Part #318601302
Replaced by #5304504202
?
Manufacturer substitution
This part replaces 318601302. Substitute parts can look different from the original.
BEST SELLER
In Stock
$91.79 | 
5% OFF 
Phone Price: $96.79
Range Screw

Range screw

Part #316021109
BEST SELLER
In Stock
$14.89 | 
12% OFF 
Phone Price: $16.89
Range Oven Light Bulb#NI

Lower oven Diagram

Range oven light bulb

Part #318946500
BEST SELLER
In Stock
$40.29 | 
11% OFF 
Phone Price: $45.29
Range Screw

See All Related Diagrams

Range screw

Part #316021110
Replaced by #316021109
?
Manufacturer substitution
This part replaces 316021110. Substitute parts can look different from the original.
BEST SELLER
In Stock
$14.89 | 
12% OFF 
Phone Price: $16.89
Range Screw

See All Related Diagrams

Range hex head screw, #8-18 x 3/8-in

Part #316021105
Replaced by #316021109
?
Manufacturer substitution
This part replaces 316021105. Substitute parts can look different from the original.
BEST SELLER
In Stock
$14.89 | 
12% OFF 
Phone Price: $16.89
Wall Oven Microwave Door Outer Panel Assembly (Stainless)#75

Doors Diagram

Back Order
$1039.19 | 
$10.00 OFF 
Phone Price: $1049.19
Wall Oven Control Board#20

Control Diagram

Back Order
$355.59 | 
$10.00 OFF 
Phone Price: $365.59
Range Convection Fan Blade#109

Lower oven Diagram

Blade

Part #139009100
Replaced by #318398302
?
Manufacturer substitution
This part replaces 139009100. Substitute parts can look different from the original.
In Stock
$23.89 | 
17% OFF 
Phone Price: $28.89