Maytag
Electric Range

Model #CRE9500ADE Official Maytag electric freestanding range

Here are the diagrams and repair parts for Maytag CRE9500ADE electric freestanding range, as well as links to manuals and error code tables, if available.

There are a couple of ways to find the part or diagram you need:

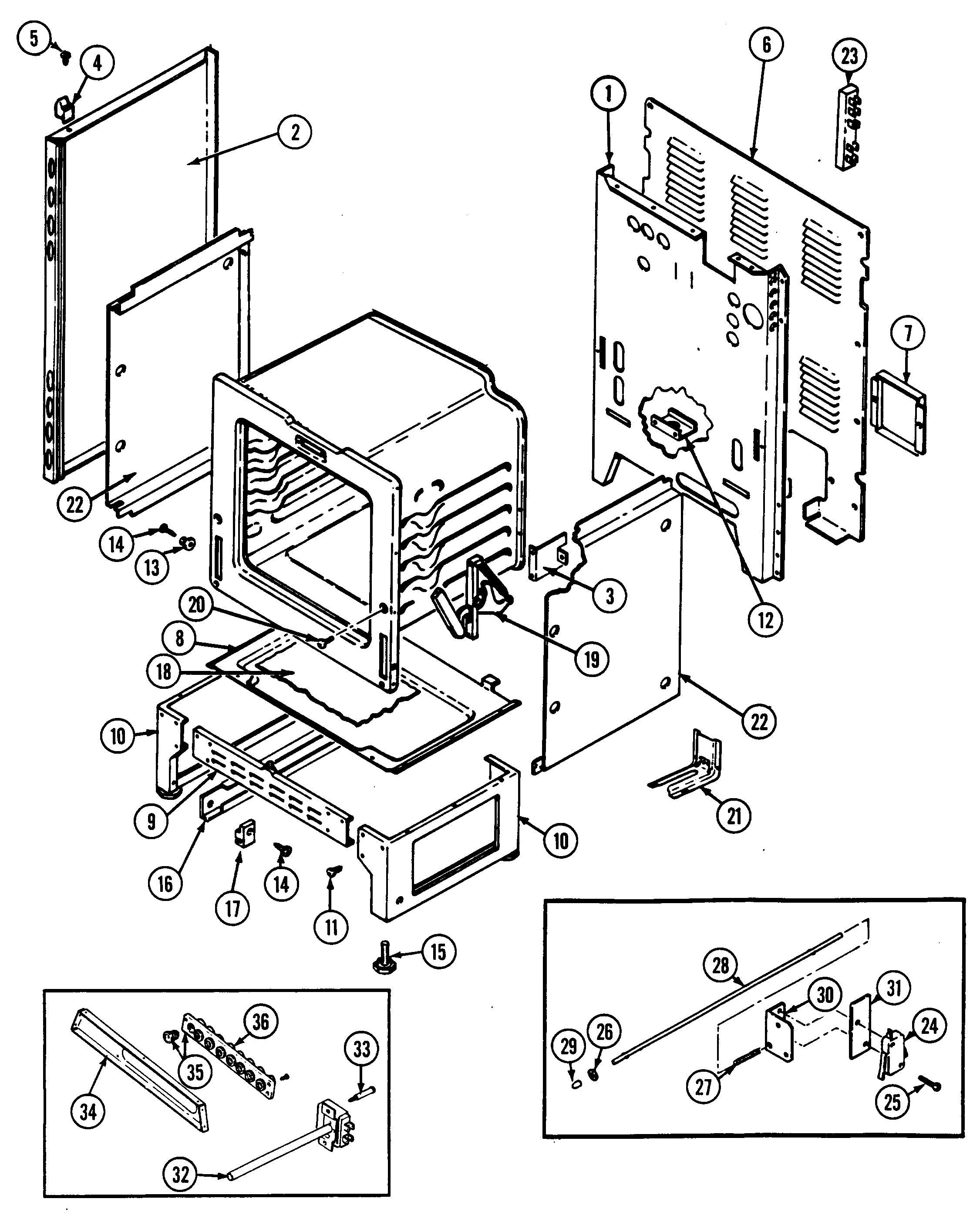
  • Click a diagram to see the parts shown on that diagram.
  • In the search box below, enter all or part of the part number or the part’s name.

Not all parts are shown on the diagrams—those parts are labeled NI, for “not illustrated”.

We encourage you to save the model to your profile, so it’s easy to access parts and manuals for your appliance whenever you log in.

For DIY troubleshooting advice and repair guides, visit our repair help section.

Error Codes

Showing 10 of 157 parts

Range Oven Temperature Sensor#5

Oven (cre9500ace, cre9500ade) Diagram

Oven sensor

Part #7430P010-60
Replaced by #12001656
?
Manufacturer substitution
This part replaces 7430P010-60. Substitute parts can look different from the original.
BEST SELLER
In Stock
$51.15 | 
9% OFF 
Phone Price: $56.15
Range Oven Door Gasket#8

Door/drawer (cre9500ace, cre9500ade) Diagram

Door gasket

Part #7201P046-60
Replaced by #WPW10162384
?
Manufacturer substitution
This part replaces 7201P046-60. Substitute parts can look different from the original.
BEST SELLER
Back Order
$62.69 | 
7% OFF 
Phone Price: $67.69
Range Terminal Block#23

Body (cre9500ace, cre9500ade) Diagram

Terminal block

Part #7401P039-60
Replaced by #WPW10245259
?
Manufacturer substitution
This part replaces 7401P039-60. Substitute parts can look different from the original.
BEST SELLER
In Stock
$28.05 | 
15% OFF 
Phone Price: $33.05
Range Anti-Tip Bracket#21

Body (cre9500ace, cre9500ade) Diagram

"bracket, ant"

Part #3801F218-51
Replaced by #WP3801F656-51
?
Manufacturer substitution
This part replaces 3801F218-51. Substitute parts can look different from the original.
This item is not returnable
In Stock
$5.59 | 
15% OFF 
Phone Price: $6.59
Range Oven Rack#6

Oven (cre9500ace, cre9500ade) Diagram

Rack

Part #7801P039-60
Replaced by #WPW10282492
?
Manufacturer substitution
This part replaces 7801P039-60. Substitute parts can look different from the original.
In Stock
$56.89 | 
8% OFF 
Phone Price: $61.89
Refrigerator Screw

See All Related Diagrams

Screw

Part #7101P290-60
Replaced by #W11233072
?
Manufacturer substitution
This part replaces 7101P290-60. Substitute parts can look different from the original.
In Stock
$16.79 | 
11% OFF 
Phone Price: $18.79
Refrigerator Screw#20

Oven (cre9500ace, cre9500ade) Diagram

Screw

Part #7101P103-60
Replaced by #W11233072
?
Manufacturer substitution
This part replaces 7101P103-60. Substitute parts can look different from the original.
In Stock
$16.79 | 
11% OFF 
Phone Price: $18.79
Refrigerator Screw#3

Control panel (cre9500ace, cre9500ade) Diagram

Screw, housi

Part #7118P015-60
Replaced by #W11233072
?
Manufacturer substitution
This part replaces 7118P015-60. Substitute parts can look different from the original.
In Stock
$16.79 | 
11% OFF 
Phone Price: $18.79
Range Surface Element Control Switch#8

Control panel (cre9500ace, cre9500ade) Diagram

Range surface element control switch

Part #7403P238-60
Replaced by #WP7403P238-60
?
Manufacturer substitution
This part replaces 7403P238-60. Substitute parts can look different from the original.
In Stock
$50.39 | 
10% OFF 
Was: $55.99
Range Indicator Light Lens#11A

Control panel (cre9500ace, cre9500ade) Diagram

Indicator lens

Part #7730P011-60
Replaced by #WP7730P011-60
?
Manufacturer substitution
This part replaces 7730P011-60. Substitute parts can look different from the original.
This item is not returnable
In Stock
$4.99 | 
17% OFF 
Phone Price: $5.99

Symptoms common to all ranges

Choose a symptom to see related range repairs.

Main causes: food splatters, spilling food on the oven door, allowing liquid to drip through oven door vent when cleaning the door
Main causes: power supply failure, blown thermal fuse, bad relay control board, damaged terminal block, wiring failure
Main causes: broken oven door lock assembly, wiring failure, electronic control board problem
Main causes: faulty temperature sensor, electronic control board problem, control thermostat failure, weak burner igniter, oven door problem
Main causes: broken broiler element, weak or broken broil burner igniter, control system failure, faulty temperature sensor, wiring failure
Main causes: power supply problem, control thermostat or electronic control board failure, broken element, bad burner igniter
Main causes: bad bake element, broken burner igniter, control system failure, blown thermal fuse, faulty temperature sensor, wiring failure

Repair guides common to all ranges

These step-by-step repair guides will help you safely fix what’s broken on your range.

July 20, 2018
Lyle Weischwill
How to replace a range oven door switch

The oven door switch detects whether the oven door is closed and helps control the oven light. Replace the switch if it doesn’t control the oven light properly.

Repair difficulty
Time required
 30 minutes or less
February 20, 2015
Lyle Weischwill
How to replace a range oven door lock assembly

Oven door not locking? You can replace the lock assembly in less than 30 minutes. Here's how.

Repair difficulty
Time required
 15 minutes or less

Articles and videos common to all ranges

Use the advice and tips in these articles and videos to get the most out of your range.

August 19, 2022

Are DIY appliance repairs safe?

Lyle Weischwill

Find out how to stay safe when repairing your appliances.

December 27, 2021

How does a self-cleaning oven work?

Lyle Weischwill

Learn how the self-clean cycle works in an oven.

May 31, 2016

Oven door won't open: troubleshooting door lock problems on a range video

Lyle R. Weischwill

Troubleshoot and repair problems with your range when your oven door locks shut and you can't get it open.