Kenmore
Boiler

Model #229963630 Official Kenmore natural gas boiler

Here are the diagrams and repair parts for Kenmore 229963630 natural gas boiler, as well as links to manuals and error code tables, if available.

There are a couple of ways to find the part or diagram you need:

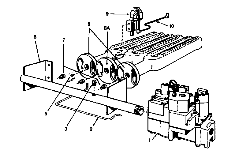
  • Click a diagram to see the parts shown on that diagram.
  • In the search box below, enter all or part of the part number or the part’s name.

Not all parts are shown on the diagrams—those parts are labeled NI, for “not illustrated”.

We encourage you to save the model to your profile, so it’s easy to access parts and manuals for your appliance whenever you log in.

For DIY troubleshooting advice and repair guides, visit our repair help section.

Showing 10 of 98 parts

Boiler Burner Roll-Out Limit Switch

#NI

All parts Diagram

Fusible link

Part #4D4283A
Replaced by #146-29-002
?
Manufacturer substitution
This part replaces 4D4283A. Substitute parts can look different from the original.
BEST SELLER
This item is not returnable
In Stock
$14.89 | 
12% OFF 
Phone Price: $16.89
Furnace Intermittent Pilot Ignition Control Module#14

Functional replacement parts Diagram

Pilot contrl

Part #S86
Replaced by #BG1600M51EF-1AA
?
Manufacturer substitution
This part replaces S86. Substitute parts can look different from the original.
In Stock
$205.62 | 
5% OFF 
Phone Price: $215.62
Boiler Combustion Chamber Blower Assembly#15

Functional replacement parts Diagram

Blower

Part #7021
Replaced by #433-00-510
?
Manufacturer substitution
This part replaces 7021. Substitute parts can look different from the original.
In Stock
$568.86
Boiler Temperature and Pressure Gauge#3

Functional replacement parts Diagram

Pr gauge

Part #588
Replaced by #1260006SP
?
Manufacturer substitution
This part replaces 588. Substitute parts can look different from the original.
In Stock
$34.65
Main Brn Orf#7B

Hi efficiency series gas burners & manifold parts Diagram

Orifice

Part #103-34
Replaced by #146-15-035
?
Manufacturer substitution
This part replaces 103-34. Substitute parts can look different from the original.
This item is not returnable
In Stock
$6.99
Tie Rod#14B

Non-functional replacement parts Diagram

Tie rod

Part #250-7
Replaced by #146-05-001
?
Manufacturer substitution
This part replaces 250-7. Substitute parts can look different from the original.
In Stock
$7.99
Orifice#7A

Hi efficiency series gas burners & manifold parts Diagram

Orifice

Part #103-32
Replaced by #146-15-037
?
Manufacturer substitution
This part replaces 103-32. Substitute parts can look different from the original.
This item is not returnable
In Stock
$6.99
Jckt Dr Knob#12

Non-functional replacement parts Diagram

Knob

Part #61-039
Replaced by #137-02-153
?
Manufacturer substitution
This part replaces 61-039. Substitute parts can look different from the original.
This item is not returnable
In Stock
$6.99
Boiler Pressure Switch#16

Functional replacement parts Diagram

Press switch

Part #PS-XE
Replaced by #146-55-006
?
Manufacturer substitution
This part replaces PS-XE. Substitute parts can look different from the original.
In Stock
$66.19 | 
7% OFF 
Phone Price: $71.19
Boiler Block Section Push Nipple#9

Non-functional replacement parts Diagram

Botm niple

Part #3
Replaced by #433-00-976
?
Manufacturer substitution
This part replaces 3. Substitute parts can look different from the original.
In Stock
$17.52