AMF
Toys & Games

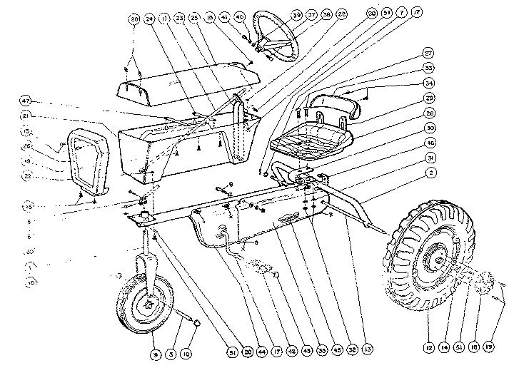
Model #G-437 Official AMF amf tractor

Here are the diagrams and repair parts for AMF G-437 amf tractor, as well as links to manuals and error code tables, if available.

There are a couple of ways to find the part or diagram you need:

  • Click a diagram to see the parts shown on that diagram.
  • In the search box below, enter all or part of the part number or the part’s name.

Not all parts are shown on the diagrams—those parts are labeled NI, for “not illustrated”.

We encourage you to save the model to your profile, so it’s easy to access parts and manuals for your appliance whenever you log in.

For DIY troubleshooting advice and repair guides, visit our repair help section.

Showing 10 of 49 parts

Nut#43

Replacement parts Diagram

Nut

Part #HH-0214

The manufacturer no longer makes this part, and there's no substitute part

Metal Clip#20

Replacement parts Diagram

Metal clip

Part #HH-0241

The manufacturer no longer makes this part, and there's no substitute part

Bolt#15

Replacement parts Diagram

Bolt

Part #HH-0711

The manufacturer no longer makes this part, and there's no substitute part

Bolt#51

Replacement parts Diagram

Bolt

Part #HH-0701

The manufacturer no longer makes this part, and there's no substitute part

Bolt#27

Replacement parts Diagram

Bolt

Part #HH-0715

The manufacturer no longer makes this part, and there's no substitute part

Flat Washer#17

Replacement parts Diagram

Flat washer

Part #HH-0984

The manufacturer no longer makes this part, and there's no substitute part

Screw#19

Replacement parts Diagram

Screw

Part #HH-0729

The manufacturer no longer makes this part, and there's no substitute part

Lock Nut#22

Replacement parts Diagram

Lock nut

Part #HH-0461

The manufacturer no longer makes this part, and there's no substitute part

Hex Nut#32

Replacement parts Diagram

Hex nut

Part #HH-0427

The manufacturer no longer makes this part, and there's no substitute part

Cotter Pin#7

Replacement parts Diagram

Cotter pin

Part #HH-0525

The manufacturer no longer makes this part, and there's no substitute part