Canon
8mm Camcorder

Model #ES3000A Official Canon 8mm camcorder

Here are the diagrams and repair parts for Canon ES3000A 8mm camcorder, as well as links to manuals and error code tables, if available.

There are a couple of ways to find the part or diagram you need:

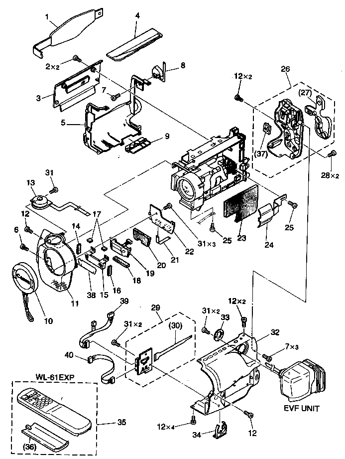
  • Click a diagram to see the parts shown on that diagram.
  • In the search box below, enter all or part of the part number or the part’s name.

Not all parts are shown on the diagrams—those parts are labeled NI, for “not illustrated”.

We encourage you to save the model to your profile, so it’s easy to access parts and manuals for your appliance whenever you log in.

For DIY troubleshooting advice and repair guides, visit our repair help section.

Showing 10 of 82 parts

Integrated Circuit#NI

Casing parts Diagram

Integrated circuit

Part #WA3-7152-000

The manufacturer no longer makes this part, and there's no substitute part

Eye Cup#29

Lens/evf assy Diagram

Eye cup

Part #DA1-7158-000

The manufacturer no longer makes this part, and there's no substitute part

Integrated Circuit#NI

Casing parts Diagram

Integrated circuit

Part #WA3-6969-000

The manufacturer no longer makes this part, and there's no substitute part

Integrated Circuit#NI

Casing parts Diagram

Integrated circuit

Part #WA4-6228-000

The manufacturer no longer makes this part, and there's no substitute part

Integrated Circuit#NI

Casing parts Diagram

Integrated circuit

Part #WA4-6701-000

The manufacturer no longer makes this part, and there's no substitute part

Cassette Cover#3

Casing parts Diagram

Cassette cover

Part #DF1-1346-000

The manufacturer no longer makes this part, and there's no substitute part

PCB Assembly#23

Lens/evf assy Diagram

Pcb assembly

Part #DG1-2759-000

The manufacturer no longer makes this part, and there's no substitute part

Fuse#NI

Casing parts Diagram

Fuse

Part #VD5-0041-601

The manufacturer no longer makes this part, and there's no substitute part

Fuse PCB#29

Casing parts Diagram

Fuse pcb

Part #DG1-2791-000

The manufacturer no longer makes this part, and there's no substitute part

Remote#35

Casing parts Diagram

Remote

Part #DY1-7767-000

The manufacturer no longer makes this part, and there's no substitute part