Craftsman
Air Compressor

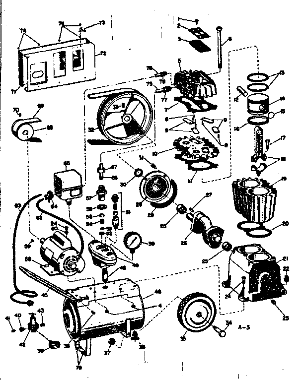
Model #106153781 Official Craftsman twin-cylinder tank-type paint sprayer

Here are the diagrams and repair parts for Craftsman 106153781 twin-cylinder tank-type paint sprayer, as well as links to manuals and error code tables, if available.

There are a couple of ways to find the part or diagram you need:

  • Click a diagram to see the parts shown on that diagram.
  • In the search box below, enter all or part of the part number or the part’s name.

Not all parts are shown on the diagrams—those parts are labeled NI, for “not illustrated”.

We encourage you to save the model to your profile, so it’s easy to access parts and manuals for your appliance whenever you log in.

For DIY troubleshooting advice and repair guides, visit our repair help section.

Showing 10 of 103 parts

Pipe Plug#14

Unit Diagram

Pipe plug

Part #STD-225

The manufacturer no longer makes this part, and there's no substitute part

Set Screw#70

Replacement parts Diagram

Set screw

Part #STD-95

The manufacturer no longer makes this part, and there's no substitute part

Bushing#40

Replacement parts Diagram

Bushing

Part #STD-64

The manufacturer no longer makes this part, and there's no substitute part

Con Rod#18

Replacement parts Diagram

Con rod

Part #VT-1

The manufacturer no longer makes this part, and there's no substitute part

Motor#58A

Replacement parts Diagram

Motor

Part #MC-58

The manufacturer no longer makes this part, and there's no substitute part

Valve Plate#10

Replacement parts Diagram

Valve plate

Part #VT-5

The manufacturer no longer makes this part, and there's no substitute part

Cap Gasket#28

Replacement parts Diagram

Cap gasket

Part #XA-32

The manufacturer no longer makes this part, and there's no substitute part

Nut Tube#67

Replacement parts Diagram

Nut tube

Part #STD-330

The manufacturer no longer makes this part, and there's no substitute part

Flappr Valve#9

Replacement parts Diagram

Flappr valve

Part #VS-18

The manufacturer no longer makes this part, and there's no substitute part

Comp Block

#NI

All parts Diagram

Comp block

Part #VT-2035

The manufacturer no longer makes this part, and there's no substitute part

Symptoms common to all air compressors

Choose a symptom to see related air compressor repairs.

Main causes: rusted air tank, loose air tube fitting connections, bad check valve, leaky safety valve, bad tank drain valve
Main causes: bad safety valve, pressure switch failure
Main causes: loose air tube fitting connections, bad check valve, faulty safety valve, damaged or corroded air tank, bad air pump
Main causes: tank drain valve open or leaking air, leaky air tank, bad safety valve, worn pump seals, bad pump valve plate
Main causes: lack of electrical power, check valve failure, bad pressure switch

Repair guides common to all air compressors

These step-by-step repair guides will help you safely fix what’s broken on your air compressor.

How to replace an air compressor pressure switch

You can replace a broken air compressor pressure switch in about 45 minutes.

Repair difficulty
Time required
 45 minutes or less
May 1, 2015
Lyle Weischwill
How to rebuild an air compressor pump

If the air compressor won't fill the tank with compressed air, rebuild the pump using these steps in about 45 minutes.

Repair difficulty
Time required
 45 minutes or less
How to replace an air compressor check valve

You can replace a defective air compressor check valve in about 10 minutes.

Repair difficulty
Time required
 15 minutes or less

Articles and videos common to all air compressors

Use the advice and tips in these articles and videos to get the most out of your air compressor.

April 24, 2015

How to reduce air compressor noise

Wayne Archer

Find out how to reduce air compressor noise.

April 21, 2015

How to maintain an oil-lubricated air compressor

Wayne Archer

See how to perform routine maintenance on your oil-lubricated air compressor.

April 21, 2015

How to maintain an oil-free air compressor

Wayne Archer

Learn how to maintain an oil-less air compressor for safe and efficient operation.