Kenmore
Central Vacuum

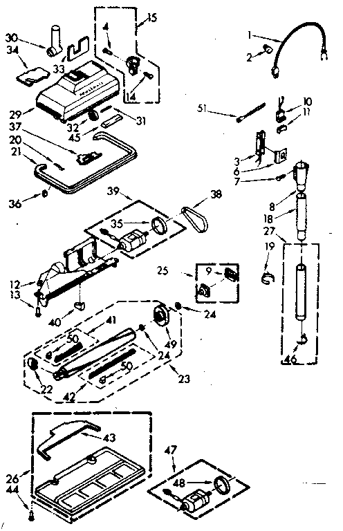
Model #11644861 Official Kenmore powermate for built-in vacuum

Here are the diagrams and repair parts for Kenmore 11644861 powermate for built-in vacuum, as well as links to manuals and error code tables, if available.

There are a couple of ways to find the part or diagram you need:

  • Click a diagram to see the parts shown on that diagram.
  • In the search box below, enter all or part of the part number or the part’s name.

Not all parts are shown on the diagrams—those parts are labeled NI, for “not illustrated”.

We encourage you to save the model to your profile, so it’s easy to access parts and manuals for your appliance whenever you log in.

For DIY troubleshooting advice and repair guides, visit our repair help section.

Showing 10 of 49 parts

Connector#2

Attachment parts Diagram

Connector

Part #596106

The manufacturer no longer makes this part, and there's no substitute part

Screw#13

Attachment parts Diagram

Screw

Part #681037

The manufacturer no longer makes this part, and there's no substitute part

Screw#44

Attachment parts Diagram

Screw

Part #681049

The manufacturer no longer makes this part, and there's no substitute part

Screw#7

Attachment parts Diagram

Screw

Part #680977

The manufacturer no longer makes this part, and there's no substitute part

Belt#48

Attachment parts Diagram

Belt

Part #722299

The manufacturer no longer makes this part, and there's no substitute part

Belt#35

Attachment parts Diagram

Belt

Part #721808

The manufacturer no longer makes this part, and there's no substitute part

Tube#12

Attachment parts Diagram

Tube

Part #721838

The manufacturer no longer makes this part, and there's no substitute part

Nozzle#29

Attachment parts Diagram

Nozzle

Part #722358

The manufacturer no longer makes this part, and there's no substitute part

Gasket#40

Attachment parts Diagram

Gasket

Part #722082

The manufacturer no longer makes this part, and there's no substitute part

Strap#51

Attachment parts Diagram

Strap

Part #721476

The manufacturer no longer makes this part, and there's no substitute part

Symptoms common to all vacuum cleaners

Choose a symptom to see related vacuum cleaner repairs.

Main causes: damaged vacuum hose, clogged motor air filter, bad suction motor
Main causes: broken drive belt, damaged brush roll, tripped brush roll motor overload, bad brush roll motor, wiring failure
Main causes: lack of power, bad power cord, drive motor failure, wiring failure
Main causes: weak suction motor, vacuum bag is full, clog in suction air path, dirty exhaust filter, leaky vacuum hose

Articles and videos common to all vacuum cleaners

Use the advice and tips in these articles and videos to get the most out of your vacuum.

January 5, 2015

10 must-have tools for appliance repair

By Lyle Weischwill

Come see which tools made our top 10 must-haves for DIY appliance repair.

December 18, 2014

Deciding between a canister or upright vacuum

By Lyle Weischwill

Undecided about canister or upright? We compare them.

July 1, 2013

Vacuum common questions

By Lyle Weischwill

Find the answers to frequently asked questions about vacuum cleaners.