KitchenAid
Dishwasher

Model #KUDS03FTWH0 Official KitchenAid dishwasher

Here are the diagrams and repair parts for KitchenAid KUDS03FTWH0 dishwasher, as well as links to manuals and error code tables, if available.

There are a couple of ways to find the part or diagram you need:

  • Click a diagram to see the parts shown on that diagram.
  • In the search box below, enter all or part of the part number or the part’s name.

Not all parts are shown on the diagrams—those parts are labeled NI, for “not illustrated”.

We encourage you to save the model to your profile, so it’s easy to access parts and manuals for your appliance whenever you log in.

For DIY troubleshooting advice and repair guides, visit our repair help section.

Installation guideOwner’s manual

Showing 10 of 208 parts

Dishwasher Door Cable Kit#9

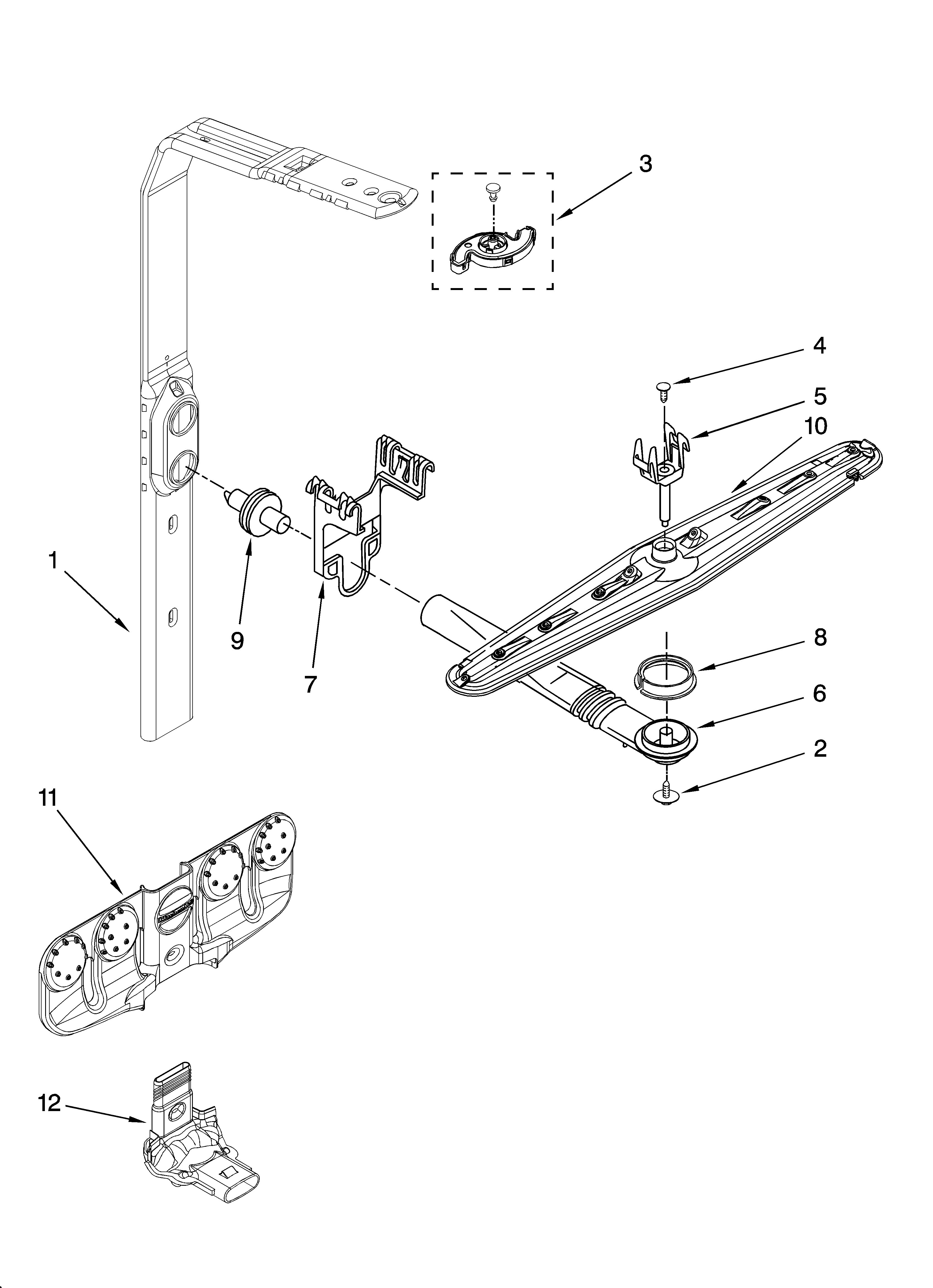
Tub and frame parts Diagram

Dishwasher door balance wheel retainer

Part #8270021
Replaced by #8194001
?
Manufacturer substitution
This part replaces 8270021. Substitute parts can look different from the original.
BEST SELLER
In Stock
$26.46 | 
16% OFF 
Phone Price: $31.46
Dishwasher Door Cable Kit#21

Tub and frame parts Diagram

Link

Part #8535568
Replaced by #8194001
?
Manufacturer substitution
This part replaces 8535568. Substitute parts can look different from the original.
BEST SELLER
In Stock
$26.46 | 
16% OFF 
Phone Price: $31.46
Dishwasher Door Cable Kit#17

Tub and frame parts Diagram

Dishwasher door balance wheel

Part #8524474
Replaced by #8194001
?
Manufacturer substitution
This part replaces 8524474. Substitute parts can look different from the original.
BEST SELLER
In Stock
$26.46 | 
16% OFF 
Phone Price: $31.46
Dishwasher Drain Pump (replaces W10348269)#17

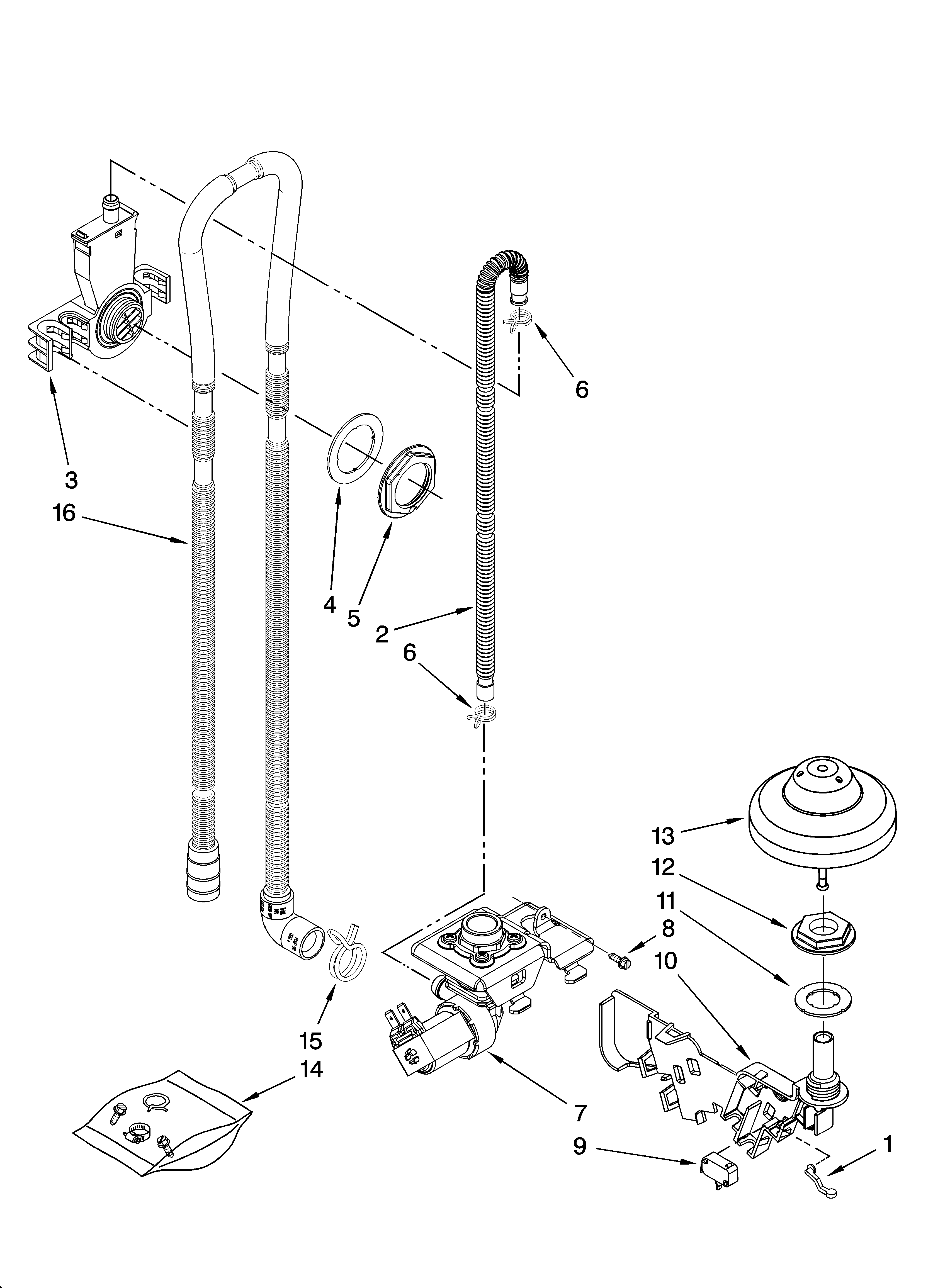
Pump and motor parts Diagram

Dishwasher drain pump

Part #661662
Replaced by #WPW10348269
?
Manufacturer substitution
This part replaces 661662. Substitute parts can look different from the original.
BEST SELLER
In Stock
$68.31 | 
7% OFF 
Phone Price: $73.31
Dishwasher Dishrack, Lower#1

Lower rack parts, optional parts (not included) Diagram

Dishrack

Part #8519680
Replaced by #W10728159
?
Manufacturer substitution
This part replaces 8519680. Substitute parts can look different from the original.
BEST SELLER
In Stock
$182.35 | 
9% OFF 
MSRP: $200.00
Dishwasher Cabinet Seal (replaces W10179427, W10835073)#7

Tub and frame parts Diagram

Seal

Part #8269110
Replaced by #W10864081
?
Manufacturer substitution
This part replaces 8269110. Substitute parts can look different from the original.
BEST SELLER
In Stock
$63.65 | 
7% OFF 
Phone Price: $68.65
Dishwasher Tine Row#6

Lower rack parts, optional parts (not included) Diagram

Dishwasher tine row

Part #8519682
Replaced by #W10728160
?
Manufacturer substitution
This part replaces 8519682. Substitute parts can look different from the original.
BEST SELLER
In Stock
$38.43 | 
12% OFF 
Phone Price: $43.43
Dishwasher Water Inlet Valve#7

Fill, drain, and overfill parts Diagram

Dishwasher water inlet valve

Part #8563405
Replaced by #WPW10158389
?
Manufacturer substitution
This part replaces 8563405. Substitute parts can look different from the original.
BEST SELLER
In Stock
$49.96 | 
15% OFF 
MSRP: $59.00
Dishwasher Thermal Fuse#3

Control panel parts Diagram

Fuse

Part #661663
Replaced by #W10258275
?
Manufacturer substitution
This part replaces 661663. Substitute parts can look different from the original.
BEST SELLER
In Stock
$20.66 | 
23% OFF 
MSRP: $27.00
Dishwasher Chopper Assembly (replaces 8268383, W10083957)#6

Pump and motor parts Diagram

Dishwasher chopper assembly

Part #W10083957
Replaced by #W10083957V
?
Manufacturer substitution
This part replaces W10083957. Substitute parts can look different from the original.
BEST SELLER
In Stock
$18.00 | 
31% OFF 
MSRP: $26.00

Symptoms common to all dishwashers

Choose a symptom to see related dishwasher repairs.

Main causes: broken door latch, tripped circuit breaker, broken heating element, faulty vent fan, sensor failure, control system problem
Main cause: damaged rack height adjuster
Main causes: damaged or stuck spray arm, leaking door seal, damaged door hinge, leaky heating element water seal, cracked water supply line
Main causes: clogged kitchen sink drain, clogged drain hose, drain check valve damaged, drain pump failure, control system problem
Main causes: water supply problem, stuck overfill float, clogged water inlet valve screen, water inlet valve failure
Main causes: glass or popcorn kernel stuck in the chopper blade, drain line vibrating against the cabinet, debris in wash pump or drain pump
Main causes: broken door spring, damaged or broken door hinge
Main causes: not using rinse aid, rinse aid dispenser failure, broken heating element, malfunctioning vent, drying fan failure
Main causes: light switch beside the sink turned off, lack of power, bad dishwasher door switch, control system failure, wiring problem

Repair guides common to all dishwashers

These step-by-step repair guides will help you safely fix what’s broken on your dishwasher.

How to replace a dishwasher door latch assembly

If the dishwasher door doesn't click shut, a broken door latch is a likely cause. Follow these instructions to replace it yourself.

Repair difficulty
Time required
 30 minutes or less
How to replace a dishwasher user interface control

The user interface control houses the selection buttons and display. If it fails, you can't select the cycle and settings. Follow these instructions to replace it yourself.

Repair difficulty
Time required
 30 minutes or less
April 1, 2014
Lyle Weischwill
How to replace a dishwasher thermal fuse

A completely dead control panel often indicates that the thermal fuse on the electronic control board is blown; follow these steps to replace a blown thermal fuse in your dishwasher.

Repair difficulty
Time required
 15 minutes or less

Articles and videos common to all dishwashers

Use the advice and tips in these articles and videos to get the most out of your dishwasher.

November 13, 2022

7 Tips to Get Your Dishwasher Ready for the Holidays

Lyle Weischwill

Find professional tips that can help you get your dishwasher ready for the holidays.

December 23, 2021

How to reset a Whirlpool dishwasher

Lyle Weischwill

Learn how to reset a Whirlpool dishwasher when its control freezes up.

August 17, 2021

How to read a wiring schematic video

Lyle Weischwill

Learn how to decipher symbols so you can buy the right part for your problem.