GE
Washer

Model #WSSH300G0WW Official GE washer

Here are the diagrams and repair parts for GE WSSH300G0WW washer, as well as links to manuals and error code tables, if available.

There are a couple of ways to find the part or diagram you need:

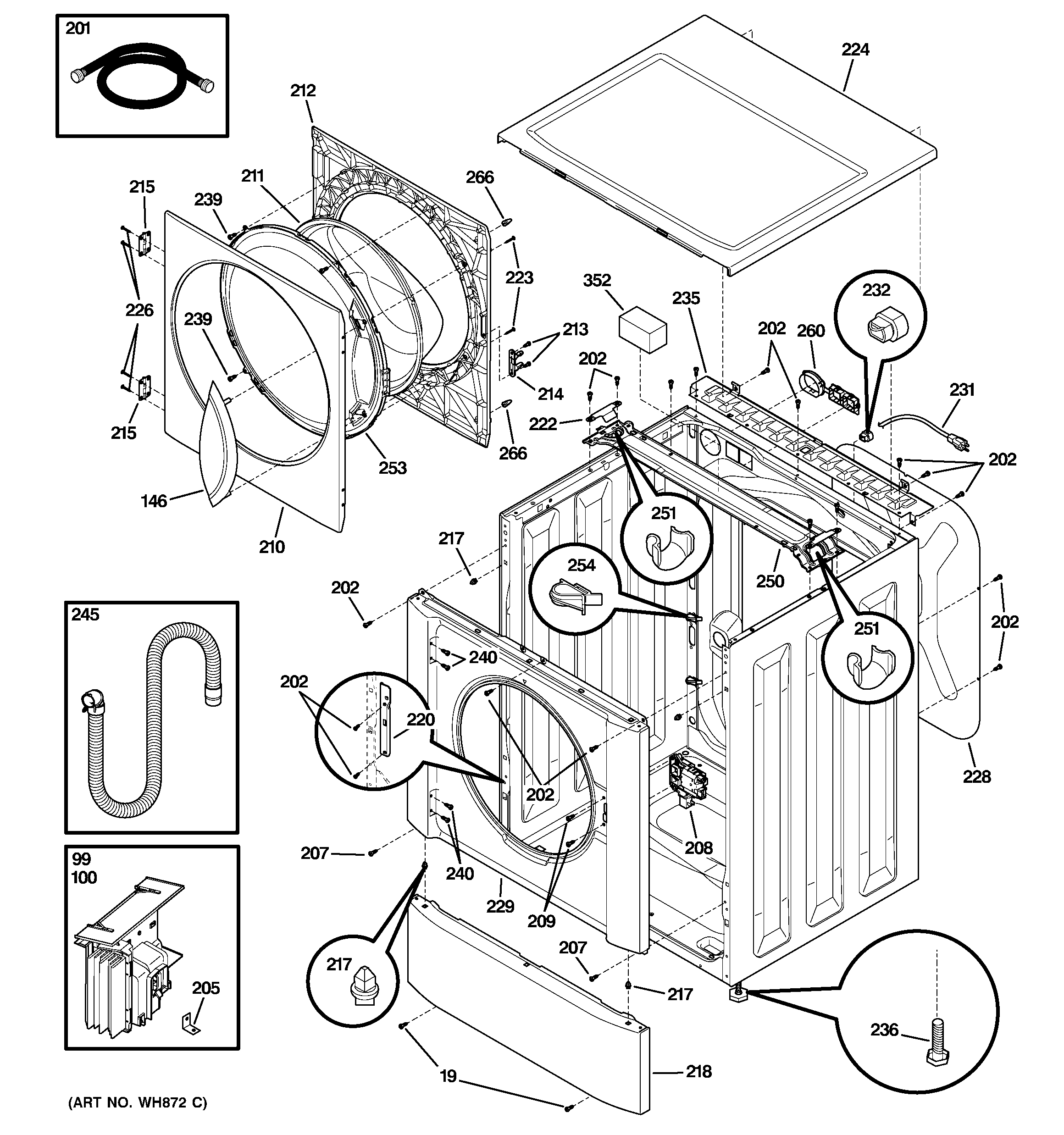
  • Click a diagram to see the parts shown on that diagram.
  • In the search box below, enter all or part of the part number or the part’s name.

Not all parts are shown on the diagrams—those parts are labeled NI, for “not illustrated”.

We encourage you to save the model to your profile, so it’s easy to access parts and manuals for your appliance whenever you log in.

For DIY troubleshooting advice and repair guides, visit our repair help section.

Owner’s manual

Showing 10 of 129 parts

Washer Shock Absorber#330

Tub & motor Diagram

Level-shock

Part #WH17X10015
Replaced by #WH17X10001
?
Manufacturer substitution
This part replaces WH17X10015. Substitute parts can look different from the original.
In Stock
$150.39 | 
6% OFF 
Phone Price: $160.39
Pressure Tube#344

Tub & motor Diagram

Pressure tube

Part #WH41X10144
In Stock
$19.62
Screw, #12#223

Cabinet, door & top Diagram

Screw, #12

Part #WH02X10250
This item is not returnable
In Stock
$59.99 | 
8% OFF 
Phone Price: $64.99
Screw,philli

See All Related Diagrams

Screw,philli

Part #WE02X10070
In Stock
$9.55
Screw#240

Cabinet, door & top Diagram

Screw

Part #WE02X10071
In Stock
$9.14
Push Spring#13

Control panel Diagram

Push spring

Part #WE01X10232
In Stock
$9.62
Screw Quad P#202

Cabinet, door & top Diagram

Screw quad p

Part #WH02X10013
This item is not returnable
In Stock
$4.35
Washer Electronic Control Board#100

Cabinet, door & top Diagram

In Stock
$466.66
Washer Pump Coin Trap#341

Tub & motor Diagram

Washer pump coin trap

Part #WH41X10151
In Stock
$62.69 | 
7% OFF 
Phone Price: $67.69
Shock Bracket#332

Tub & motor Diagram

Shock bracket

Part #WH16X10085
In Stock
$14.06

Symptoms common to all washers

Choose a symptom to see related washer repairs.

Main causes: leaky water inlet valve, faulty water-level pressure switch, bad electronic control board
Main causes: lack of electrical power, wiring failure, bad power cord, electronic control board failure, bad user interface board
Main causes: water heater failure, bad water temperature switch, faulty control board, bad water valve, faulty water temperature sensor
Main causes: unbalanced load, loose spanner nut, worn drive block, broken shock absorber or suspension spring, debris in drain pump
Main causes: broken lid switch or lid lock, bad pressure switch, broken shifter assembly, faulty control system
Main causes: clogged drain hose, house drain clogged, bad drain pump, water-level pressure switch failure, bad control board or timer
Main causes: worn agitator dogs, bad clutch, broken motor coupler, shifter assembly failure, broken door lock, suspension component failure
Main causes: no water supply, bad water valves, water-level pressure switch failure, control system failure, bad door lock or lid switch
Main causes: bad lid switch or door lock, bad timer or electronic control board, wiring failure, bad water inlet valve assembly

Articles and videos common to all washers

Use the advice and tips in these articles and videos to get the most out of your washer.

January 3, 2022

Why is my washing machine leaking when not in use?

By Lyle Weischwill

Learn how to fix a washing machine leak

December 30, 2021

How to fix a washing machine

By Lyle Weischwill

Learn how to fix your broken washing machine

April 10, 2020

Cleaning your appliances after a drinking water advisory

By Julie Riebe

Find out how to clean and flush household appliances once a boil water advisory is lifted.