Sears
Boating

Model #57559391 Official Sears trolling motor

Here are the diagrams and repair parts for Sears 57559391 trolling motor, as well as links to manuals and error code tables, if available.

There are a couple of ways to find the part or diagram you need:

  • Click a diagram to see the parts shown on that diagram.
  • In the search box below, enter all or part of the part number or the part’s name.

Not all parts are shown on the diagrams—those parts are labeled NI, for “not illustrated”.

We encourage you to save the model to your profile, so it’s easy to access parts and manuals for your appliance whenever you log in.

For DIY troubleshooting advice and repair guides, visit our repair help section.

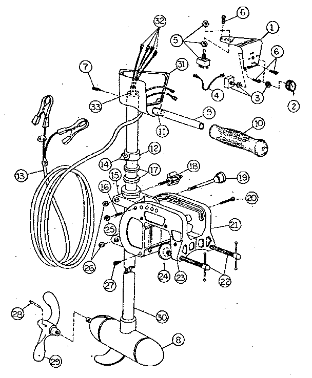
Showing 10 of 33 parts

Latch Nut#25

Troller assembly Diagram

Latch nut

Part #64-40-0011-01

The manufacturer no longer makes this part, and there's no substitute part

Clamp Screw#22

Troller assembly Diagram

Clamp screw

Part #64-58-0016-01

The manufacturer no longer makes this part, and there's no substitute part

Nut Eslok#26

Troller assembly Diagram

Nut eslok

Part #64-40-0010-01

The manufacturer no longer makes this part, and there's no substitute part

Switch Plate#1

Troller assembly Diagram

Switch plate

Part #64-47-0094-02

The manufacturer no longer makes this part, and there's no substitute part

Swivel#15

Troller assembly Diagram

Swivel

Part #64-69-0006-01

The manufacturer no longer makes this part, and there's no substitute part

Switch#3

Troller assembly Diagram

Switch

Part #64-68-0006-01

The manufacturer no longer makes this part, and there's no substitute part

Terminal#32

Troller assembly Diagram

Terminal

Part #64-14-0001-01

The manufacturer no longer makes this part, and there's no substitute part

Switch Housing#31

Troller assembly Diagram

Switch housing

Part #64-34-0004-01

The manufacturer no longer makes this part, and there's no substitute part

Set Screw#7

Troller assembly Diagram

Set screw

Part #64-58-0006-01

The manufacturer no longer makes this part, and there's no substitute part

Handle Tube#9

Troller assembly Diagram

Handle tube

Part #64-74-0010-01

The manufacturer no longer makes this part, and there's no substitute part