Ryobi
Drill/Driver

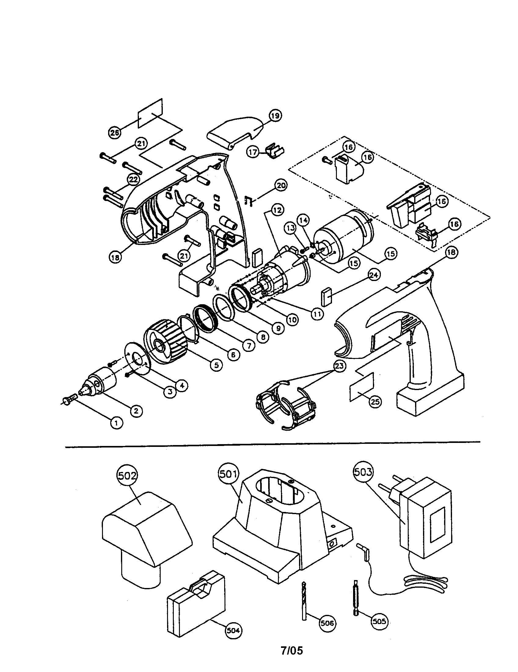
Model #CD75K Official Ryobi 7.2-v cordless drill

Here are the diagrams and repair parts for Ryobi CD75K 7.2-v cordless drill, as well as links to manuals and error code tables, if available.

There are a couple of ways to find the part or diagram you need:

  • Click a diagram to see the parts shown on that diagram.
  • In the search box below, enter all or part of the part number or the part’s name.

Not all parts are shown on the diagrams—those parts are labeled NI, for “not illustrated”.

We encourage you to save the model to your profile, so it’s easy to access parts and manuals for your appliance whenever you log in.

For DIY troubleshooting advice and repair guides, visit our repair help section.

Showing 10 of 32 parts

Bracket#23

7.2v cordless drill Diagram

Bracket

Part #4800017

The manufacturer no longer makes this part, and there's no substitute part

Carrying Case#504

7.2v cordless drill Diagram

Carrying case

Part #4770001

The manufacturer no longer makes this part, and there's no substitute part

STEEL BALL (16)#11

7.2v cordless drill Diagram

Steel ball (16)

Part #4750007

The manufacturer no longer makes this part, and there's no substitute part

Battery Pack#502

7.2v cordless drill Diagram

Battery pack

Part #4400004

The manufacturer no longer makes this part, and there's no substitute part

Gear Box Assembly#12

7.2v cordless drill Diagram

Gear box assembly

Part #4050004

The manufacturer no longer makes this part, and there's no substitute part

Clutch Cap#5

7.2v cordless drill Diagram

Clutch cap

Part #4900057

The manufacturer no longer makes this part, and there's no substitute part

MACHINE SCREW (2)#13

7.2v cordless drill Diagram

Machine screw (2)

Part #4130196

The manufacturer no longer makes this part, and there's no substitute part

Chuck,keyles#2

7.2v cordless drill Diagram

Chuck,keyles

Part #1940015

The manufacturer no longer makes this part, and there's no substitute part

KEY-STORAGE LID#19

7.2v cordless drill Diagram

Key-storage lid

Part #4880023

The manufacturer no longer makes this part, and there's no substitute part

Metal Plate#4

7.2v cordless drill Diagram

Metal plate

Part #4150016

The manufacturer no longer makes this part, and there's no substitute part