Minn Kota
Boating

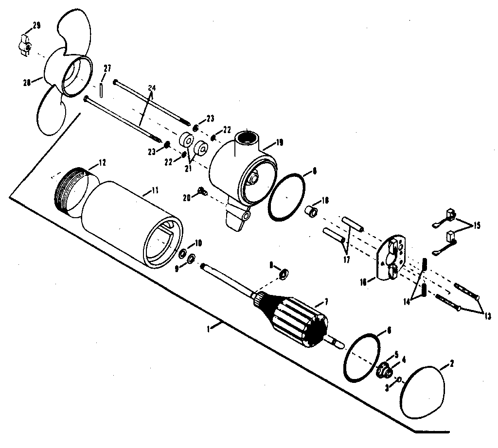
Model #55W Official Minn Kota boat motor

Here are the diagrams and repair parts for Minn Kota 55W boat motor, as well as links to manuals and error code tables, if available.

There are a couple of ways to find the part or diagram you need:

  • Click a diagram to see the parts shown on that diagram.
  • In the search box below, enter all or part of the part number or the part’s name.

Not all parts are shown on the diagrams—those parts are labeled NI, for “not illustrated”.

We encourage you to save the model to your profile, so it’s easy to access parts and manuals for your appliance whenever you log in.

For DIY troubleshooting advice and repair guides, visit our repair help section.

Showing 10 of 62 parts

Washer

#9

All parts Diagram

Washer

Part #405170

The manufacturer no longer makes this part, and there's no substitute part

E-Ring

#41

All parts Diagram

E-ring

Part #201300

The manufacturer no longer makes this part, and there's no substitute part

Speed Nut

#38

All parts Diagram

Speed nut

Part #201310

The manufacturer no longer makes this part, and there's no substitute part

Owner's Manual

#NI

All parts Diagram

Owner's manual

Part #205494

The manufacturer no longer makes this part, and there's no substitute part

Thrust Disc

#3

All parts Diagram

Thrust disc

Part #401050

The manufacturer no longer makes this part, and there's no substitute part

Rr End Bell

#19

All parts Diagram

Rr end bell

Part #405031

The manufacturer no longer makes this part, and there's no substitute part

Spacer

#17

All parts Diagram

Spacer

Part #405151

The manufacturer no longer makes this part, and there's no substitute part

Hinge

#30

All parts Diagram

Hinge

Part #203180

The manufacturer no longer makes this part, and there's no substitute part

Ctr Sec/mgnt

#11

All parts Diagram

Ctr sec/mgnt

Part #405254

The manufacturer no longer makes this part, and there's no substitute part

O-Ring

#22

All parts Diagram

O-ring

Part #405462

The manufacturer no longer makes this part, and there's no substitute part