Kenmore
Washer

Model #11029432801 Official Kenmore washer

Here are the diagrams and repair parts for Kenmore 11029432801 washer, as well as links to manuals and error code tables, if available.

There are a couple of ways to find the part or diagram you need:

  • Click a diagram to see the parts shown on that diagram.
  • In the search box below, enter all or part of the part number or the part’s name.

Not all parts are shown on the diagrams—those parts are labeled NI, for “not illustrated”.

We encourage you to save the model to your profile, so it’s easy to access parts and manuals for your appliance whenever you log in.

For DIY troubleshooting advice and repair guides, visit our repair help section.

Installation guideOwner’s manual

Showing 10 of 206 parts

Washer Agitator Dog Set (replaces 285770, 3366877)#6

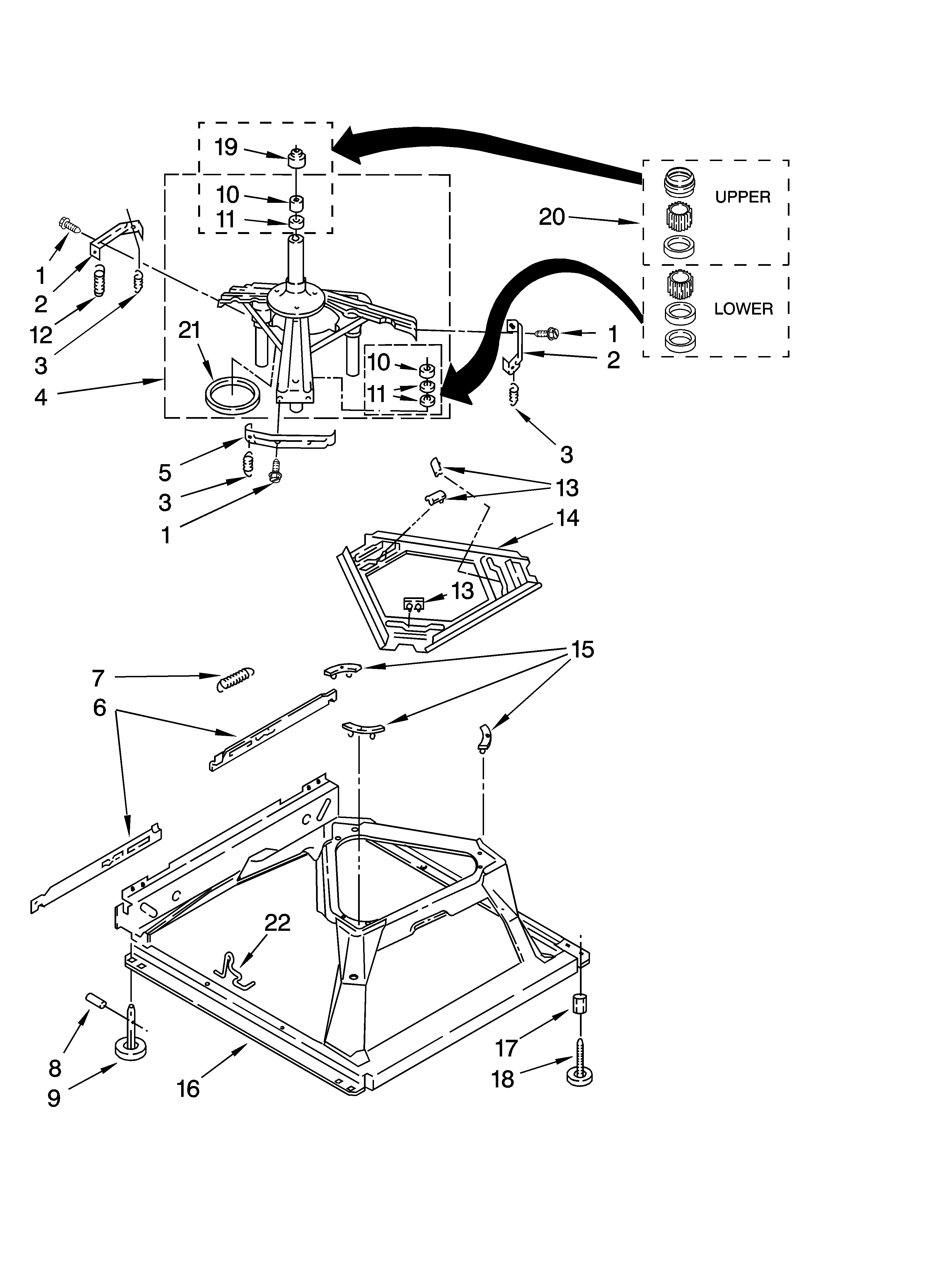
Agitator, basket and tub parts Diagram

Agitator dog

Part #3366877
Replaced by #80040
?
Manufacturer substitution
This part replaces 3366877. Substitute parts can look different from the original.
BEST SELLER
This item is not returnable
In Stock
$3.03 | 
28% OFF 
MSRP: $4.20
Washer Agitator Bolt (replaces 358237)#3

Agitator, basket and tub parts Diagram

Washer agitator bolt

Part #358237
Replaced by #WP358237
?
Manufacturer substitution
This part replaces 358237. Substitute parts can look different from the original.
BEST SELLER
This item is not returnable
In Stock
$4.23 | 
19% OFF 
Phone Price: $5.23
Washer Drain Pump (replaces 3363394)#22

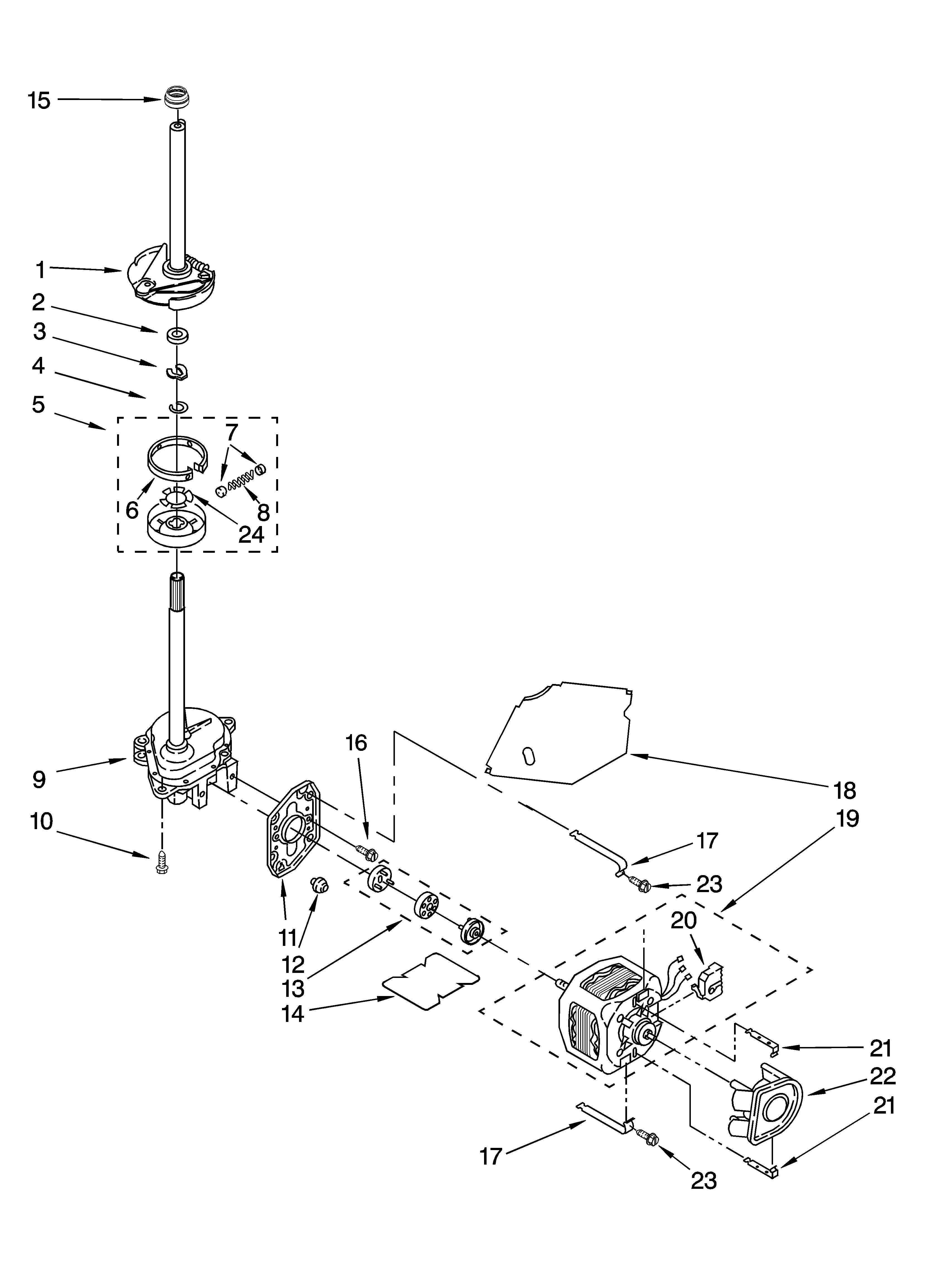
Brake, clutch, gearcase, motor and pump parts Diagram

Washer drain pump

Part #3363394
Replaced by #WP3363394
?
Manufacturer substitution
This part replaces 3363394. Substitute parts can look different from the original.
BEST SELLER
In Stock
$33.36 | 
28% OFF 
MSRP: $46.50
Washer Clutch (replaces 285761, 3951311, 3951312)#5

Brake, clutch, gearcase, motor and pump parts Diagram

Clutch

Part #3951311
Replaced by #285785
?
Manufacturer substitution
This part replaces 3951311. Substitute parts can look different from the original.
BEST SELLER
In Stock
$39.95 | 
18% OFF 
MSRP: $48.43
Washer Suspension Spring#3

Machine base parts Diagram

Washer suspension spring

Part #63907
Replaced by #WP63907
?
Manufacturer substitution
This part replaces 63907. Substitute parts can look different from the original.
BEST SELLER
This item is not returnable
In Stock
$4.06 | 
26% OFF 
MSRP: $5.50
Washer Lid Switch Assembly (replaces 8318084)#10

Top and cabinet parts Diagram

Washer lid switch assembly

Part #8318084
Replaced by #WP8318084
?
Manufacturer substitution
This part replaces 8318084. Substitute parts can look different from the original.
BEST SELLER
In Stock
$36.06 | 
12% OFF 
Phone Price: $41.06
Laundry Appliance Control Knob Clip#11

Control panel parts Diagram

Laundry appliance control knob clip

Part #8536939
Replaced by #WP8536939
?
Manufacturer substitution
This part replaces 8536939. Substitute parts can look different from the original.
BEST SELLER
This item is not returnable
In Stock
$6.39 | 
14% OFF 
Phone Price: $7.39
Washing Machine Washer#4

Agitator, basket and tub parts Diagram

Washing machine washer

Part #3949550
Replaced by #WP3949550
?
Manufacturer substitution
This part replaces 3949550. Substitute parts can look different from the original.
BEST SELLER
In Stock
$10.69 | 
16% OFF 
Phone Price: $12.69
Washer Agitator Thrust Washer#10

Agitator, basket and tub parts Diagram

Washer

Part #3350389
Replaced by #285587
?
Manufacturer substitution
This part replaces 3350389. Substitute parts can look different from the original.
BEST SELLER
This item is not returnable
In Stock
$6.69 | 
13% OFF 
Phone Price: $7.69
Appliance Spray Paint (White) (replaces 094566-64, 206923, 2780-0001, 4395978, 5303203125, 66208, 788343, 799343, 799433, 99343, A0050702, F94566-010, Y057937, Y350930)#NI

Gearcase parts, optional parts (not included) Diagram

Symptoms common to all washers

Choose a symptom to see related washer repairs.

Main causes: leaky water inlet valve, faulty water-level pressure switch, bad electronic control board
Main causes: lack of electrical power, wiring failure, bad power cord, electronic control board failure, bad user interface board
Main causes: water heater failure, bad water temperature switch, faulty control board, bad water valve, faulty water temperature sensor
Main causes: unbalanced load, loose spanner nut, worn drive block, broken shock absorber or suspension spring, debris in drain pump
Main causes: broken lid switch or lid lock, bad pressure switch, broken shifter assembly, faulty control system
Main causes: clogged drain hose, house drain clogged, bad drain pump, water-level pressure switch failure, bad control board or timer
Main causes: worn agitator dogs, bad clutch, broken motor coupler, shifter assembly failure, broken door lock, suspension component failure
Main causes: no water supply, bad water valves, water-level pressure switch failure, control system failure, bad door lock or lid switch
Main causes: bad lid switch or door lock, bad timer or electronic control board, wiring failure, bad water inlet valve assembly

Articles and videos common to all washers

Use the advice and tips in these articles and videos to get the most out of your washer.

January 3, 2022

Why is my washing machine leaking when not in use?

By Lyle Weischwill

Learn how to fix a washing machine leak

December 30, 2021

How to fix a washing machine

By Lyle Weischwill

Learn how to fix your broken washing machine

April 10, 2020

Cleaning your appliances after a drinking water advisory

By Julie Riebe

Find out how to clean and flush household appliances once a boil water advisory is lifted.