Kenmore
Washer

Model #1106114230 Official Kenmore washer

Here are the diagrams and repair parts for Kenmore 1106114230 washer, as well as links to manuals and error code tables, if available.

There are a couple of ways to find the part or diagram you need:

  • Click a diagram to see the parts shown on that diagram.
  • In the search box below, enter all or part of the part number or the part’s name.

Not all parts are shown on the diagrams—those parts are labeled NI, for “not illustrated”.

We encourage you to save the model to your profile, so it’s easy to access parts and manuals for your appliance whenever you log in.

For DIY troubleshooting advice and repair guides, visit our repair help section.

    Showing 10 of 305 parts

    Dryer Door Switch Actuator#21

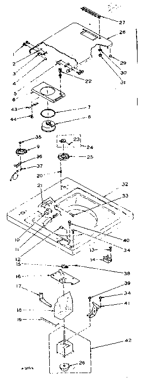
    Top and control assembly Diagram

    Lever

    Part #21018
    Replaced by #WP691581
    ?
    Manufacturer substitution
    This part replaces 21018. Substitute parts can look different from the original.
    BEST SELLER
    This item is not returnable
    In Stock
    $7.29 | 
    12% OFF 
    Phone Price: $8.29
    Washer Lid Bumper#29

    Top and control assembly Diagram

    Bumper

    Part #93770
    Replaced by #WP9724509
    ?
    Manufacturer substitution
    This part replaces 93770. Substitute parts can look different from the original.
    BEST SELLER
    This item is not returnable
    In Stock
    $4.39 | 
    19% OFF 
    Phone Price: $5.39
    Dryer Top Panel Clip#99

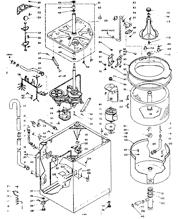
    Machine sub-assembly Diagram

    Dryer top panel clip

    Part #18776
    Replaced by #WP18776
    ?
    Manufacturer substitution
    This part replaces 18776. Substitute parts can look different from the original.
    This item is not returnable
    Back Order
    $8.39 | 
    11% OFF 
    Phone Price: $9.39
    Washer Gear Case Oil Seal#44

    Machine sub-assembly Diagram

    Shaft seal

    Part #91938
    Replaced by #WP91938
    ?
    Manufacturer substitution
    This part replaces 91938. Substitute parts can look different from the original.
    This item is not returnable
    In Stock
    $6.49 | 
    13% OFF 
    Phone Price: $7.49
    Washer Drive Belt#28

    Gearcase and brake Diagram

    Washer drive belt

    Part #95405
    Replaced by #WP95405
    ?
    Manufacturer substitution
    This part replaces 95405. Substitute parts can look different from the original.
    This item is not returnable
    In Stock
    $13.09 | 
    53% OFF 
    MSRP: $28.00
    Washer Fill Hose Seal and Screen#16

    Machine sub-assembly Diagram

    Filter washer

    Part #21092
    Replaced by #285452A
    ?
    Manufacturer substitution
    This part replaces 21092. Substitute parts can look different from the original.
    This item is not returnable
    In Stock
    $6.29 | 
    14% OFF 
    Phone Price: $7.29
    Washer Brake Cam Retainer Clip#17

    Gearcase and brake Diagram

    Ring

    Part #90368
    Replaced by #W11033823
    ?
    Manufacturer substitution
    This part replaces 90368. Substitute parts can look different from the original.
    This item is not returnable
    In Stock
    $8.39 | 
    11% OFF 
    Phone Price: $9.39
    Washer Lid Hinge Bracket#2

    Top and control assembly Diagram

    Washer lid hinge bracket

    Part #21097
    Replaced by #WP21097
    ?
    Manufacturer substitution
    This part replaces 21097. Substitute parts can look different from the original.
    This item is not returnable
    In Stock
    $6.49 | 
    13% OFF 
    Phone Price: $7.49
    Washer Water-Level Pressure Switch Hose#116

    Machine sub-assembly Diagram

    Pressure hose

    Part #23046
    Replaced by #WP353244
    ?
    Manufacturer substitution
    This part replaces 23046. Substitute parts can look different from the original.
    In Stock
    $42.79 | 
    10% OFF 
    Phone Price: $47.79
    Carriage Bolt#32A

    Machine sub-assembly Diagram

    Carriage bolt

    Part #126211

    The manufacturer no longer makes this part, and there's no substitute part

    Symptoms common to all washers

    Choose a symptom to see related washer repairs.

    Main causes: leaky water inlet valve, faulty water-level pressure switch, bad electronic control board
    Main causes: lack of electrical power, wiring failure, bad power cord, electronic control board failure, bad user interface board
    Main causes: water heater failure, bad water temperature switch, faulty control board, bad water valve, faulty water temperature sensor
    Main causes: unbalanced load, loose spanner nut, worn drive block, broken shock absorber or suspension spring, debris in drain pump
    Main causes: broken lid switch or lid lock, bad pressure switch, broken shifter assembly, faulty control system
    Main causes: clogged drain hose, house drain clogged, bad drain pump, water-level pressure switch failure, bad control board or timer
    Main causes: worn agitator dogs, bad clutch, broken motor coupler, shifter assembly failure, broken door lock, suspension component failure
    Main causes: no water supply, bad water valves, water-level pressure switch failure, control system failure, bad door lock or lid switch
    Main causes: bad lid switch or door lock, bad timer or electronic control board, wiring failure, bad water inlet valve assembly

    Articles and videos common to all washers

    Use the advice and tips in these articles and videos to get the most out of your washer.

    January 3, 2022

    Why is my washing machine leaking when not in use?

    By Lyle Weischwill

    Learn how to fix a washing machine leak

    December 30, 2021

    How to fix a washing machine

    By Lyle Weischwill

    Learn how to fix your broken washing machine

    April 10, 2020

    Cleaning your appliances after a drinking water advisory

    By Julie Riebe

    Find out how to clean and flush household appliances once a boil water advisory is lifted.