Frigidaire
Chest Freezer

Model #FFC07C2CW2 Official Frigidaire freezer

Here are the diagrams and repair parts for Frigidaire FFC07C2CW2 freezer, as well as links to manuals and error code tables, if available.

There are a couple of ways to find the part or diagram you need:

  • Click a diagram to see the parts shown on that diagram.
  • In the search box below, enter all or part of the part number or the part’s name.

Not all parts are shown on the diagrams—those parts are labeled NI, for “not illustrated”.

We encourage you to save the model to your profile, so it’s easy to access parts and manuals for your appliance whenever you log in.

For DIY troubleshooting advice and repair guides, visit our repair help section.

Error Codes

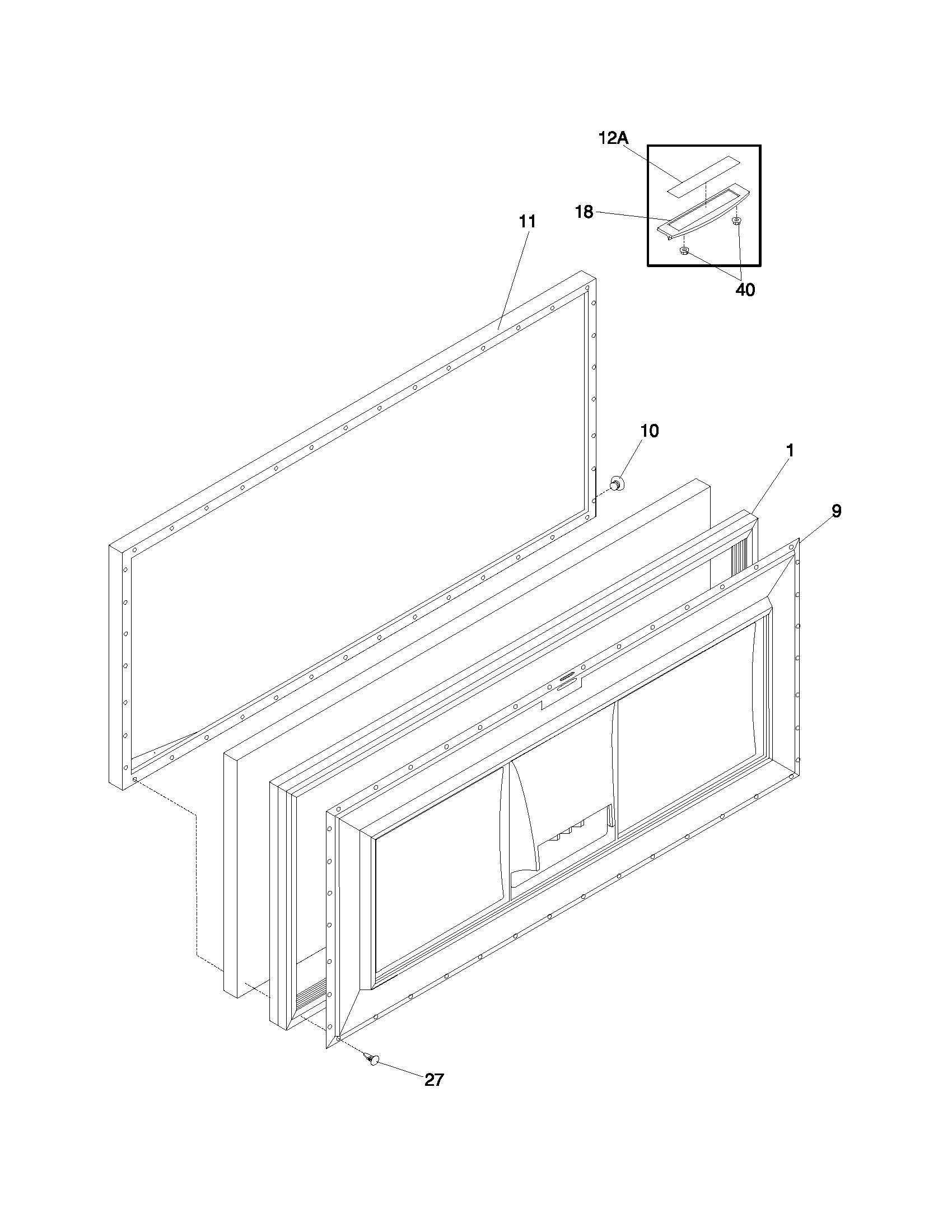
Showing 10 of 34 parts

Freezer Drain Plug#3

Cabinet Diagram

Freezer drain plug

Part #216502600
BEST SELLER
This item is not returnable
Back Order
$11.93 | 
14% OFF 
Phone Price: $13.93
Freezer Door Hinge#28

Cabinet Diagram

Hinge assembly

Part #216478800
Replaced by #297313200
?
Manufacturer substitution
This part replaces 216478800. Substitute parts can look different from the original.
BEST SELLER
In Stock
$51.99 | 
9% OFF 
Phone Price: $56.99
Appliance Touch-Up Paint, 0.6-oz (White)#NI

Cabinet Diagram

Touch paint

Part #5303305324
Replaced by #5303321319
?
Manufacturer substitution
This part replaces 5303305324. Substitute parts can look different from the original.
This item is not returnable
In Stock
$15.09 | 
12% OFF 
Phone Price: $17.09
Freezer Temperature Control Knob#18

Cabinet Diagram

In Stock
$37.39 | 
12% OFF 
Phone Price: $42.39
Freezer Temperature Control Thermostat#21

Cabinet Diagram

Freezer temperature control thermostat

Part #216787700
Replaced by #5304496559
?
Manufacturer substitution
This part replaces 216787700. Substitute parts can look different from the original.
This item is not returnable
In Stock
$41.79 | 
11% OFF 
Phone Price: $46.79
Freezer Compressor Start Relay#30

System Diagram

Upright freezer start relay

Part #216649305
Replaced by #5304492198
?
Manufacturer substitution
This part replaces 216649305. Substitute parts can look different from the original.
In Stock
$48.49 | 
9% OFF 
Phone Price: $53.49
Refrigerator Door Insulation#NI

Door Diagram

In Stock
$212.89 | 
$10.00 OFF 
Phone Price: $222.89
Freezer Lid Hole Plug#10

Door Diagram

Freezer lid hole plug

Part #216923001
In Stock
$8.39 | 
20% OFF 
Was: $10.49
Freezer Door Handle#18

Door Diagram

Freezer door handle

Part #216446600
In Stock
$32.89 | 
13% OFF 
Phone Price: $37.89
Freezer Nut#40

Door Diagram

Freezer nut

Part #216922700
This item is not returnable
In Stock
$13.31 | 
13% OFF 
Phone Price: $15.31

Symptoms common to all freestanding freezers

Choose a symptom to see related freezer repairs.

Main causes: burned out light bulb, bad door or lid switch, faulty LED light board, wiring failure, control system failure
Main causes: lack of power, bad compressor, refrigerant leak, bad thermistor, defrost system failure, dirty condenser coils, control failure
Main causes: leaky door or lid gasket, broken defrost heater, bad defrost bi-metal thermostat, defrost control failure, faulty compressor
Main causes: compressor failure, no refrigerant, faulty sensor, control failure, broken defrost heater, bad defrost bi-metal thermostat
Main causes: excessive frost, bad defrost heater, bad defrost bi-metal, control system failure, low refrigerant charge, compressor problems
Main causes: damaged door or lid gasket, cracked cabinet liner, bad defrost bi-metal thermostat, broken defrost heater, bad defrost timer
Main causes: lack of power, control system failure, broken compressor start relay, locked up compressor, compressor motor failure
Main causes: dirty condenser coils, condenser fan failure, dirty bottom front grill, leaky door or lid gasket

Repair guides for chest freezers

February 20, 2015
Lyle Weischwill
How to replace a freezer compressor start relay

The compressor start relay starts the compressor. If the compressor won’t start, follow these steps to replace a defective compressor start relay.

Repair difficulty
Time required
 15 minutes or less
How to replace a freezer temperature control thermostat

The cold control thermostat regulates the freezer temperature. A defective cold control thermostat can prevent the compressor from cycling on or off. Follow these steps to replace a defective cold control thermostat.

Repair difficulty
Time required
 15 minutes or less
February 1, 2015
Lyle Weischwill
How to replace a freezer lid gasket

The lid gasket prevents air and moisture from entering the freezer when the lid is closed. Follow these steps to replace a torn or damaged lid gasket.

Repair difficulty
Time required
 30 minutes or less

Articles and videos common to all freestanding freezers

Use the advice and tips in these articles and videos to get the most out of your freezer.

August 19, 2022

Are DIY appliance repairs safe?

Lyle Weischwill

Find out how to stay safe when repairing your appliances.

August 17, 2021

How to read a wiring schematic video

Lyle Weischwill

Learn how to decipher symbols so you can buy the right part for your problem.

December 15, 2014

5 tips for finding food in the freezer faster

Lyle R. Weischwill

Don't get chapped hands digging through the icy depths. Get organized! Here's how.