Eureka
Upright Vacuum

Model #4461AT Official Eureka vacuum cleaner

Here are the diagrams and repair parts for Eureka 4461AT vacuum cleaner, as well as links to manuals and error code tables, if available.

There are a couple of ways to find the part or diagram you need:

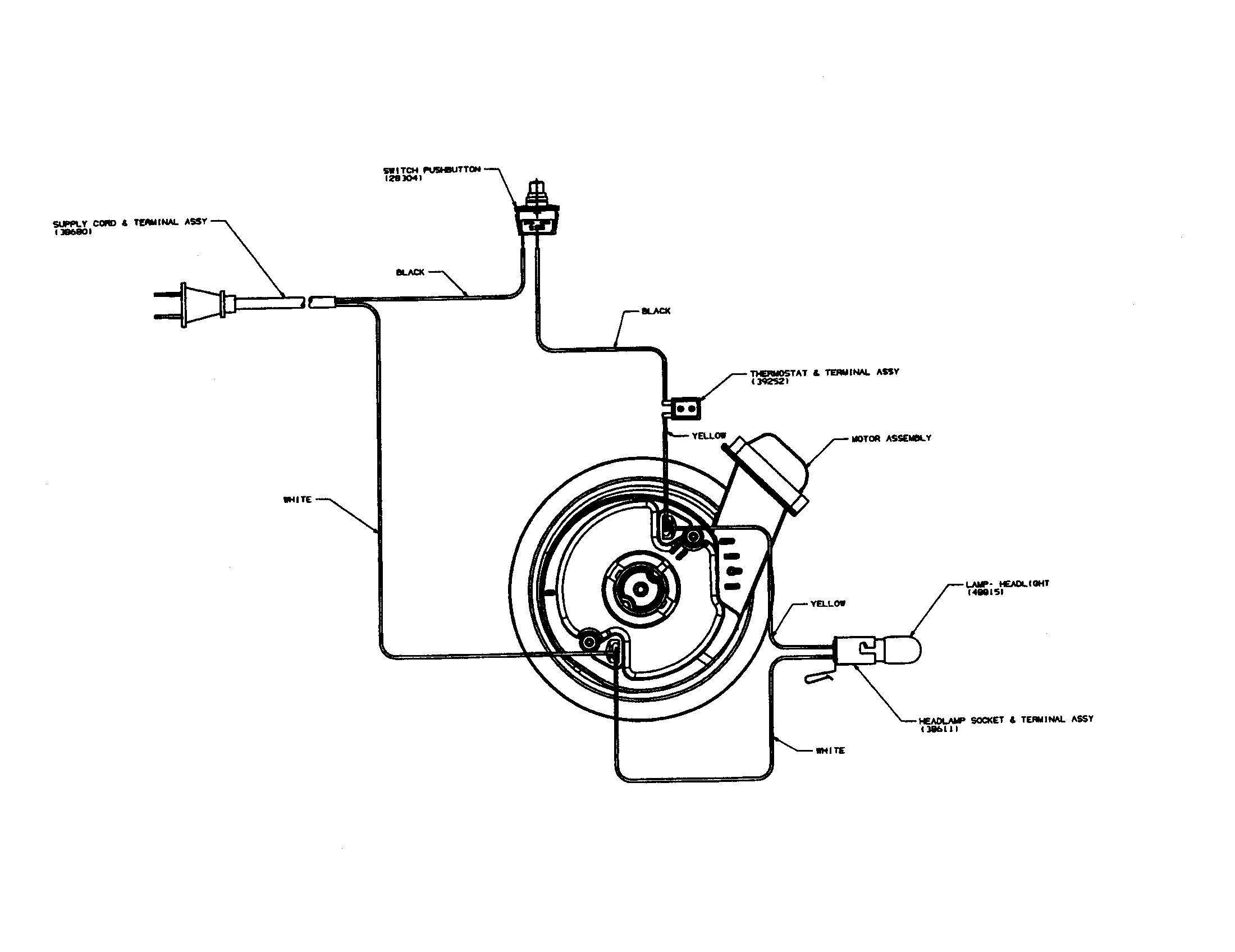
  • Click a diagram to see the parts shown on that diagram.
  • In the search box below, enter all or part of the part number or the part’s name.

Not all parts are shown on the diagrams—those parts are labeled NI, for “not illustrated”.

We encourage you to save the model to your profile, so it’s easy to access parts and manuals for your appliance whenever you log in.

For DIY troubleshooting advice and repair guides, visit our repair help section.

Showing 10 of 67 parts

Bag, 3-pack#7

Accessories Diagram

Bag, 3-pack

Part #58623A

The manufacturer no longer makes this part, and there's no substitute part

Brush-flr#8

Accessories Diagram

Brush-flr

Part #61037

The manufacturer no longer makes this part, and there's no substitute part

Gasket#4

Handle Diagram

Gasket

Part #38613

The manufacturer no longer makes this part, and there's no substitute part

Cuff Hose#14

Hood Diagram

Cuff hose

Part #27468D-119N

The manufacturer no longer makes this part, and there's no substitute part

Plunger#17A

Handle Diagram

Plunger

Part #38678-119N

The manufacturer no longer makes this part, and there's no substitute part

Shield#8D

Handle Diagram

Shield

Part #38696

The manufacturer no longer makes this part, and there's no substitute part

Rear Axle#3

Hood Diagram

Rear axle

Part #38590A

The manufacturer no longer makes this part, and there's no substitute part

Wand#3

Accessories Diagram

Wand

Part #58728B

The manufacturer no longer makes this part, and there's no substitute part

Thermostat#20

Handle Diagram

Thermostat

Part #39252-2

The manufacturer no longer makes this part, and there's no substitute part

Vacuum On/Off Switch#17

Handle Diagram

Vacuum on/off switch

Part #28304A

The manufacturer no longer makes this part, and there's no substitute part

Symptoms common to all vacuum cleaners

Choose a symptom to see related vacuum cleaner repairs.

Main causes: damaged vacuum hose, clogged motor air filter, bad suction motor
Main causes: broken drive belt, damaged brush roll, tripped brush roll motor overload, bad brush roll motor, wiring failure
Main causes: lack of power, bad power cord, drive motor failure, wiring failure
Main causes: weak suction motor, vacuum bag is full, clog in suction air path, dirty exhaust filter, leaky vacuum hose

Articles and videos common to all vacuum cleaners

Use the advice and tips in these articles and videos to get the most out of your vacuum.

January 5, 2015

10 must-have tools for appliance repair

By Lyle Weischwill

Come see which tools made our top 10 must-haves for DIY appliance repair.

December 18, 2014

Deciding between a canister or upright vacuum

By Lyle Weischwill

Undecided about canister or upright? We compare them.

July 1, 2013

Vacuum common questions

By Lyle Weischwill

Find the answers to frequently asked questions about vacuum cleaners.