Craftsman
Accessory

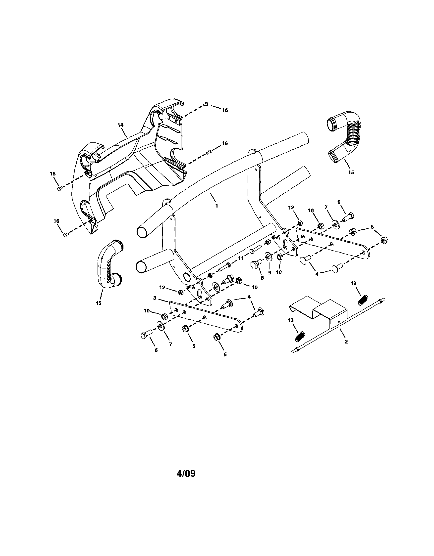
Model #917421264 Official Craftsman brush guard

Here are the diagrams and repair parts for Craftsman 917421264 brush guard, as well as links to manuals and error code tables, if available.

There are a couple of ways to find the part or diagram you need:

  • Click a diagram to see the parts shown on that diagram.
  • In the search box below, enter all or part of the part number or the part’s name.

Not all parts are shown on the diagrams—those parts are labeled NI, for “not illustrated”.

We encourage you to save the model to your profile, so it’s easy to access parts and manuals for your appliance whenever you log in.

For DIY troubleshooting advice and repair guides, visit our repair help section.

Owner’s manual

Showing 10 of 17 parts

Lawn Mower Washer#9

Brush guard Diagram

Lawn & garden equipment washer

Part #R19171616
Replaced by #596040101
?
Manufacturer substitution
This part replaces R19171616. Substitute parts can look different from the original.
BEST SELLER
This item is not returnable
In Stock
$2.16
Lawn Tractor Brush Guard End Cap#15

Brush guard Diagram

Lawn tractor brush guard end cap

Part #422752
Replaced by #28713
?
Manufacturer substitution
This part replaces 422752. Substitute parts can look different from the original.
BEST SELLER
In Stock
$10.26
Lawn Tractor Attachment Washer, 3/8-in#7

Brush guard Diagram

Lawn tractor attachment washer, 3/8-in

Part #43070
BEST SELLER
This item is not returnable
In Stock
$2.49 | 
29% OFF 
Phone Price: $3.49
Lawn & Garden Equipment Pop Rivet#16

Brush guard Diagram

Lawn & garden equipment pop rivet

Part #C-9M5732
This item is not returnable
In Stock
$2.49 | 
29% OFF 
Phone Price: $3.49
Hex Bolt#11

Brush guard Diagram

Hex bolt

Part #1509-90
This item is not returnable
In Stock
$2.16
Lawn & Garden Equipment Hex Nut#12

Brush guard Diagram

Lawn & garden equipment hex nut

Part #46978
This item is not returnable
In Stock
$2.16
Lawn Tractor Shroud#14

Brush guard Diagram

Lawn tractor shroud

Part #422753
This item is not returnable
In Stock
$20.69 | 
19% OFF 
Phone Price: $25.69
Lawn Tractor Brush Guard Latch Spring#13

Brush guard Diagram

Lawn tractor brush guard latch spring

Part #42117
This item is not returnable
In Stock
$2.49 | 
29% OFF 
Phone Price: $3.49
Lawn & Garden Equipment Lock Nut#10

Brush guard Diagram

Lawn & garden equipment lock nut

Part #43082
This item is not returnable
In Stock
$2.49 | 
29% OFF 
Phone Price: $3.49
Lawn & Garden Equipment Bolt#8

Brush guard Diagram

Lawn & garden equipment bolt

Part #48106
This item is not returnable
In Stock
$2.99 | 
25% OFF 
Phone Price: $3.99