Craftsman
Welder

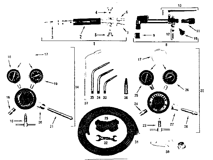
Model #313544200 Official Craftsman two-stage gas welding outfit

Here are the diagrams and repair parts for Craftsman 313544200 two-stage gas welding outfit, as well as links to manuals and error code tables, if available.

There are a couple of ways to find the part or diagram you need:

  • Click a diagram to see the parts shown on that diagram.
  • In the search box below, enter all or part of the part number or the part’s name.

Not all parts are shown on the diagrams—those parts are labeled NI, for “not illustrated”.

We encourage you to save the model to your profile, so it’s easy to access parts and manuals for your appliance whenever you log in.

For DIY troubleshooting advice and repair guides, visit our repair help section.

Showing 10 of 38 parts

Spark Lightr#30

Unit parts Diagram

Spark lightr

Part #4300009

The manufacturer no longer makes this part, and there's no substitute part

Stem#21

Unit parts Diagram

Stem

Part #9100704

The manufacturer no longer makes this part, and there's no substitute part

No 1 Htg Tip#37

Unit parts Diagram

No 1 htg tip

Part #1800660

The manufacturer no longer makes this part, and there's no substitute part

Gauge#25

Unit parts Diagram

Gauge

Part #9008475

The manufacturer no longer makes this part, and there's no substitute part

Twin Hose#31

Unit parts Diagram

Twin hose

Part #4300557

The manufacturer no longer makes this part, and there's no substitute part

Regulator#14

Unit parts Diagram

Regulator

Part #3301980

The manufacturer no longer makes this part, and there's no substitute part

Gauge#26

Unit parts Diagram

Gauge

Part #9008479

The manufacturer no longer makes this part, and there's no substitute part

Goggles#29

Unit parts Diagram

Goggles

Part #4300008

The manufacturer no longer makes this part, and there's no substitute part

Nut#27

Unit parts Diagram

Nut

Part #9002950

The manufacturer no longer makes this part, and there's no substitute part

Cuttng Tip 1#36

Unit parts Diagram

Cuttng tip 1

Part #1500415

The manufacturer no longer makes this part, and there's no substitute part