Makita
Circular Saw

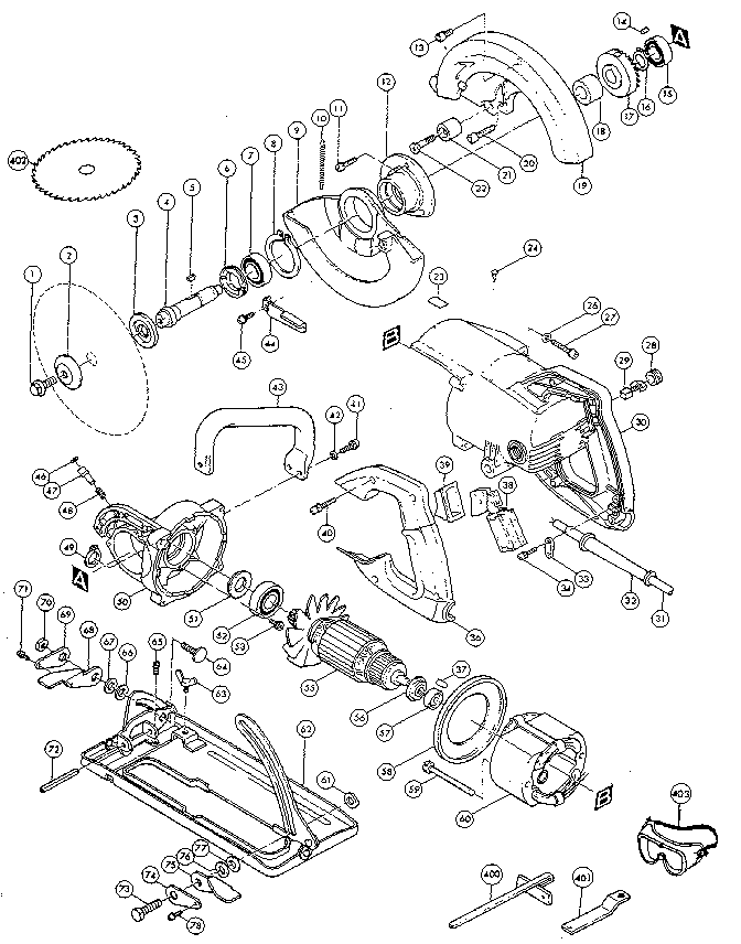
Model #5077B Official Makita hypoid saw

Here are the diagrams and repair parts for Makita 5077B hypoid saw, as well as links to manuals and error code tables, if available.

There are a couple of ways to find the part or diagram you need:

  • Click a diagram to see the parts shown on that diagram.
  • In the search box below, enter all or part of the part number or the part’s name.

Not all parts are shown on the diagrams—those parts are labeled NI, for “not illustrated”.

We encourage you to save the model to your profile, so it’s easy to access parts and manuals for your appliance whenever you log in.

For DIY troubleshooting advice and repair guides, visit our repair help section.

Showing 10 of 71 parts

Flat Washer

See All Related Diagrams

Flat washer

Part #941201-0

The manufacturer no longer makes this part, and there's no substitute part

Ring#49

Unit parts Diagram

Ring

Part #961057-5

The manufacturer no longer makes this part, and there's no substitute part

Sleeve#21

Unit parts Diagram

Sleeve

Part #262501-8

The manufacturer no longer makes this part, and there's no substitute part

Lock Plate

See All Related Diagrams

Lock plate

Part #343458-3

The manufacturer no longer makes this part, and there's no substitute part

Bolt#20

Unit parts Diagram

Bolt

Part #922341-3

The manufacturer no longer makes this part, and there's no substitute part

Pin#47

Unit parts Diagram

Pin

Part #256633-1

The manufacturer no longer makes this part, and there's no substitute part

Screw#11

Unit parts Diagram

Screw

Part #911231-5

The manufacturer no longer makes this part, and there's no substitute part

Brush Cap#28

Unit parts Diagram

Brush cap

Part #643650-4

The manufacturer no longer makes this part, and there's no substitute part

Lever Plate

See All Related Diagrams

Lever plate

Part #343357-9

The manufacturer no longer makes this part, and there's no substitute part

Bolt#1

Unit parts Diagram

Bolt

Part #265315-4

The manufacturer no longer makes this part, and there's no substitute part

Articles and videos for circular saws

June 29, 2022

Top questions about Sears and Sears PartsDirect

By Lyle Weischwill

Get answers to frequently asked questions about Sears and Sears PartsDirect.