Craftsman
Boating

Model #21758541 Official Craftsman 3-hp outboard motor

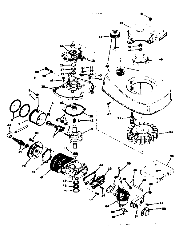
Here are the diagrams and repair parts for Craftsman 21758541 3-hp outboard motor, as well as links to manuals and error code tables, if available.

There are a couple of ways to find the part or diagram you need:

  • Click a diagram to see the parts shown on that diagram.
  • In the search box below, enter all or part of the part number or the part’s name.

Not all parts are shown on the diagrams—those parts are labeled NI, for “not illustrated”.

We encourage you to save the model to your profile, so it’s easy to access parts and manuals for your appliance whenever you log in.

For DIY troubleshooting advice and repair guides, visit our repair help section.

Showing 10 of 230 parts

Gasket#25

Carburetor Diagram

Gasket

Part #631028

The manufacturer no longer makes this part, and there's no substitute part

Float#14

Carburetor Diagram

Float

Part #631023

The manufacturer no longer makes this part, and there's no substitute part

Gasket#18

Carburetor Diagram

Gasket

Part #27554

The manufacturer no longer makes this part, and there's no substitute part

Washer

See All Related Diagrams

Washer

Part #4430

The manufacturer no longer makes this part, and there's no substitute part

Seal#26

Engine Diagram

Seal

Part #510105

The manufacturer no longer makes this part, and there's no substitute part

Lock Washer#49

Engine Diagram

Lock washer

Part #650201

The manufacturer no longer makes this part, and there's no substitute part

Gasket#22

Engine Diagram

Gasket

Part #510270

The manufacturer no longer makes this part, and there's no substitute part

Gasket#29

Engine Diagram

Gasket

Part #510217

The manufacturer no longer makes this part, and there's no substitute part

Ring#8

Engine Diagram

Ring

Part #310167

The manufacturer no longer makes this part, and there's no substitute part

Washer#28

Carburetor Diagram

Washer

Part #630739

The manufacturer no longer makes this part, and there's no substitute part