Kenmore
Central Air Conditioner

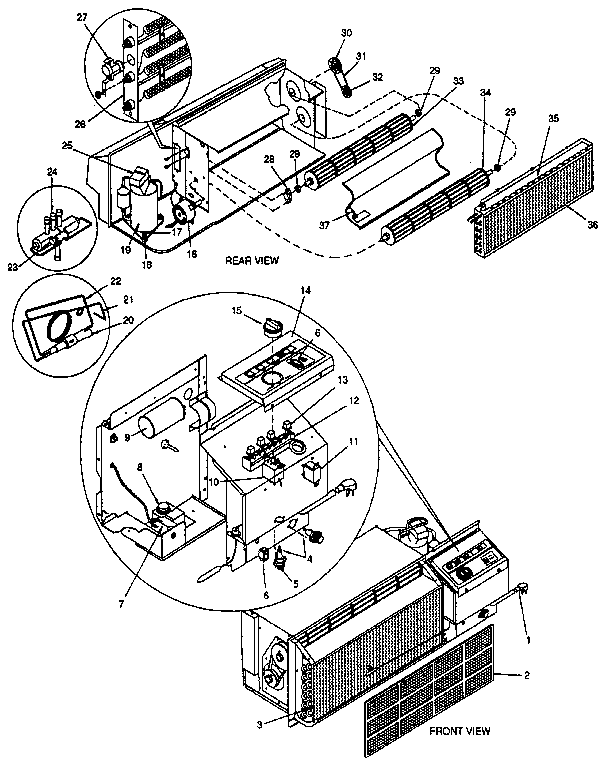
Model #867842691 Official Kenmore 230-v packaged terminal heat pump

Here are the diagrams and repair parts for Kenmore 867842691 230-v packaged terminal heat pump, as well as links to manuals and error code tables, if available.

There are a couple of ways to find the part or diagram you need:

  • Click a diagram to see the parts shown on that diagram.
  • In the search box below, enter all or part of the part number or the part’s name.

Not all parts are shown on the diagrams—those parts are labeled NI, for “not illustrated”.

We encourage you to save the model to your profile, so it’s easy to access parts and manuals for your appliance whenever you log in.

For DIY troubleshooting advice and repair guides, visit our repair help section.

Showing 10 of 55 parts

Tube Cap#22

Functional Diagram

Tube cap

Part #1058664
In Stock
$8.99
Divider#18

Non functional Diagram

Divider

Part #1060843
In Stock
$23.99
Cap Rnrd#9

Functional Diagram

Capacitor

Part #1058594
Replaced by #1094992
?
Manufacturer substitution
This part replaces 1058594. Substitute parts can look different from the original.
In Stock
$18.21
Clamp Capaci#11

Non functional Diagram

Clamp

Part #709185
Replaced by #1095021
?
Manufacturer substitution
This part replaces 709185. Substitute parts can look different from the original.
This item is not returnable
In Stock
$2.71
Relay#11

Functional Diagram

Relay

Part #43205003
Replaced by #90-384
?
Manufacturer substitution
This part replaces 43205003. Substitute parts can look different from the original.
In Stock
$25.39
Grommet Tech#18

Functional Diagram

Grommet tech

Part #1090019

The manufacturer no longer makes this part, and there's no substitute part

Housing Blow#14

Non functional Diagram

Housing blow

Part #1058836

The manufacturer no longer makes this part, and there's no substitute part

Plate Ctl Bo#19

Non functional Diagram

Plate ctl bo

Part #1058427

The manufacturer no longer makes this part, and there's no substitute part

Scroll Blwr#16

Non functional Diagram

Scroll blwr

Part #1058350

The manufacturer no longer makes this part, and there's no substitute part

Lever Vent#10

Non functional Diagram

Lever vent

Part #1058822

The manufacturer no longer makes this part, and there's no substitute part

Articles and videos common to all central air conditioners

November 30, 2022

2023 HVAC regulation changes and how they may affect you

By Lyle Weischwill

Find out how new DOE standards going into effect in 2023 can affect you and what you need to do.

October 24, 2022

Easy DIY appliance repairs that anyone can do

By Lyle Weischwill

Get advice on simple DIY fixes for appliances that you can safely do on your own.

August 5, 2022

Introducing new technical repair content that we’re developing for the Sears Technical Institute

By Lyle Weischwill

Learn about Sears Technical Institute and the advanced technical content being developed for aspiring appliance techs.