Craftsman
Tool Sharpener

Model #146669950 Official Craftsman wet machine

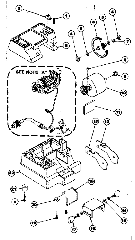
Here are the diagrams and repair parts for Craftsman 146669950 wet machine, as well as links to manuals and error code tables, if available.

There are a couple of ways to find the part or diagram you need:

  • Click a diagram to see the parts shown on that diagram.
  • In the search box below, enter all or part of the part number or the part’s name.

Not all parts are shown on the diagrams—those parts are labeled NI, for “not illustrated”.

We encourage you to save the model to your profile, so it’s easy to access parts and manuals for your appliance whenever you log in.

For DIY troubleshooting advice and repair guides, visit our repair help section.

Owner’s manual

Showing 10 of 28 parts

Bench Grinder Tool Rest#16

Unit parts Diagram

Bench grinder tool rest

Part #2905A39

The manufacturer no longer makes this part, and there's no substitute part

Rubber Foot#21

Unit parts Diagram

Rubber foot

Part #2901A25

The manufacturer no longer makes this part, and there's no substitute part

Switch

#NI

All parts Diagram

Switch

Part #2905A65

The manufacturer no longer makes this part, and there's no substitute part

Rt Brckt Asm#12

Unit parts Diagram

Rt brckt asm

Part #2905A37

The manufacturer no longer makes this part, and there's no substitute part

Bearing#4

Unit parts Diagram

Bearing

Part #2901A14

The manufacturer no longer makes this part, and there's no substitute part

Hsg Bottom#22

Unit parts Diagram

Hsg bottom

Part #2905E1

The manufacturer no longer makes this part, and there's no substitute part

Washer#5

Unit parts Diagram

Washer

Part #500A18

The manufacturer no longer makes this part, and there's no substitute part

Retainer Leg#18

Unit parts Diagram

Retainer leg

Part #2905B35

The manufacturer no longer makes this part, and there's no substitute part

Lt Brckt Asm#13

Unit parts Diagram

Lt brckt asm

Part #2905A38

The manufacturer no longer makes this part, and there's no substitute part

Knob#17

Unit parts Diagram

Knob

Part #2900A79

The manufacturer no longer makes this part, and there's no substitute part