Companion
Band Saw

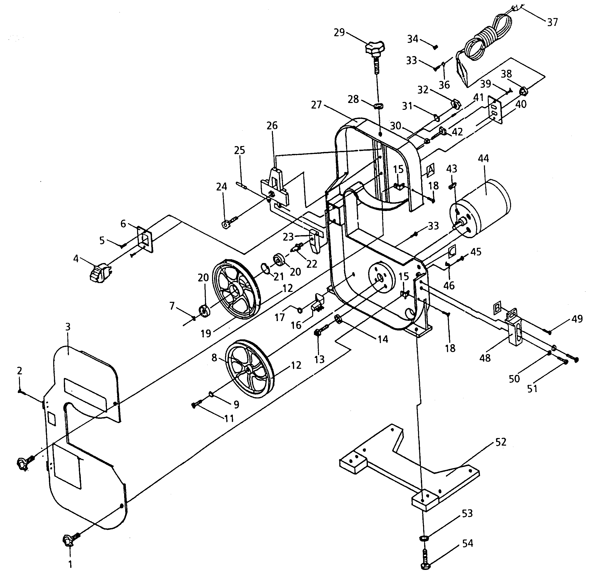
Model #31928408 Official Companion band saw

Here are the diagrams and repair parts for Companion 31928408 band saw, as well as links to manuals and error code tables, if available.

There are a couple of ways to find the part or diagram you need:

  • Click a diagram to see the parts shown on that diagram.
  • In the search box below, enter all or part of the part number or the part’s name.

Not all parts are shown on the diagrams—those parts are labeled NI, for “not illustrated”.

We encourage you to save the model to your profile, so it’s easy to access parts and manuals for your appliance whenever you log in.

For DIY troubleshooting advice and repair guides, visit our repair help section.

Showing 10 of 90 parts

Washer 8pk#96

Saw table Diagram

Washer 8pk

Part #28408096

The manufacturer no longer makes this part, and there's no substitute part

Washer 8pk#53

Saw Diagram

Washer 8pk

Part #28408053

The manufacturer no longer makes this part, and there's no substitute part

Bearing#20

Saw Diagram

Bearing

Part #28408020

The manufacturer no longer makes this part, and there's no substitute part

Hex Nut

See All Related Diagrams

Hex nut

Part #28408030

The manufacturer no longer makes this part, and there's no substitute part

Washer 8pk#14

Saw Diagram

Washer 8pk

Part #28408014

The manufacturer no longer makes this part, and there's no substitute part

Washer 8pk#36

Saw Diagram

Washer 8pk

Part #28408036

The manufacturer no longer makes this part, and there's no substitute part

Bracket#15

Saw Diagram

Bracket

Part #28408015

The manufacturer no longer makes this part, and there's no substitute part

Screw#94

Saw table Diagram

Screw

Part #28408094

The manufacturer no longer makes this part, and there's no substitute part

Hex Wrench#85

Saw table Diagram

Hex wrench

Part #28408085

The manufacturer no longer makes this part, and there's no substitute part

Bushing#38

Saw Diagram

Bushing

Part #28408038

The manufacturer no longer makes this part, and there's no substitute part

Symptoms for band saws

Choose a symptom to see related band saw repairs.

Main causes: damaged rubber tire, worn wheel bearings, loose blade tension, dull saw blade
Main causes: dull blade, improper feeding, loose blade tension, not using a work piece guide
Main causes: broken saw blade, bad drive belt, damaged rubber tire
Main causes: lack of electrical power, broken power cord, bad on/off switch, faulty drive motor
Main causes: dull blade, using the wrong type of blade, weak drive motor
Main causes: angle indicator needs adjustment, dull blade
Main causes: dull blade, using the wrong type of blade, feeding work piece to quickly, loose blade tension

Repair guides for band saws

These step-by-step repair guides will help you safely fix what’s broken on your band saw.

April 1, 2015
By Lyle Weischwill
How to replace a band saw on-off switch

If the switch won't turn the band saw on or off, it could be defective. Replace the switch, using these steps.

Repair difficulty
Time required
 15 minutes or less
April 1, 2015
By Lyle Weischwill
How to replace a band saw drive belt

If the motor runs but the blade doesn't move, it could be that the drive belt is broken. Here's how to replace it.

Repair difficulty
Time required
 15 minutes or less
April 1, 2015
By Lyle Weischwill
How to replace a band saw blade

If the saw blade is dull or damaged and isn't cutting cleanly, replace the blade following these steps.

Repair difficulty
Time required
 15 minutes or less

Articles and videos for band saws

Use the advice and tips in these articles and videos to get the most out of your band saw.

June 29, 2022

Top questions about Sears and Sears PartsDirect

By Lyle Weischwill

Get answers to frequently asked questions about Sears and Sears PartsDirect.

January 18, 2016

How to use a multimeter to test electrical parts video

By Lyle Weischwill

Learn how to use a multimeter to check for wiring problems in an appliance that's not working

April 1, 2015

Band saw common questions

By Lyle Weischwill

These answers to common questions can help you make the most of your band saw.