Frigidaire
Washer

Model #ATF6000ES1 Official Frigidaire washer

Here are the diagrams and repair parts for Frigidaire ATF6000ES1 washer, as well as links to manuals and error code tables, if available.

There are a couple of ways to find the part or diagram you need:

  • Click a diagram to see the parts shown on that diagram.
  • In the search box below, enter all or part of the part number or the part’s name.

Not all parts are shown on the diagrams—those parts are labeled NI, for “not illustrated”.

We encourage you to save the model to your profile, so it’s easy to access parts and manuals for your appliance whenever you log in.

For DIY troubleshooting advice and repair guides, visit our repair help section.

Installation guideOwner’s manual

    Showing 10 of 125 parts

    Washer Door Strike#14

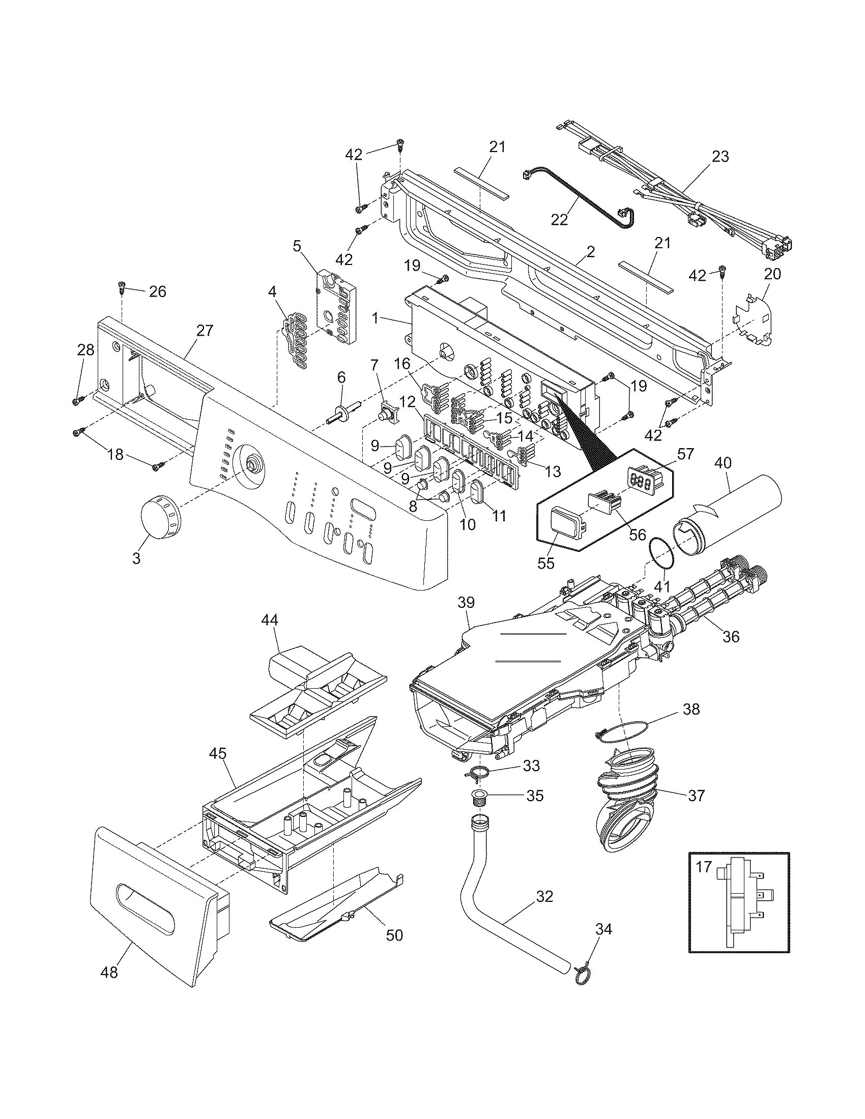
    Cabinet/top Diagram

    Washer door strike

    Part #134456600
    Replaced by #131763310
    ?
    Manufacturer substitution
    This part replaces 134456600. Substitute parts can look different from the original.
    BEST SELLER
    In Stock
    $11.24 | 
    15% OFF 
    Phone Price: $13.24
    Washer Shock Absorber Kit#30

    Motor/tub Diagram

    Shock absorber

    Part #134560400
    Replaced by #5304485917
    ?
    Manufacturer substitution
    This part replaces 134560400. Substitute parts can look different from the original.
    BEST SELLER
    In Stock
    $34.64 | 
    44% OFF 
    Was: $61.89
    Washer Door Hinge#15

    Cabinet/top Diagram

    Washer door hinge

    Part #134550800
    BEST SELLER
    In Stock
    $96.93 | 
    9% OFF 
    Phone Price: $106.93
    Washer Door Boot Kit#8

    Motor/tub Diagram

    Washer door boot kit

    Part #134515300
    BEST SELLER
    In Stock
    $223.27 | 
    $10.00 OFF 
    Phone Price: $233.27
    Washer Water Inlet Valve#36

    Control panel Diagram

    Washer water inlet valve

    Part #134371220
    BEST SELLER
    In Stock
    $77.59 | 
    6% OFF 
    Phone Price: $82.59
    Washer Outer Tub Gasket#21

    Motor/tub Diagram

    Washer outer tub gasket

    Part #134361900
    Replaced by #5304520351
    ?
    Manufacturer substitution
    This part replaces 134361900. Substitute parts can look different from the original.
    BEST SELLER
    In Stock
    $78.49 | 
    6% OFF 
    Phone Price: $83.49
    Washer Door Outer Panel#48

    Cabinet/top Diagram

    In Stock
    $123.81 | 
    20% OFF 
    Was: $154.76
    Laundry Appliance Screw, #8-18 x 31/100-in

    See All Related Diagrams

    In Stock
    $9.78 | 
    30% OFF 
    MSRP: $14.00
    Washer Drive Belt#25

    Motor/tub Diagram

    Washer drive belt

    Part #134051001
    Replaced by #134051003
    ?
    Manufacturer substitution
    This part replaces 134051001. Substitute parts can look different from the original.
    In Stock
    $59.29 | 
    8% OFF 
    Phone Price: $64.29
    Washer Door Boot Spring Clamp#7

    Motor/tub Diagram

    In Stock
    $47.79 | 
    9% OFF 
    Phone Price: $52.79

    Symptoms common to all washers

    Choose a symptom to see related washer repairs.

    Main causes: leaky water inlet valve, faulty water-level pressure switch, bad electronic control board
    Main causes: lack of electrical power, wiring failure, bad power cord, electronic control board failure, bad user interface board
    Main causes: water heater failure, bad water temperature switch, faulty control board, bad water valve, faulty water temperature sensor
    Main causes: unbalanced load, loose spanner nut, worn drive block, broken shock absorber or suspension spring, debris in drain pump
    Main causes: broken lid switch or lid lock, bad pressure switch, broken shifter assembly, faulty control system
    Main causes: clogged drain hose, house drain clogged, bad drain pump, water-level pressure switch failure, bad control board or timer
    Main causes: worn agitator dogs, bad clutch, broken motor coupler, shifter assembly failure, broken door lock, suspension component failure
    Main causes: no water supply, bad water valves, water-level pressure switch failure, control system failure, bad door lock or lid switch
    Main causes: bad lid switch or door lock, bad timer or electronic control board, wiring failure, bad water inlet valve assembly

    Articles and videos common to all washers

    Use the advice and tips in these articles and videos to get the most out of your washer.

    January 3, 2022

    Why is my washing machine leaking when not in use?

    By Lyle Weischwill

    Learn how to fix a washing machine leak

    December 30, 2021

    How to fix a washing machine

    By Lyle Weischwill

    Learn how to fix your broken washing machine

    April 10, 2020

    Cleaning your appliances after a drinking water advisory

    By Julie Riebe

    Find out how to clean and flush household appliances once a boil water advisory is lifted.