Amana
Central Air Conditioner

Model #RCF36U01A/P68446-1C Official Amana condensing unit - rcf series

Here are the diagrams and repair parts for Amana RCF36U01A-P68446-1C condensing unit - rcf series, as well as links to manuals and error code tables, if available.

There are a couple of ways to find the part or diagram you need:

  • Click a diagram to see the parts shown on that diagram.
  • In the search box below, enter all or part of the part number or the part’s name.

Not all parts are shown on the diagrams—those parts are labeled NI, for “not illustrated”.

We encourage you to save the model to your profile, so it’s easy to access parts and manuals for your appliance whenever you log in.

For DIY troubleshooting advice and repair guides, visit our repair help section.

Showing 10 of 113 parts

Appliance Hex Head Screw, 8-18 x 5/8-in#32

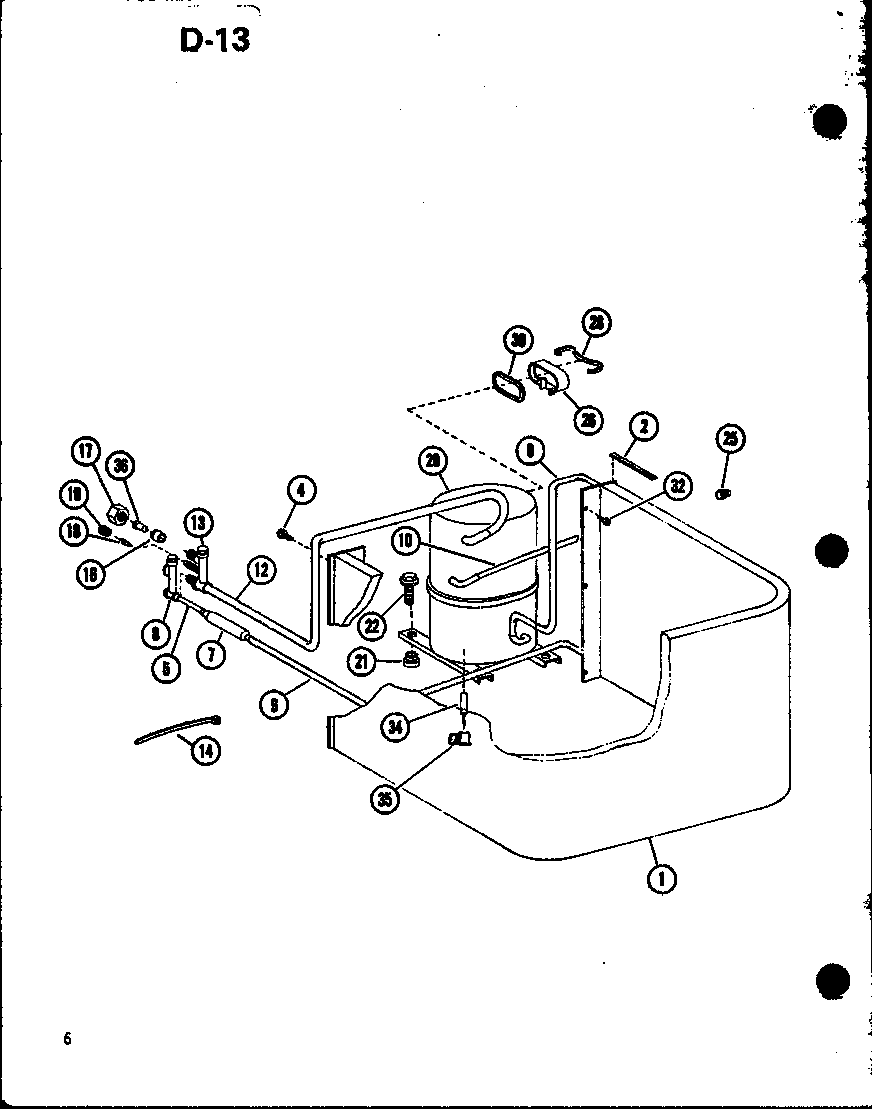
Condenser coil assembly Diagram

Screw

Part #M0213203
Replaced by #WP693995
?
Manufacturer substitution
This part replaces M0213203. Substitute parts can look different from the original.
This item is not returnable
In Stock
$4.37 | 
19% OFF 
Phone Price: $5.37
Central Air Conditioner Contactor#2

Control box Diagram

Contactor

Part #C6170004
Replaced by #CONT2P030024V5
?
Manufacturer substitution
This part replaces C6170004. Substitute parts can look different from the original.
In Stock
$59.69 | 
8% OFF 
Phone Price: $64.69
Refrigerator Screw

See All Related Diagrams

Screw

Part #M0211317
Replaced by #WP489464
?
Manufacturer substitution
This part replaces M0211317. Substitute parts can look different from the original.
This item is not returnable
In Stock
$6.49 | 
13% OFF 
Phone Price: $7.49
Refrigerator Nut#11

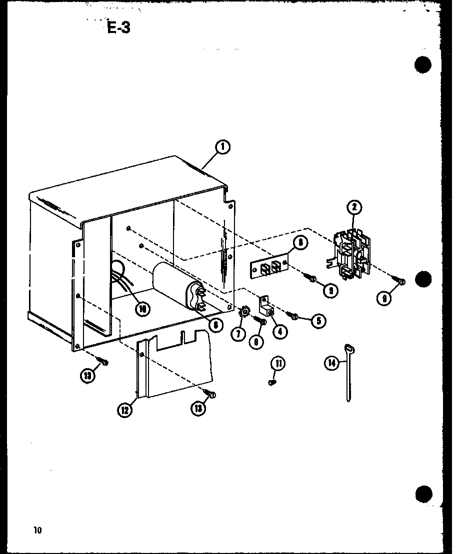
Motor mount Diagram

Use m2820-15

Part #M0282013
Replaced by #WP487939
?
Manufacturer substitution
This part replaces M0282013. Substitute parts can look different from the original.
This item is not returnable
In Stock
$4.39 | 
19% OFF 
Phone Price: $5.39
Screw

See All Related Diagrams

Screw

Part #M0216529

The manufacturer no longer makes this part, and there's no substitute part

Screw#4

Condenser coil assembly Diagram

Screw

Part #M0211016
Replaced by #M0211016
?
Manufacturer substitution
This part replaces M0211016. Substitute parts can look different from the original.
This item is not returnable
In Stock
$3.40
WIRE JOINT

See All Related Diagrams

Wire joint

Part #A0317601
Replaced by #WPA0317601
?
Manufacturer substitution
This part replaces A0317601. Substitute parts can look different from the original.
This item is not returnable
In Stock
$6.29
TUBE, CONDENSER#6

Condenser coil assembly Diagram

Tube, condenser

Part #B1340401

The manufacturer no longer makes this part, and there's no substitute part

COMPRESSOR, 1-1/2 H.P., 208/230 V., 60 HZ, TEC. AB5517G#20C

Condenser coil assembly Diagram

Compressor, 1-1/2 h.p., 208/230 v., 60 hz, tec. ab5517g

Part #D6848804

The manufacturer no longer makes this part, and there's no substitute part

Grommet#26

Cabinet Diagram

Grommet

Part #A4603801

The manufacturer no longer makes this part, and there's no substitute part

Articles and videos common to all central air conditioners

November 30, 2022

2023 HVAC regulation changes and how they may affect you

By Lyle Weischwill

Find out how new DOE standards going into effect in 2023 can affect you and what you need to do.

October 24, 2022

Easy DIY appliance repairs that anyone can do

By Lyle Weischwill

Get advice on simple DIY fixes for appliances that you can safely do on your own.

August 5, 2022

Introducing new technical repair content that we’re developing for the Sears Technical Institute

By Lyle Weischwill

Learn about Sears Technical Institute and the advanced technical content being developed for aspiring appliance techs.