Snapper
Gas Walk-Behind Mower

Model #CP215512KWV Official Snapper lawn mower

Here are the diagrams and repair parts for Snapper CP215512KWV lawn mower, as well as links to manuals and error code tables, if available.

There are a couple of ways to find the part or diagram you need:

  • Click a diagram to see the parts shown on that diagram.
  • In the search box below, enter all or part of the part number or the part’s name.

Not all parts are shown on the diagrams—those parts are labeled NI, for “not illustrated”.

We encourage you to save the model to your profile, so it’s easy to access parts and manuals for your appliance whenever you log in.

For DIY troubleshooting advice and repair guides, visit our repair help section.

Owner’s manual

    Showing 10 of 289 parts

    Snowblower Nut#43

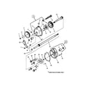
    Drive system self-propelled Diagram

    Hcln, 1/4c g

    Part #7090372
    Replaced by #703251
    ?
    Manufacturer substitution
    This part replaces 7090372. Substitute parts can look different from the original.
    BEST SELLER
    In Stock
    $7.69 | 
    12% OFF 
    Phone Price: $8.69
    Lawn Tractor Nut

    See All Related Diagrams

    Fln 5/16-18

    Part #7091601
    Replaced by #703409
    ?
    Manufacturer substitution
    This part replaces 7091601. Substitute parts can look different from the original.
    BEST SELLER
    In Stock
    $8.89 | 
    10% OFF 
    Phone Price: $9.89
    Lawn & Garden Equipment Push Nut

    See All Related Diagrams

    Pushnut 1/4

    Part #7091020
    Replaced by #704005
    ?
    Manufacturer substitution
    This part replaces 7091020. Substitute parts can look different from the original.
    This item is not returnable
    In Stock
    $7.29 | 
    12% OFF 
    Phone Price: $8.29
    Lawn & Garden Equipment Washer

    See All Related Diagrams

    Fw, .34x.69x

    Part #7091076
    Replaced by #703350
    ?
    Manufacturer substitution
    This part replaces 7091076. Substitute parts can look different from the original.
    This item is not returnable
    In Stock
    $4.59
    Lawn & Garden Equipment Washer

    See All Related Diagrams

    Washer, 11/32 x 11/16 x 1/16-in

    Part #7090188
    Replaced by #703350
    ?
    Manufacturer substitution
    This part replaces 7090188. Substitute parts can look different from the original.
    This item is not returnable
    In Stock
    $4.59
    Lawn & Garden Equipment Cotter Pin#50

    Drive system self-propelled Diagram

    Cotter pin

    Part #7091597
    Replaced by #703312
    ?
    Manufacturer substitution
    This part replaces 7091597. Substitute parts can look different from the original.
    This item is not returnable
    In Stock
    $4.44
    Lawn & Garden Equipment Bolt

    See All Related Diagrams

    Hex head cap screw

    Part #7090238
    Replaced by #703301
    ?
    Manufacturer substitution
    This part replaces 7090238. Substitute parts can look different from the original.
    This item is not returnable
    In Stock
    $4.19
    Lawn Tractor Ground Drive Belt#20

    Drive system self-propelled Diagram

    Walk-behind lawn mower engine belt

    Part #7012353
    Replaced by #7012353YP
    ?
    Manufacturer substitution
    This part replaces 7012353. Substitute parts can look different from the original.

    Get free shipping with Automatic Reorder

    In Stock
    $24.09 | 
    17% OFF 
    Phone Price: $29.09
    Lawn Mower Drive Control Cable#10

    Handles/controls Diagram

    Cable

    Part #7025013
    Replaced by #7025013YP
    ?
    Manufacturer substitution
    This part replaces 7025013. Substitute parts can look different from the original.
    In Stock
    $19.19
    Lawn Mower 21-in Deck High-Lift Blade#14

    Cutting deck, blade Diagram

    Lawn mower blade

    Part #7019795
    Replaced by #7019795BZYP
    ?
    Manufacturer substitution
    This part replaces 7019795. Substitute parts can look different from the original.

    Get free shipping with Automatic Reorder

    In Stock
    $36.69 | 
    12% OFF 
    Phone Price: $41.69

    Symptoms for gas walk-behind mowers

    Choose a symptom to see related walk-behind mower repairs.

    Main causes: uneven wheel height settings, damaged wheel, dull or damaged cutting blade
    Main causes: damaged cutting blade, loose cutting blade, damaged flywheel key, engine needs tune up
    Main causes: dirty carburetor, bad spark plug, clogged air filter, engine choke problems, clogged gas cap vent
    Main causes: engine needs tune up, dirty or clogged carburetor, damaged flywheel key
    Main causes: drive control cable failure, worn or broken drive belt, bad transmission, broken drive wheel
    Main causes: stale gas, engine needs tune up, bad spark plug, dead battery, bad recoil starter, faulty safety switch, bad ignition coil

    Repair guides for gas walk-behind mowers

    These step-by-step repair guides will help you safely fix what’s broken on your walk-behind lawn mower.

    March 1, 2016
    By Lyle Weischwill
    How to replace a lawn mower blade

    Check your lawn mower blade regularly and replaced it if it's bent or damaged.

    Repair difficulty
    Time required
     15 minutes or less
    How to replace a lawn mower ignition coil on an OHV engine

    Replace the ignition coil if it isn't sending electric current to the spark plug when you pull the recoil starter rope.

    Repair difficulty
    Time required
     30 minutes or less
    How to replace a lawn mower flywheel key on a flathead engine

    When you hit a hard object with your mower, the flywheel can shear to protect more expensive components. Learn how to replace this tiny but essential part.

    Repair difficulty
    Time required
     45 minutes or less

    Articles and videos common to all walk-behind mowers

    Use the advice and tips in these articles and videos to get the most out of your walk-behind lawn mower.

    August 30, 2022

    How to enjoy all the online benefits we offer on our Sears PartsDirect website

    By Lyle Weischwill

    Learn about all the convenient features on our Sears PartsDirect website that make your parts purchases easier.

    August 5, 2022

    Introducing new technical repair content that we’re developing for the Sears Technical Institute

    By Lyle Weischwill

    Learn about Sears Technical Institute and the advanced technical content being developed for aspiring appliance techs.

    June 29, 2022

    Top questions about Sears and Sears PartsDirect

    By Lyle Weischwill

    Get answers to frequently asked questions about Sears and Sears PartsDirect.