Craftsman
Chainsaw

Model #917353721 Official Craftsman chainsaw

Here are the diagrams and repair parts for Craftsman 917353721 chainsaw, as well as links to manuals and error code tables, if available.

There are a couple of ways to find the part or diagram you need:

  • Click a diagram to see the parts shown on that diagram.
  • In the search box below, enter all or part of the part number or the part’s name.

Not all parts are shown on the diagrams—those parts are labeled NI, for “not illustrated”.

We encourage you to save the model to your profile, so it’s easy to access parts and manuals for your appliance whenever you log in.

For DIY troubleshooting advice and repair guides, visit our repair help section.

Showing 10 of 258 parts

Screw#55

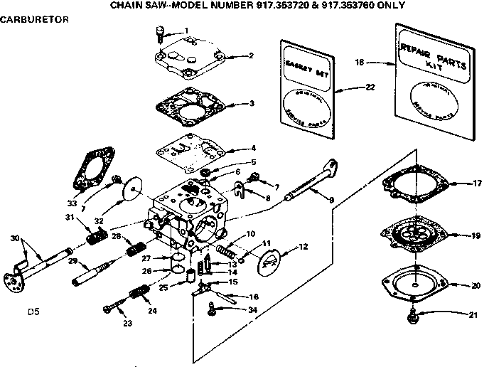
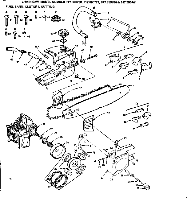
Fuel tank, clutch & cutting Diagram

Screw

Part #3243P

The manufacturer no longer makes this part, and there's no substitute part

Lock Washer, #10#31

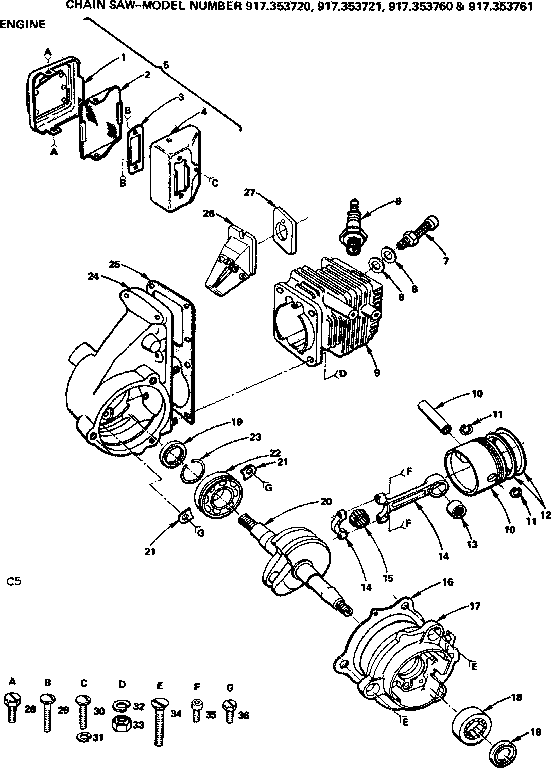
Engine Diagram

Lock washer, #10

Part #STD551110

The manufacturer no longer makes this part, and there's no substitute part

Roll Pin

See All Related Diagrams

Roll pin

Part #507H

The manufacturer no longer makes this part, and there's no substitute part

O-Ring#21

Carburetor chamber & oiling system Diagram

O-ring

Part #9106H

The manufacturer no longer makes this part, and there's no substitute part

Cap O-ring#39

Carburetor chamber & oiling system Diagram

Cap o-ring

Part #7713H

The manufacturer no longer makes this part, and there's no substitute part

Lock Nut, 1/4-20#61

Fuel tank, clutch & cutting Diagram

Lock nut, 1/4-20

Part #STD541425

The manufacturer no longer makes this part, and there's no substitute part

Screw#28

Engine Diagram

Screw

Part #5573P

The manufacturer no longer makes this part, and there's no substitute part

Woodruff Key#21

Replacement parts Diagram

Woodruff key

Part #9087H

The manufacturer no longer makes this part, and there's no substitute part

Nut#46

Carburetor chamber & oiling system Diagram

Nut

Part #5523H

The manufacturer no longer makes this part, and there's no substitute part

Screw#54

Fuel tank, clutch & cutting Diagram

Screw

Part #4526P

The manufacturer no longer makes this part, and there's no substitute part

Articles and videos common to all chainsaws

July 12, 2022

What are the most common replacement parts for chainsaws?

By Lyle Weischwill

Learn about the most common replacement parts for chainsaws and how they can help you fix chainsaw problems.

June 29, 2022

Top questions about Sears and Sears PartsDirect

By Lyle Weischwill

Get answers to frequently asked questions about Sears and Sears PartsDirect.