GE
Built-In Microwave

Model #ZSC2200NBB02 Official GE microwave

Here are the diagrams and repair parts for GE ZSC2200NBB02 microwave, as well as links to manuals and error code tables, if available.

There are a couple of ways to find the part or diagram you need:

  • Click a diagram to see the parts shown on that diagram.
  • In the search box below, enter all or part of the part number or the part’s name.

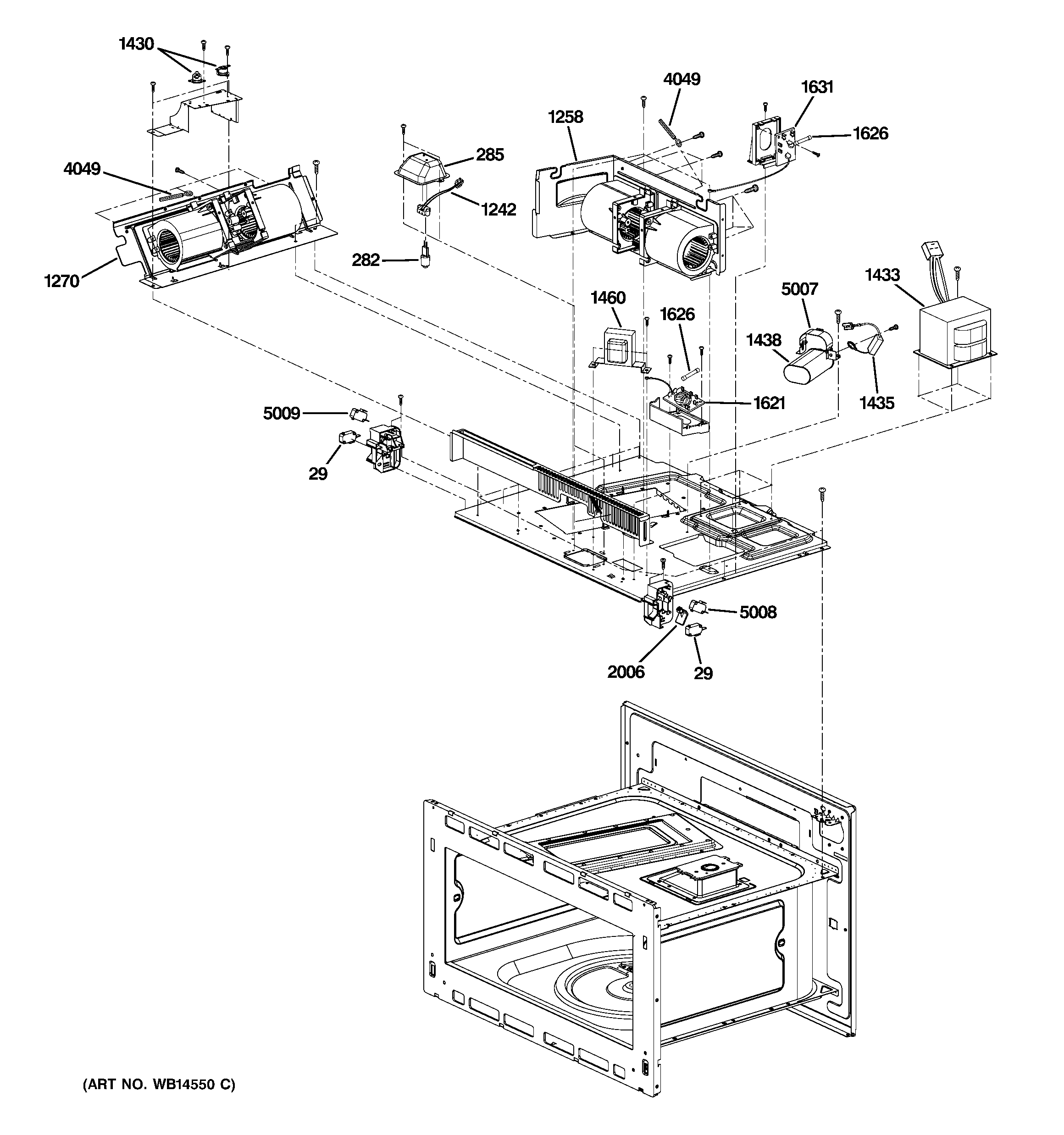
Not all parts are shown on the diagrams—those parts are labeled NI, for “not illustrated”.

We encourage you to save the model to your profile, so it’s easy to access parts and manuals for your appliance whenever you log in.

For DIY troubleshooting advice and repair guides, visit our repair help section.

Installation guideOwner’s manual

Showing 10 of 83 parts

Microwave High-Voltage Capacitor#1438

Insulator parts (1) Diagram

Drive capacitor

Part #WB27X10701
Replaced by #WB27X11033
?
Manufacturer substitution
This part replaces WB27X10701. Substitute parts can look different from the original.
In Stock
$40.89 | 
11% OFF 
Phone Price: $45.89
Microwave Door Interlock Switch#5008

Insulator parts (1) Diagram

Monitor switch

Part #WB24X0817
Replaced by #WB24X25397
?
Manufacturer substitution
This part replaces WB24X0817. Substitute parts can look different from the original.
In Stock
$27.35 | 
15% OFF 
Phone Price: $32.35
Circulating Motor#1258

Insulator parts (1) Diagram

Circulating motor

Part #WB26X10182
In Stock
$103.19 | 
9% OFF 
Phone Price: $113.19
Microwave Metal Rack#1510

Interior parts (2) Diagram

Microwave metal rack

Part #WB49X10202
In Stock
$61.99 | 
7% OFF 
Phone Price: $66.99
Microwave High-Voltage Transformer#1433

Insulator parts (1) Diagram

In Stock
$157.49 | 
10% OFF 
Was: $174.99
Door Service#9999

Door parts Diagram

Door service

Part #WB01X10364
This item is not returnable
In Stock
$10.05 | 
17% OFF 
Phone Price: $12.05
Microwave Metal Turntable Tray#1514

Interior parts (2) Diagram

"tray, metal"

Part #WB49X10208
Replaced by #WB49X10243
?
Manufacturer substitution
This part replaces WB49X10208. Substitute parts can look different from the original.
In Stock
$129.62 | 
7% OFF 
Phone Price: $139.62
Microwave Relay Control Board#1653

Controller parts Diagram

Power board

Part #WB27X11021
Replaced by #WB27X33045
?
Manufacturer substitution
This part replaces WB27X11021. Substitute parts can look different from the original.
In Stock
$119.39 | 
8% OFF 
Phone Price: $129.39
Microwave Metal Turntable Tray#1512

Interior parts (2) Diagram

"tray, metal"

Part #WB49X10207
Replaced by #WB49X10242
?
Manufacturer substitution
This part replaces WB49X10207. Substitute parts can look different from the original.
In Stock
$130.33 | 
7% OFF 
Phone Price: $140.33
Microwave Magnetron#73

Insulator parts (2) Diagram

Microwave magnetron

Part #WB27X10305

The manufacturer no longer makes this part, and there's no substitute part

Articles and videos common to all microwaves

November 12, 2022

5 Holiday Cleaning Tasks Essential to Boosting Your Home’s Image

By Lyle Weischwill

Get tips on completing essential holiday cleaning tasks to brighten your home.

August 19, 2022

Are DIY appliance repairs safe?

By Lyle Weischwill

Find out how to stay safe when repairing your appliances.

August 5, 2022

Introducing new technical repair content that we’re developing for the Sears Technical Institute

By Lyle Weischwill

Learn about Sears Technical Institute and the advanced technical content being developed for aspiring appliance techs.