Technics
Audio Equipment

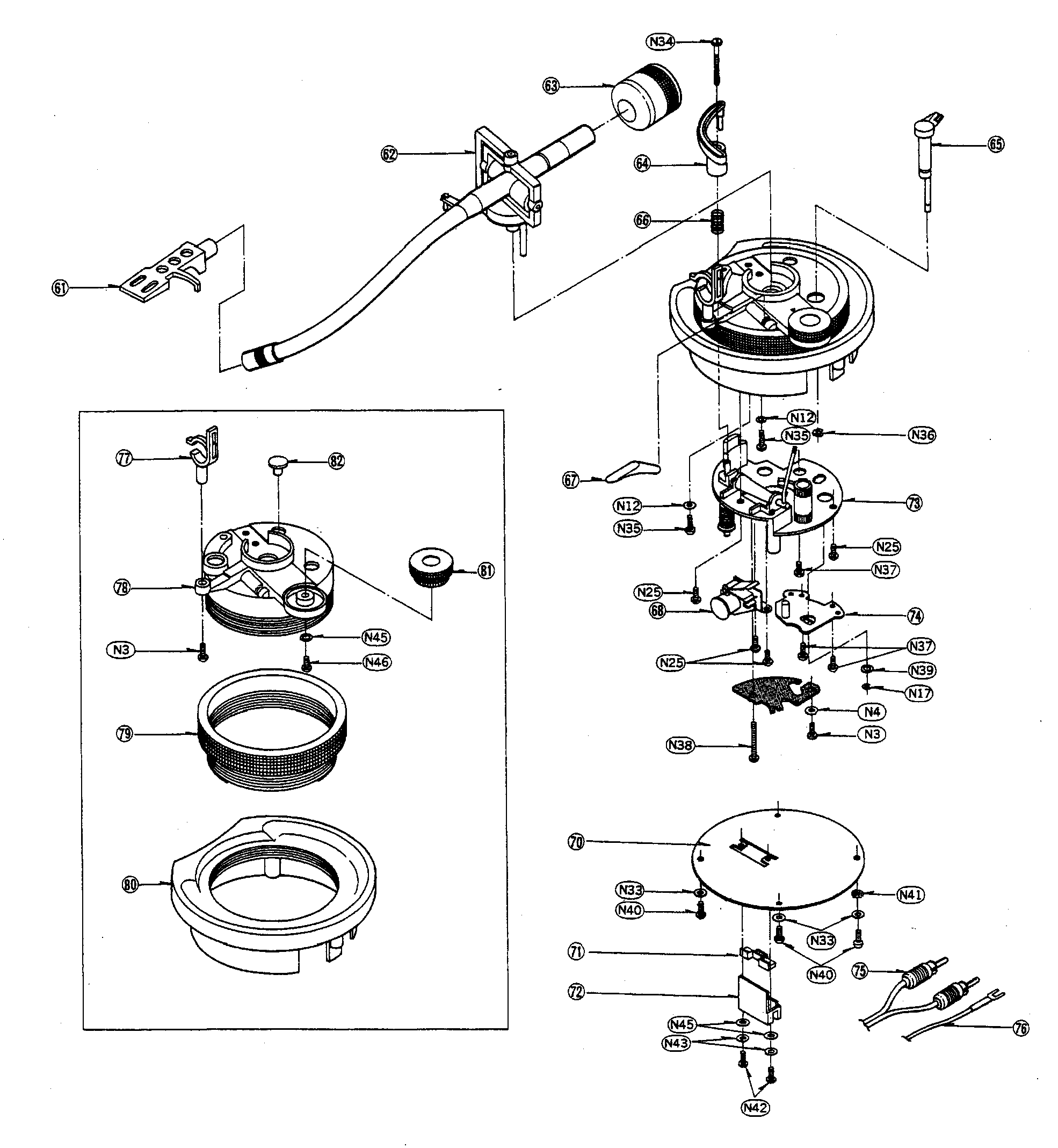
Model #SL-1200MK2M Official Technics turntable

Here are the diagrams and repair parts for Technics SL-1200MK2M turntable, as well as links to manuals and error code tables, if available.

There are a couple of ways to find the part or diagram you need:

  • Click a diagram to see the parts shown on that diagram.
  • In the search box below, enter all or part of the part number or the part’s name.

Not all parts are shown on the diagrams—those parts are labeled NI, for “not illustrated”.

We encourage you to save the model to your profile, so it’s easy to access parts and manuals for your appliance whenever you log in.

For DIY troubleshooting advice and repair guides, visit our repair help section.

Showing 10 of 59 parts

Spring#33

Cabinet parts Diagram

Spring

Part #SFQA122-02

The manufacturer no longer makes this part, and there's no substitute part

Shaft#8

Cabinet parts Diagram

Shaft

Part #SFMZQ20-01A

The manufacturer no longer makes this part, and there's no substitute part

Sfwe010#NI

Cabinet parts Diagram

Sfwe010

Part #SFWE010

The manufacturer no longer makes this part, and there's no substitute part

Spring#15

Cabinet parts Diagram

Spring

Part #SFQA122-01

The manufacturer no longer makes this part, and there's no substitute part

Overhang Gau#NI

Cabinet parts Diagram

Overhang gau

Part #SFK0135-01

The manufacturer no longer makes this part, and there's no substitute part

Cover#51

Cabinet parts Diagram

Cover

Part #SFUMM02N04

The manufacturer no longer makes this part, and there's no substitute part

Frame#6

Cabinet parts Diagram

Frame

Part #SFMG520-31A

The manufacturer no longer makes this part, and there's no substitute part

Knob#65

Tonearm asst Diagram

Knob

Part #SFPZB17202

The manufacturer no longer makes this part, and there's no substitute part

Spacer#23

Cabinet parts Diagram

Spacer

Part #SFUM015-11

The manufacturer no longer makes this part, and there's no substitute part

Cam#22

Cabinet parts Diagram

Cam

Part #SFUM122-03

The manufacturer no longer makes this part, and there's no substitute part