Craftsman
Chipper/Shredder

Model #247797851 Official Craftsman chipper/shredder

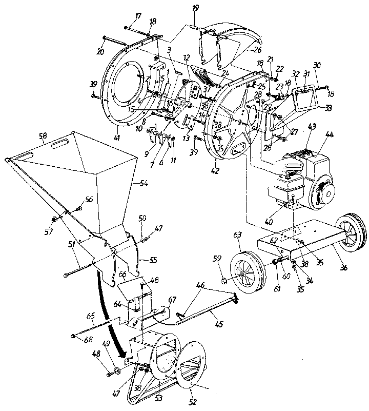
Here are the diagrams and repair parts for Craftsman 247797851 chipper/shredder, as well as links to manuals and error code tables, if available.

There are a couple of ways to find the part or diagram you need:

  • Click a diagram to see the parts shown on that diagram.
  • In the search box below, enter all or part of the part number or the part’s name.

Not all parts are shown on the diagrams—those parts are labeled NI, for “not illustrated”.

We encourage you to save the model to your profile, so it’s easy to access parts and manuals for your appliance whenever you log in.

For DIY troubleshooting advice and repair guides, visit our repair help section.

Owner’s manual

Showing 10 of 69 parts

Lawn & Garden Equipment Bell Washer#28

Replacement parts Diagram

Lawn & garden equipment bell washer

Part #736-0242
BEST SELLER
This item is not returnable
In Stock
$6.40 | 
14% OFF 
Phone Price: $7.40
Lawn & Garden Equipment Lock Washer

See All Related Diagrams

Lock washer

Part #736-0119
Replaced by #936-0119
?
Manufacturer substitution
This part replaces 736-0119. Substitute parts can look different from the original.
BEST SELLER
This item is not returnable
In Stock
$5.89 | 
15% OFF 
Phone Price: $6.89
Lawn & Garden Equipment Screw#14

Replacement parts Diagram

Lawn & garden equipment screw

Part #710-1054
Replaced by #710-1054
?
Manufacturer substitution
This part replaces 710-1054. Substitute parts can look different from the original.
BEST SELLER
This item is not returnable
In Stock
$1.69 | 
37% OFF 
Phone Price: $2.69
Lawn Vacuum Chipper/Shredder Clevis Pin#8

Replacement parts Diagram

Clevis pin

Part #711-0833A
Replaced by #711-0833B
?
Manufacturer substitution
This part replaces 711-0833A. Substitute parts can look different from the original.
BEST SELLER
This item is not returnable
In Stock
$2.59 | 
28% OFF 
Phone Price: $3.59
Lawn Tractor Hex Bolt#39

Replacement parts Diagram

Lawn tractor hex bolt

Part #710-3008
This item is not returnable
In Stock
$3.94 | 
20% OFF 
Phone Price: $4.94
Lawn & Garden Equipment Hex Bolt#40

Replacement parts Diagram

Bolt

Part #710-0380
Replaced by #710-3180
?
Manufacturer substitution
This part replaces 710-0380. Substitute parts can look different from the original.
This item is not returnable
In Stock
$6.74 | 
13% OFF 
Phone Price: $7.74
Lawn & Garden Equipment Pal Nut#68

Replacement parts Diagram

Push cap

Part #726-0106
Replaced by #726-0106
?
Manufacturer substitution
This part replaces 726-0106. Substitute parts can look different from the original.
This item is not returnable
In Stock
$2.16
Chipper/Shredder Cotter Pin#25

Replacement parts Diagram

Pin

Part #714-0149
Replaced by #914-0149B
?
Manufacturer substitution
This part replaces 714-0149. Substitute parts can look different from the original.
This item is not returnable
In Stock
$3.23
Lawn & Garden Equipment Cotter Pin#23

Replacement parts Diagram

Lawn & garden equipment cotter pin

Part #714-3010
This item is not returnable
In Stock
$4.51
Snowblower Roll Pin#10

Replacement parts Diagram

Roll pin

Part #715-0249
Replaced by #915-0249
?
Manufacturer substitution
This part replaces 715-0249. Substitute parts can look different from the original.
This item is not returnable
In Stock
$10.19 | 
16% OFF 
Phone Price: $12.19