Hoover
Canister Vacuum

Model #S3630 Official Hoover vacuum cleaner

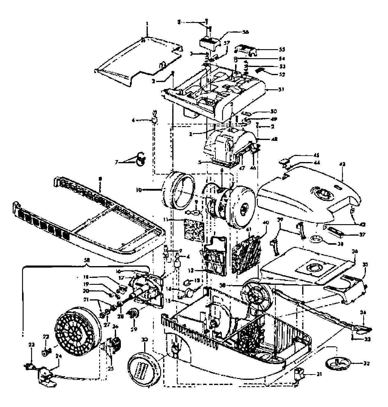
Here are the diagrams and repair parts for Hoover S3630 vacuum cleaner, as well as links to manuals and error code tables, if available.

There are a couple of ways to find the part or diagram you need:

  • Click a diagram to see the parts shown on that diagram.
  • In the search box below, enter all or part of the part number or the part’s name.

Not all parts are shown on the diagrams—those parts are labeled NI, for “not illustrated”.

We encourage you to save the model to your profile, so it’s easy to access parts and manuals for your appliance whenever you log in.

For DIY troubleshooting advice and repair guides, visit our repair help section.

Owner’s manual

Showing 10 of 146 parts

Vacuum Wheel#27

Base assy Diagram

Vacuum wheel

Part #32761001

The manufacturer no longer makes this part, and there's no substitute part

Lid Bag#NI

Main body Diagram

Lid bag

Part #42217189

The manufacturer no longer makes this part, and there's no substitute part

Vacuum Beater Bar#2

Turbine Diagram

Vacuum beater bar

Part #48414088

The manufacturer no longer makes this part, and there's no substitute part

Vacuum Dust Brush

See All Related Diagrams

Vacuum dust brush

Part #43414064

The manufacturer no longer makes this part, and there's no substitute part

Main Body#15

Main body Diagram

Main body

Part #42215003

The manufacturer no longer makes this part, and there's no substitute part

Extension Tube#10

Tools Diagram

Extension tube

Part #43453095

The manufacturer no longer makes this part, and there's no substitute part

Tube

See All Related Diagrams

Tube

Part #43453099

The manufacturer no longer makes this part, and there's no substitute part

Cord Reel Pedal#56

Main body Diagram

Cord reel pedal

Part #38422155

The manufacturer no longer makes this part, and there's no substitute part

Vacuum Beater Bar Belt#1

Turbine Diagram

Vacuum beater bar belt

Part #38528037

The manufacturer no longer makes this part, and there's no substitute part

Carpet Cleaner Switch#49

Main body Diagram

Carpet cleaner switch

Part #28218061

The manufacturer no longer makes this part, and there's no substitute part

Symptoms common to all vacuum cleaners

Choose a symptom to see related vacuum cleaner repairs.

Main causes: damaged vacuum hose, clogged motor air filter, bad suction motor
Main causes: broken drive belt, damaged brush roll, tripped brush roll motor overload, bad brush roll motor, wiring failure
Main causes: lack of power, bad power cord, drive motor failure, wiring failure
Main causes: weak suction motor, vacuum bag is full, clog in suction air path, dirty exhaust filter, leaky vacuum hose

Repair guides for canister vacuums

How to replace a vacuum power head ribbed drive belt

Some canister vacuums have a ribbed drive belt that spins the brush roll on a power brush attachment. If the brush roll slips, you can replace it using these instructions.

Repair difficulty
Time required
 30 minutes or less
July 1, 2013
By Lyle Weischwill
How to replace a vacuum suction motor

The suction motor on a vacuum creates the draw of air at the cleaning head that picks up dirt. If the vacuum won't run, give it a new life by replacing the suction motor. These steps explain how.

Repair difficulty
Time required
 15 minutes or less
July 1, 2013
By Lyle Weischwill
How to replace a vacuum beater bar

Replace the brush roll if the bristles ares worn or the cylinder is damaged.

Repair difficulty
Time required
 30 minutes or less

Articles and videos common to all vacuum cleaners

Use the advice and tips in these articles and videos to get the most out of your vacuum.

January 5, 2015

10 must-have tools for appliance repair

By Lyle Weischwill

Come see which tools made our top 10 must-haves for DIY appliance repair.

December 18, 2014

Deciding between a canister or upright vacuum

By Lyle Weischwill

Undecided about canister or upright? We compare them.

July 1, 2013

Vacuum common questions

By Lyle Weischwill

Find the answers to frequently asked questions about vacuum cleaners.