Kenmore
Washer

Model #1106805850 Official Kenmore washer

Here are the diagrams and repair parts for Kenmore 1106805850 washer, as well as links to manuals and error code tables, if available.

There are a couple of ways to find the part or diagram you need:

  • Click a diagram to see the parts shown on that diagram.
  • In the search box below, enter all or part of the part number or the part’s name.

Not all parts are shown on the diagrams—those parts are labeled NI, for “not illustrated”.

We encourage you to save the model to your profile, so it’s easy to access parts and manuals for your appliance whenever you log in.

For DIY troubleshooting advice and repair guides, visit our repair help section.

Showing 10 of 285 parts

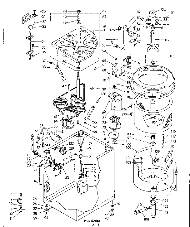
Washer Lid Bumper#25

Top and console assembly Diagram

Bumper

Part #93770
Replaced by #WP9724509
?
Manufacturer substitution
This part replaces 93770. Substitute parts can look different from the original.
BEST SELLER
This item is not returnable
In Stock
$4.39 | 
19% OFF 
Phone Price: $5.39
Dryer Top Panel Clip#99

Machine sub-assembly Diagram

Dryer top panel clip

Part #18776
Replaced by #WP18776
?
Manufacturer substitution
This part replaces 18776. Substitute parts can look different from the original.
This item is not returnable
Back Order
$8.39 | 
11% OFF 
Phone Price: $9.39
Washer Gear Case Oil Seal#44

Machine sub-assembly Diagram

Shaft seal

Part #91938
Replaced by #WP91938
?
Manufacturer substitution
This part replaces 91938. Substitute parts can look different from the original.
This item is not returnable
Back Order
$6.49 | 
13% OFF 
Phone Price: $7.49
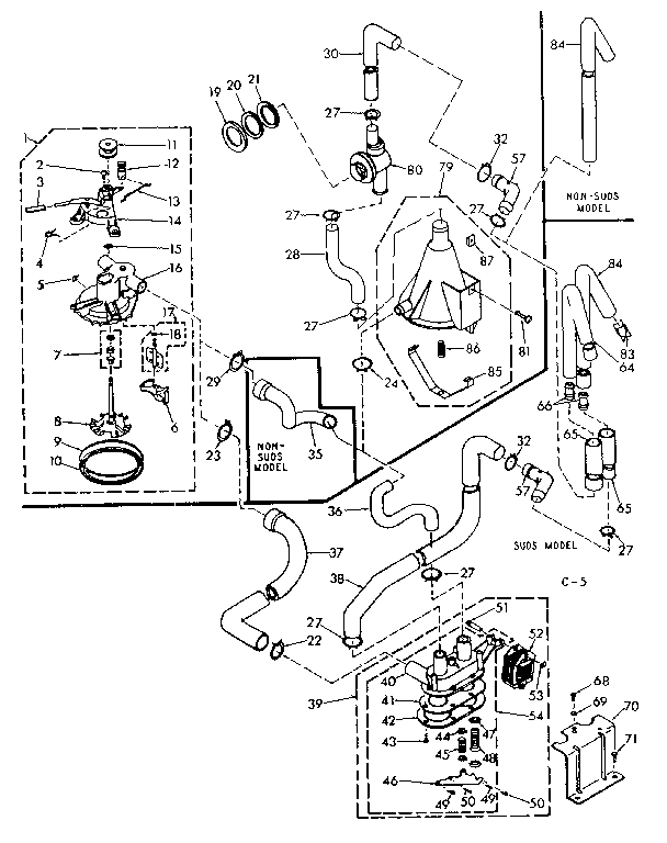
Washer Cold/Hot Water Fill Hose, 6-ft#17

Machine sub-assembly Diagram

Hose assembly

Part #81339
Replaced by #WP76314
?
Manufacturer substitution
This part replaces 81339. Substitute parts can look different from the original.
In Stock
$25.89 | 
16% OFF 
Phone Price: $30.89
Washer Fill Hose Seal and Screen#16

Machine sub-assembly Diagram

Filter washer

Part #21092
Replaced by #285452A
?
Manufacturer substitution
This part replaces 21092. Substitute parts can look different from the original.
This item is not returnable
In Stock
$6.29 | 
14% OFF 
Phone Price: $7.29
Laundry Appliance Push Nut#53

Water system Diagram

Clip

Part #90296
Replaced by #WP90296
?
Manufacturer substitution
This part replaces 90296. Substitute parts can look different from the original.
This item is not returnable
In Stock
$4.39 | 
19% OFF 
Phone Price: $5.39
Washer Water-Level Pressure Switch Hose#116

Machine sub-assembly Diagram

Hose

Part #97413
Replaced by #WP353244
?
Manufacturer substitution
This part replaces 97413. Substitute parts can look different from the original.
In Stock
$42.79 | 
10% OFF 
Phone Price: $47.79
Washer Lid Hinge Bracket#6

Top and console assembly Diagram

Washer lid hinge bracket

Part #21097
Replaced by #WP21097
?
Manufacturer substitution
This part replaces 21097. Substitute parts can look different from the original.
This item is not returnable
In Stock
$6.49 | 
13% OFF 
Phone Price: $7.49
Carriage Bolt#32A

Machine sub-assembly Diagram

Carriage bolt

Part #126211

The manufacturer no longer makes this part, and there's no substitute part

Dryer Screw#2

Water system Diagram

Screw

Part #98554
Replaced by #WPW10109200
?
Manufacturer substitution
This part replaces 98554. Substitute parts can look different from the original.
This item is not returnable
In Stock
$4.39 | 
19% OFF 
Phone Price: $5.39

Symptoms common to all washers

Choose a symptom to see related washer repairs.

Main causes: leaky water inlet valve, faulty water-level pressure switch, bad electronic control board
Main causes: lack of electrical power, wiring failure, bad power cord, electronic control board failure, bad user interface board
Main causes: water heater failure, bad water temperature switch, faulty control board, bad water valve, faulty water temperature sensor
Main causes: unbalanced load, loose spanner nut, worn drive block, broken shock absorber or suspension spring, debris in drain pump
Main causes: broken lid switch or lid lock, bad pressure switch, broken shifter assembly, faulty control system
Main causes: clogged drain hose, house drain clogged, bad drain pump, water-level pressure switch failure, bad control board or timer
Main causes: worn agitator dogs, bad clutch, broken motor coupler, shifter assembly failure, broken door lock, suspension component failure
Main causes: no water supply, bad water valves, water-level pressure switch failure, control system failure, bad door lock or lid switch
Main causes: bad lid switch or door lock, bad timer or electronic control board, wiring failure, bad water inlet valve assembly

Articles and videos common to all washers

Use the advice and tips in these articles and videos to get the most out of your washer.

January 3, 2022

Why is my washing machine leaking when not in use?

By Lyle Weischwill

Learn how to fix a washing machine leak

December 30, 2021

How to fix a washing machine

By Lyle Weischwill

Learn how to fix your broken washing machine

April 10, 2020

Cleaning your appliances after a drinking water advisory

By Julie Riebe

Find out how to clean and flush household appliances once a boil water advisory is lifted.