GE
Built-In Microwave

Model #ZMC1095BFBB1 Official GE microwave

Here are the diagrams and repair parts for GE ZMC1095BFBB1 microwave, as well as links to manuals and error code tables, if available.

There are a couple of ways to find the part or diagram you need:

  • Click a diagram to see the parts shown on that diagram.
  • In the search box below, enter all or part of the part number or the part’s name.

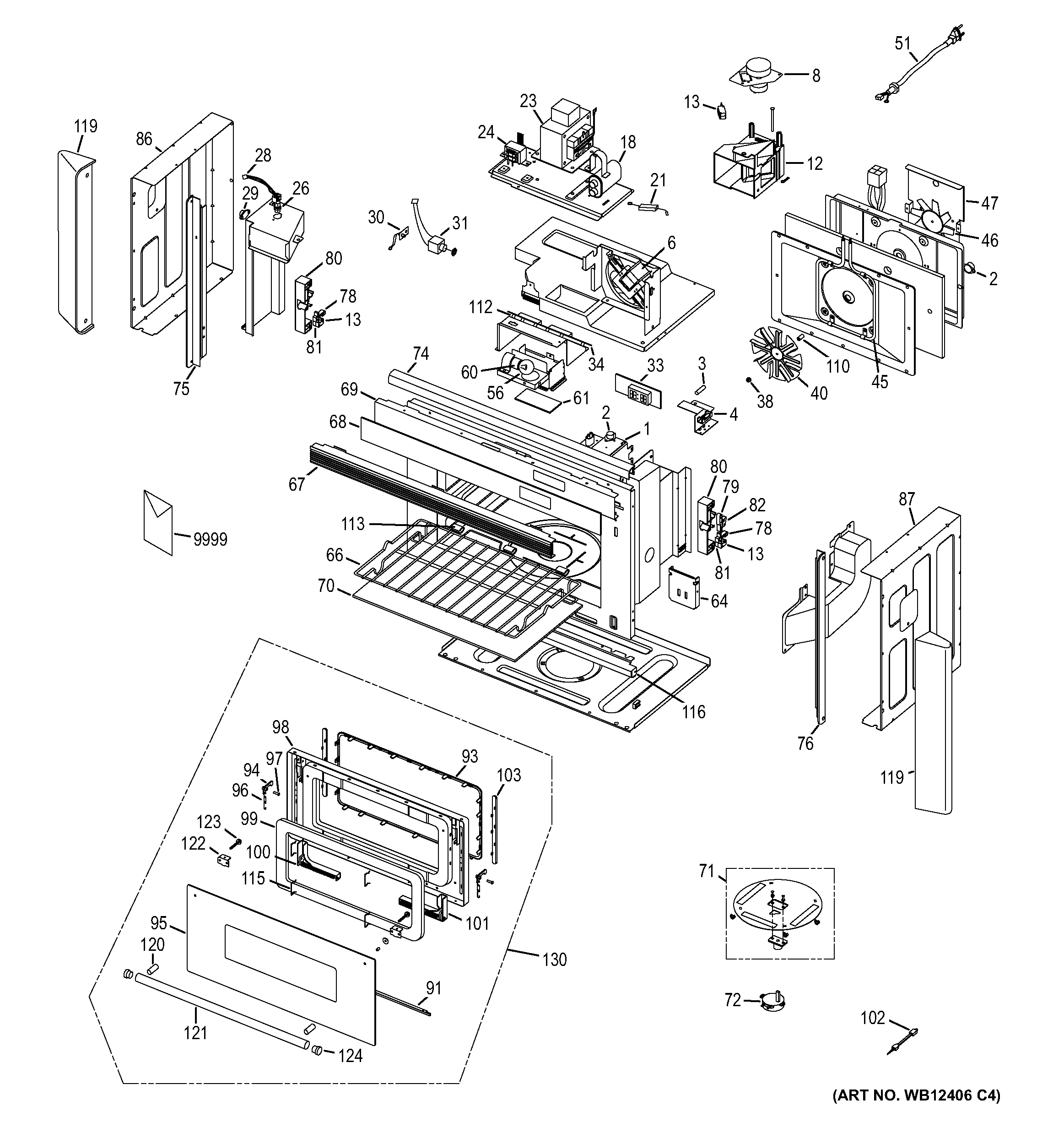
Not all parts are shown on the diagrams—those parts are labeled NI, for “not illustrated”.

We encourage you to save the model to your profile, so it’s easy to access parts and manuals for your appliance whenever you log in.

For DIY troubleshooting advice and repair guides, visit our repair help section.

Showing 10 of 73 parts

Microwave Light Bulb (replaces WB2X4235, WB36X0898, WB36X0936, WB36X10306, WB36X898, WB36X936, WB6X15)#56

Microwave Diagram

In Stock
$18.17 | 
10% OFF 
Was: $20.19
Microwave Switch#68

Microwave Diagram

Microwave switch

Part #WB27X10588
In Stock
$120.74
Microwave Fuse#3

Microwave Diagram

Microwave fuse

Part #WB27X10454
This item is not returnable
In Stock
$13.99 | 
13% OFF 
Phone Price: $15.99
Installation#9999

Microwave Diagram

Installation

Part #49-8978
In Stock
$8.49
Micro-Switch#82

Microwave Diagram

Micro-switch

Part #WB24X10042
In Stock
$18.89 | 
10% OFF 
Phone Price: $20.89
Microwave High-Voltage Capacitor (replaces WB27X585)#18

Microwave Diagram

In Stock
$45.60 | 
10% OFF 
Phone Price: $50.60
Door Key#94

Microwave Diagram

Door key

Part #WB04X0154
Replaced by #WB4X154
?
Manufacturer substitution
This part replaces WB04X0154. Substitute parts can look different from the original.
In Stock
$7.77
Hinge Bracket#64

Microwave Diagram

Hinge bracket

Part #WB04X0147
Replaced by #WB4X147
?
Manufacturer substitution
This part replaces WB04X0147. Substitute parts can look different from the original.
This item is not returnable
In Stock
$5.62
Microwave High-Voltage Diode (replaces WB27T10552, WB27X10169, WB27X10434, WB27X10772)#21

Microwave Diagram

High-voltage diode

Part #WB27X10169
Replaced by #WB27X10597
?
Manufacturer substitution
This part replaces WB27X10169. Substitute parts can look different from the original.
In Stock
$33.14 | 
13% OFF 
Phone Price: $38.14
Pcb Suppo#112

Microwave Diagram

Pcb support

Part #WB04X0175
Replaced by #WB4X175
?
Manufacturer substitution
This part replaces WB04X0175. Substitute parts can look different from the original.
This item is not returnable
In Stock
$5.00

Articles and videos common to all microwaves

November 12, 2022

5 Holiday Cleaning Tasks Essential to Boosting Your Home’s Image

Lyle Weischwill

Get tips on completing essential holiday cleaning tasks to brighten your home.

August 19, 2022

Are DIY appliance repairs safe?

Lyle Weischwill

Find out how to stay safe when repairing your appliances.

August 5, 2022

Introducing new technical repair content that we’re developing for the Sears Technical Institute

Lyle Weischwill

Learn about Sears Technical Institute and the advanced technical content being developed for aspiring appliance techs.