Craftsman
Drill/Driver

Model #315116400 Official Craftsman 3/8" drill

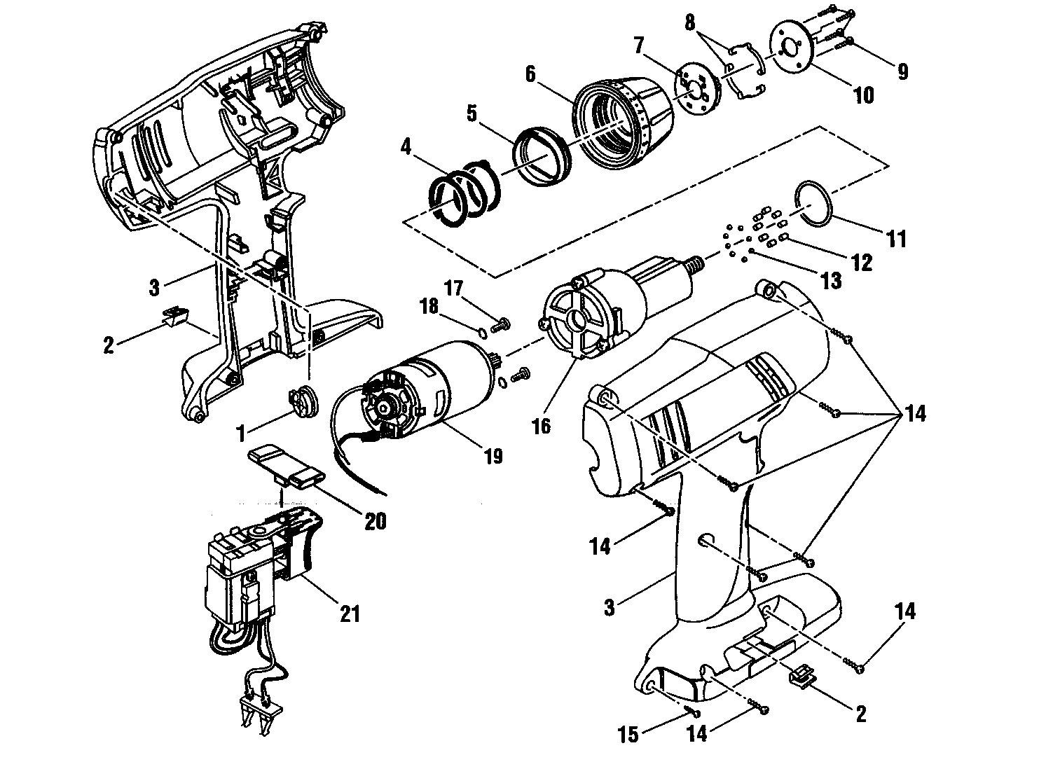
Here are the diagrams and repair parts for Craftsman 315116400 3/8" drill, as well as links to manuals and error code tables, if available.

There are a couple of ways to find the part or diagram you need:

  • Click a diagram to see the parts shown on that diagram.
  • In the search box below, enter all or part of the part number or the part’s name.

Not all parts are shown on the diagrams—those parts are labeled NI, for “not illustrated”.

We encourage you to save the model to your profile, so it’s easy to access parts and manuals for your appliance whenever you log in.

For DIY troubleshooting advice and repair guides, visit our repair help section.

Owner’s manual

Showing 10 of 30 parts

Power Tool Battery Charger, 12 to 19.2-volt#6

Outside paqrts Diagram

Charger

Part #1425301
Replaced by #140155008
?
Manufacturer substitution
This part replaces 1425301. Substitute parts can look different from the original.
BEST SELLER
In Stock
$37.91 | 
20% OFF 
Was: $47.39
Screw#15

Inside parts Diagram

Screw

Part #6620614
This item is not returnable
In Stock
$2.73
Plate#8

Inside parts Diagram

Plate

Part #6392201
This item is not returnable
In Stock
$2.16
Power Tool Bit, 6 to 7-mm#NI

Outside paqrts Diagram

Power tool bit, 6 to 7-mm

Part #6782405
This item is not returnable
In Stock
$3.16
Washer#11

Inside parts Diagram

Washer

Part #6710501
This item is not returnable
In Stock
$3.14
Clip#2

Inside parts Diagram

Clip

Part #6320601

The manufacturer no longer makes this part, and there's no substitute part

Level Rear#1

Inside parts Diagram

Level rear

Part #300480006

The manufacturer no longer makes this part, and there's no substitute part

Owner's Manual#NI

Outside paqrts Diagram

Owner's manual

Part #987000009

The manufacturer no longer makes this part, and there's no substitute part

Spring Washer#18

Inside parts Diagram

Spring washer

Part #6702801

The manufacturer no longer makes this part, and there's no substitute part

Pin#12

Inside parts Diagram

Pin

Part #6843505

The manufacturer no longer makes this part, and there's no substitute part