Hoover
Upright Vacuum

Model #706 Official Hoover upright vacuum

Here are the diagrams and repair parts for Hoover 706 upright vacuum, as well as links to manuals and error code tables, if available.

There are a couple of ways to find the part or diagram you need:

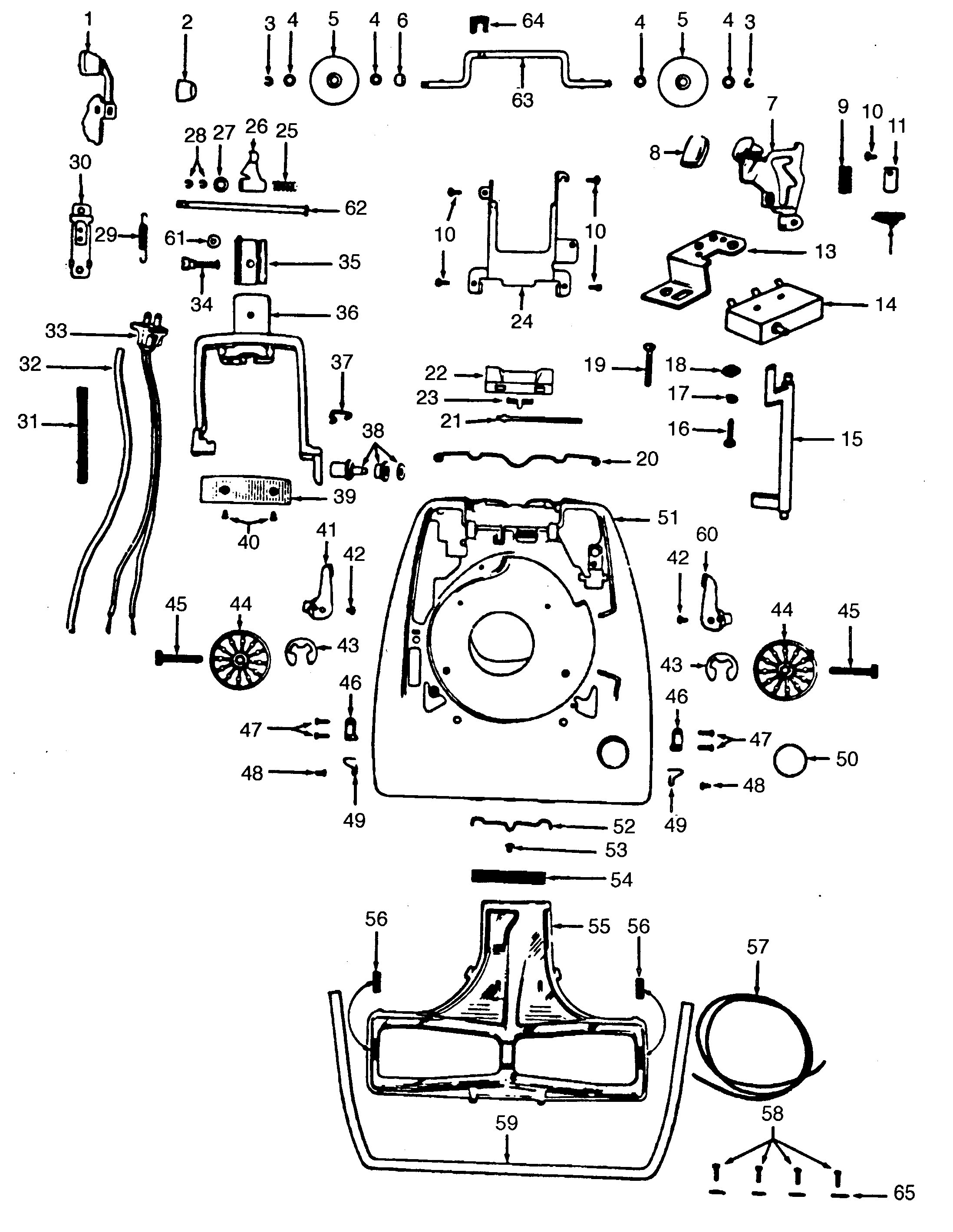
  • Click a diagram to see the parts shown on that diagram.
  • In the search box below, enter all or part of the part number or the part’s name.

Not all parts are shown on the diagrams—those parts are labeled NI, for “not illustrated”.

We encourage you to save the model to your profile, so it’s easy to access parts and manuals for your appliance whenever you log in.

For DIY troubleshooting advice and repair guides, visit our repair help section.

    Showing 10 of 152 parts

    Hoover Vacuum Bag, Type A, 3-pack#12

    Outerbag Diagram

    Hoover vacuum bag, type a, 3-pack

    Part #4010001A

    The manufacturer no longer makes this part, and there's no substitute part

    Bag Flange#17A

    Outerbag Diagram

    Bag flange

    Part #41424011

    The manufacturer no longer makes this part, and there's no substitute part

    Vacuum Upholstery Nozzle#10A

    Cleaningtools Diagram

    Vacuum upholstery nozzle

    Part #43414057

    The manufacturer no longer makes this part, and there's no substitute part

    Support Plate#46

    Mainbody Diagram

    Support plate

    Part #34355002

    The manufacturer no longer makes this part, and there's no substitute part

    Vacuum Light Bulb#32A

    Motor assembly, hood Diagram

    Vacuum light bulb

    Part #27317307

    The manufacturer no longer makes this part, and there's no substitute part

    Vacuum Wheel#5

    Mainbody Diagram

    Vacuum wheel

    Part #38521041

    The manufacturer no longer makes this part, and there's no substitute part

    Agitr Shaft#6A

    Agitator Diagram

    Agitr shaft

    Part #32724008

    The manufacturer no longer makes this part, and there's no substitute part

    Yoke#64

    Mainbody Diagram

    Yoke

    Part #34252005

    The manufacturer no longer makes this part, and there's no substitute part

    Twist-On Wire Connector

    See All Related Diagrams

    Twist-on wire connector

    Part #048969--

    The manufacturer no longer makes this part, and there's no substitute part

    Sleeve Hose#28

    Cleaningtools Diagram

    Sleeve hose

    Part #32156010

    The manufacturer no longer makes this part, and there's no substitute part

    Symptoms common to all vacuum cleaners

    Choose a symptom to see related vacuum cleaner repairs.

    Main causes: damaged vacuum hose, clogged motor air filter, bad suction motor
    Main causes: broken drive belt, damaged brush roll, tripped brush roll motor overload, bad brush roll motor, wiring failure
    Main causes: lack of power, bad power cord, drive motor failure, wiring failure
    Main causes: weak suction motor, vacuum bag is full, clog in suction air path, dirty exhaust filter, leaky vacuum hose

    Articles and videos common to all vacuum cleaners

    Use the advice and tips in these articles and videos to get the most out of your vacuum.

    January 5, 2015

    10 must-have tools for appliance repair

    By Lyle Weischwill

    Come see which tools made our top 10 must-haves for DIY appliance repair.

    December 18, 2014

    Deciding between a canister or upright vacuum

    By Lyle Weischwill

    Undecided about canister or upright? We compare them.

    July 1, 2013

    Vacuum common questions

    By Lyle Weischwill

    Find the answers to frequently asked questions about vacuum cleaners.