Crosley
Washer

Model #CW20C7A Official Crosley washer

Here are the diagrams and repair parts for Crosley CW20C7A washer, as well as links to manuals and error code tables, if available.

There are a couple of ways to find the part or diagram you need:

  • Click a diagram to see the parts shown on that diagram.
  • In the search box below, enter all or part of the part number or the part’s name.

Not all parts are shown on the diagrams—those parts are labeled NI, for “not illustrated”.

We encourage you to save the model to your profile, so it’s easy to access parts and manuals for your appliance whenever you log in.

For DIY troubleshooting advice and repair guides, visit our repair help section.

Showing 10 of 199 parts

Switch Screw

See All Related Diagrams

Switch screw

Part #25-3092
This item is not returnable
In Stock
$4.39 | 
19% OFF 
Phone Price: $5.39
Washer Motor Isolator#19

Base & drive (orig. rev. a-b) Diagram

Washer motor isolator

Part #33-9946
Replaced by #WP33-9946
?
Manufacturer substitution
This part replaces 33-9946. Substitute parts can look different from the original.
This item is not returnable
In Stock
$2.16
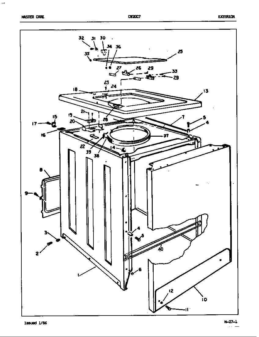
Washer Lid Switch#19

Exterior (orig. rev. a-b) Diagram

Door switch

Part #33-9064
Replaced by #12001187
?
Manufacturer substitution
This part replaces 33-9064. Substitute parts can look different from the original.
In Stock
$70.39 | 
7% OFF 
Phone Price: $75.39
Washer Lid Switch#20

Exterior (orig. rev. a-b) Diagram

Bracket

Part #33-8289
Replaced by #12001187
?
Manufacturer substitution
This part replaces 33-8289. Substitute parts can look different from the original.
In Stock
$70.39 | 
7% OFF 
Phone Price: $75.39
Washer Lid Switch Actuator#30

Exterior (orig. rev. a-b) Diagram

Washer lid switch actuator

Part #43-0057
Replaced by #WP43-0057
?
Manufacturer substitution
This part replaces 43-0057. Substitute parts can look different from the original.
In Stock
$38.29 | 
12% OFF 
Phone Price: $43.29
Washer Lid Switch#22

Exterior (orig. rev. a-b) Diagram

Lever

Part #33-8828
Replaced by #12001187
?
Manufacturer substitution
This part replaces 33-8828. Substitute parts can look different from the original.
In Stock
$70.39 | 
7% OFF 
Phone Price: $75.39
Gasket#43

Transmission (orig. rev. a-b) Diagram

Gasket

Part #33-8718
In Stock
$26.89 | 
16% OFF 
Phone Price: $31.89
Set Screw#50

Transmission (orig. rev. a-b) Diagram

Set screw

Part #25-7378
This item is not returnable
In Stock
$4.19 | 
19% OFF 
Phone Price: $5.19
Appliance Nut#29

Base & drive (orig. rev. a-b) Diagram

Locator nut

Part #25-0224
Replaced by #WP3400029
?
Manufacturer substitution
This part replaces 25-0224. Substitute parts can look different from the original.
This item is not returnable
In Stock
$6.49 | 
13% OFF 
Phone Price: $7.49
Washer Screw, #10-24 x 3/8-in#32

Water carrying (orig. rev. a-b) Diagram

Dryer screw

Part #25-7101
Replaced by #WP3351614
?
Manufacturer substitution
This part replaces 25-7101. Substitute parts can look different from the original.
This item is not returnable
In Stock
$4.39 | 
19% OFF 
Phone Price: $5.39

Symptoms common to all washers

Choose a symptom to see related washer repairs.

Main causes: leaky water inlet valve, faulty water-level pressure switch, bad electronic control board
Main causes: lack of electrical power, wiring failure, bad power cord, electronic control board failure, bad user interface board
Main causes: water heater failure, bad water temperature switch, faulty control board, bad water valve, faulty water temperature sensor
Main causes: unbalanced load, loose spanner nut, worn drive block, broken shock absorber or suspension spring, debris in drain pump
Main causes: broken lid switch or lid lock, bad pressure switch, broken shifter assembly, faulty control system
Main causes: clogged drain hose, house drain clogged, bad drain pump, water-level pressure switch failure, bad control board or timer
Main causes: worn agitator dogs, bad clutch, broken motor coupler, shifter assembly failure, broken door lock, suspension component failure
Main causes: no water supply, bad water valves, water-level pressure switch failure, control system failure, bad door lock or lid switch
Main causes: bad lid switch or door lock, bad timer or electronic control board, wiring failure, bad water inlet valve assembly

Articles and videos common to all washers

Use the advice and tips in these articles and videos to get the most out of your washer.

January 3, 2022

Why is my washing machine leaking when not in use?

Lyle Weischwill

Learn how to fix a washing machine leak

December 30, 2021

How to fix a washing machine

Lyle Weischwill

Learn how to fix your broken washing machine

April 10, 2020

Cleaning your appliances after a drinking water advisory

Wayne Archer

Find out how to clean and flush household appliances once a boil water advisory is lifted.