Delta
Band Saw

Model #BS150LS Official Delta band saw

Here are the diagrams and repair parts for Delta BS150LS band saw, as well as links to manuals and error code tables, if available.

There are a couple of ways to find the part or diagram you need:

  • Click a diagram to see the parts shown on that diagram.
  • In the search box below, enter all or part of the part number or the part’s name.

Not all parts are shown on the diagrams—those parts are labeled NI, for “not illustrated”.

We encourage you to save the model to your profile, so it’s easy to access parts and manuals for your appliance whenever you log in.

For DIY troubleshooting advice and repair guides, visit our repair help section.

Owner’s manual

Showing 10 of 118 parts

Screw#155

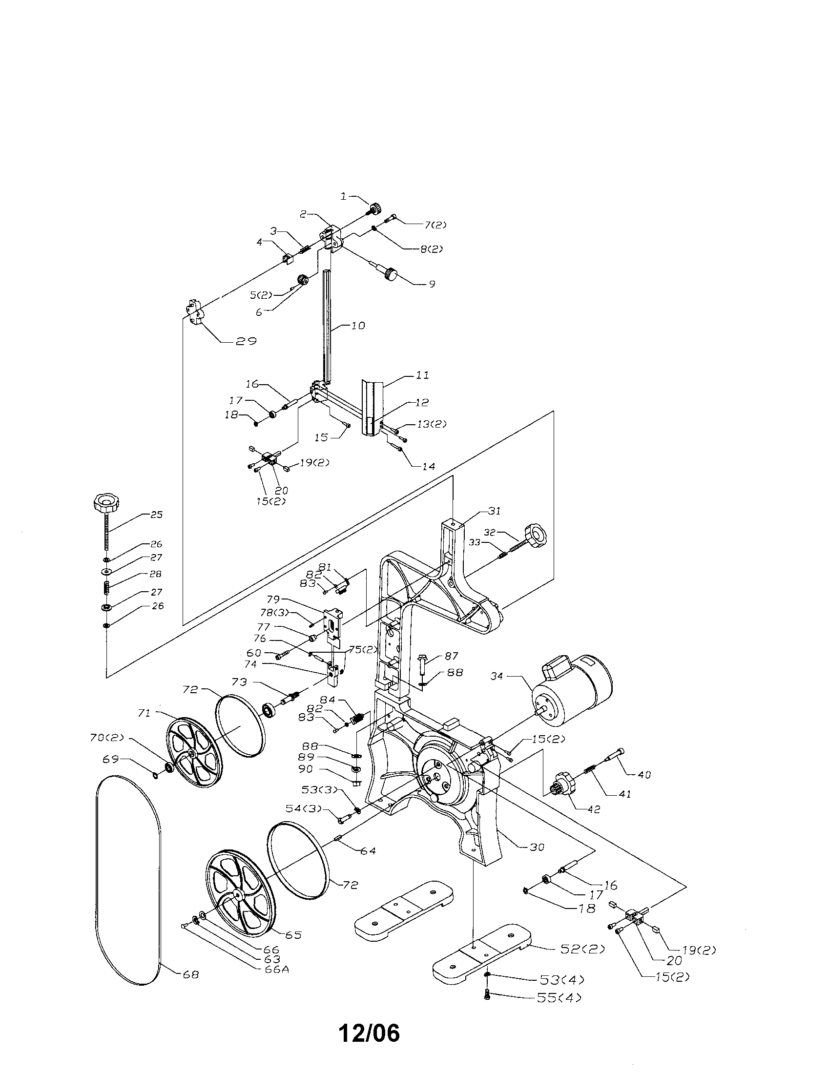
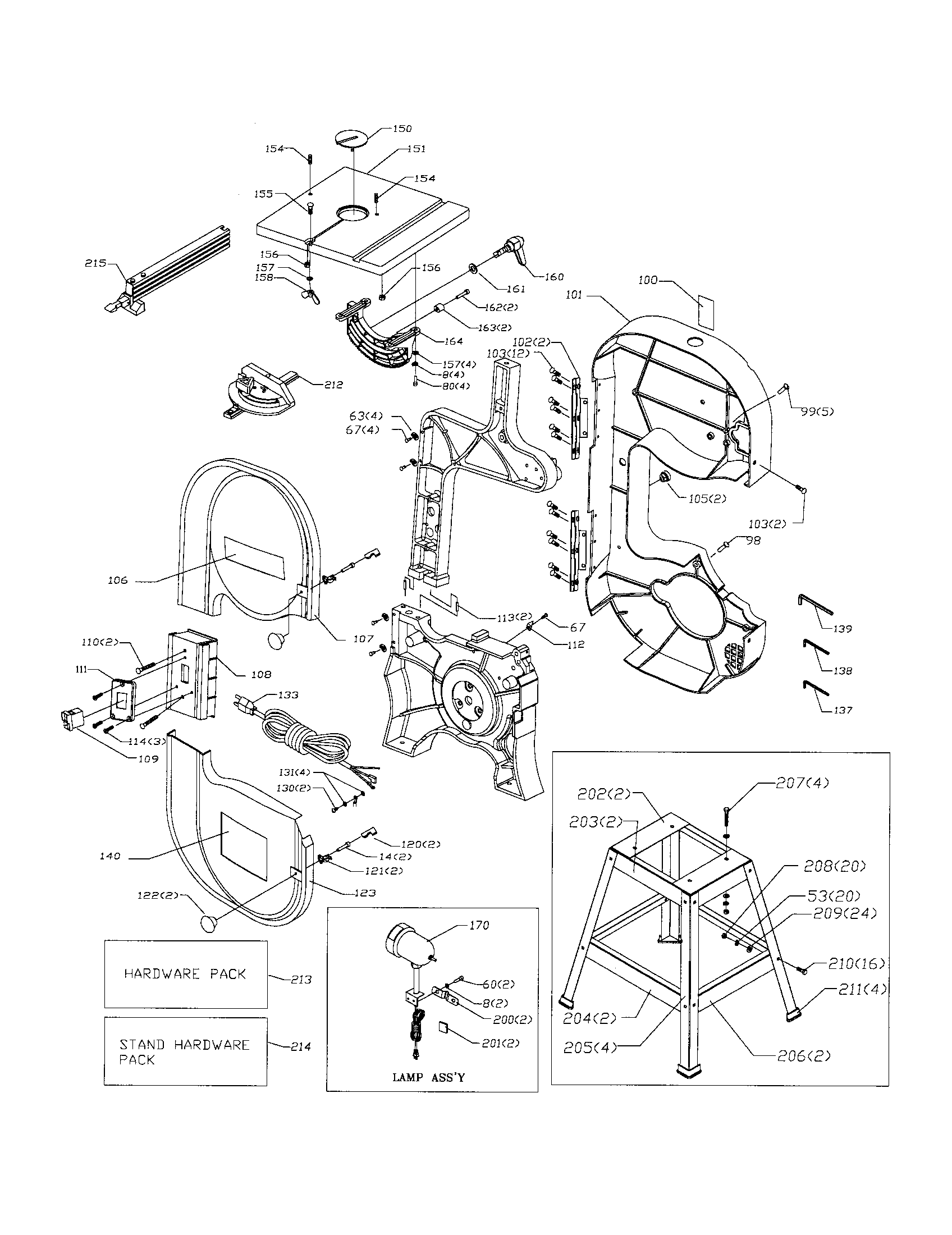
Stand/table/switch box Diagram

Screw

Part #1246090

The manufacturer no longer makes this part, and there's no substitute part

M6 Hex Nut#156

Stand/table/switch box Diagram

M6 hex nut

Part #1243456

The manufacturer no longer makes this part, and there's no substitute part

Glide#163

Stand/table/switch box Diagram

Glide

Part #1341612

The manufacturer no longer makes this part, and there's no substitute part

Screw#60

Motor/wheel Diagram

Screw

Part #1243336

The manufacturer no longer makes this part, and there's no substitute part

Knob#212

Stand/table/switch box Diagram

Knob

Part #900222

The manufacturer no longer makes this part, and there's no substitute part

Washer#161

Stand/table/switch box Diagram

Washer

Part #1243502

The manufacturer no longer makes this part, and there's no substitute part

Screw#154

Stand/table/switch box Diagram

Screw

Part #1344953

The manufacturer no longer makes this part, and there's no substitute part

Screw#80

Motor/wheel Diagram

Screw

Part #1246004

The manufacturer no longer makes this part, and there's no substitute part

Ring#69

Motor/wheel Diagram

Ring

Part #1320166

The manufacturer no longer makes this part, and there's no substitute part

Carriage Bolt#210

Stand/table/switch box Diagram

Carriage bolt

Part #1313325

The manufacturer no longer makes this part, and there's no substitute part

Symptoms for band saws

Choose a symptom to see related band saw repairs.

Main causes: damaged rubber tire, worn wheel bearings, loose blade tension, dull saw blade
Main causes: dull blade, improper feeding, loose blade tension, not using a work piece guide
Main causes: broken saw blade, bad drive belt, damaged rubber tire
Main causes: lack of electrical power, broken power cord, bad on/off switch, faulty drive motor
Main causes: dull blade, using the wrong type of blade, weak drive motor
Main causes: angle indicator needs adjustment, dull blade
Main causes: dull blade, using the wrong type of blade, feeding work piece to quickly, loose blade tension

Repair guides for band saws

These step-by-step repair guides will help you safely fix what’s broken on your band saw.

April 1, 2015
Lyle Weischwill
How to replace a band saw on-off switch

If the switch won't turn the band saw on or off, it could be defective. Replace the switch, using these steps.

Repair difficulty
Time required
 15 minutes or less
April 1, 2015
Lyle Weischwill
How to replace a band saw drive belt

If the motor runs but the blade doesn't move, it could be that the drive belt is broken. Here's how to replace it.

Repair difficulty
Time required
 15 minutes or less
April 1, 2015
Lyle Weischwill
How to replace a band saw blade

If the saw blade is dull or damaged and isn't cutting cleanly, replace the blade following these steps.

Repair difficulty
Time required
 15 minutes or less

Articles and videos for band saws

Use the advice and tips in these articles and videos to get the most out of your band saw.

June 29, 2022

Top questions about Sears and Sears PartsDirect

Lyle Weischwill

Get answers to frequently asked questions about Sears and Sears PartsDirect.

January 18, 2016

How to use a multimeter to test electrical parts video

Lyle Weischwill

Learn how to use a multimeter to check for wiring problems in an appliance that's not working

April 1, 2015

Band saw common questions

Lyle Weischwill

These answers to common questions can help you make the most of your band saw.